NM-8224A,B,C PARTS LIST(EC TYPE)_.pdf - 第131页
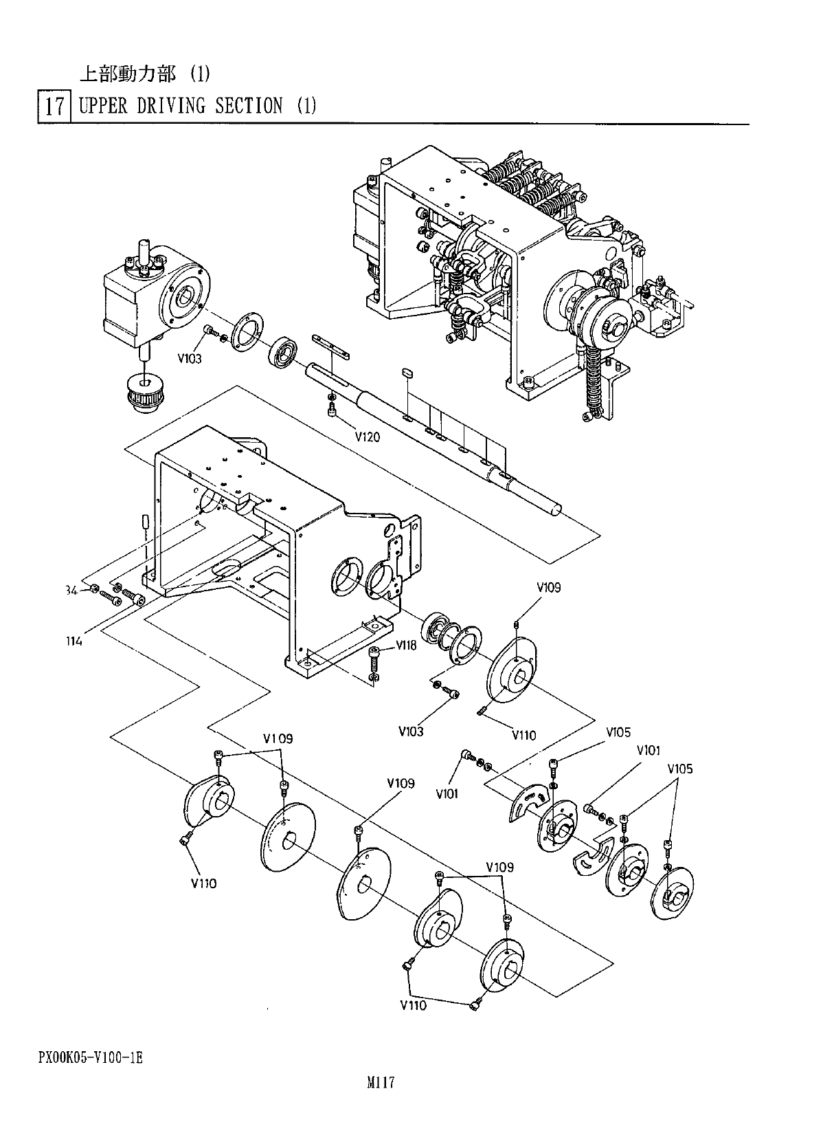
上部動力部 ( 1 ) 171 UPPER DRIVING SECTION ( 1 ) 考 部 個 数 備 番 品 名 品 No . PART NAME Q ’ TY REMARKS REF PART No . No . W W > 2 W 3 < m ' 3 > < DELETE > 4 WW r - ' j I X 00 K 05143 TIMING PULLEY MW SM 22 …

上 部 動 力 部
⑴
171
UPPER
DRIVING
SECTION
⑴
PX
00
K
05
-
100
-
1
F
M
115

上部動力部
(
1
)
171
UPPER
DRIVING
SECTION
(
1
)
考
部
個数
備
番
品
名
品
No
.
PART
NAME
Q
’
TY
REMARKS
REF
PART
No
.
No
.
W
W
>
2
W
3
<
m
'
3
><
DELETE
>
4
WW
r
-
'
j
I
X
00
K
05143
TIMING
PULLEY
MW
SM
22
EB
10
-
1
-
1
-
RF
240
-
S
-
72000
6
N
620
SM
22
-
009
REDUCTION
GEAR
V
7
W
'
押工
7
X
00
K
05163
BEARING
RETAINER
2
上部
M
水
’
I
X
00
K
05171
A
UPPER
CAM
BOX
W
9
W
10
<
W
/
3
><
DELETE
>
II
T
2
<
#
y
3
><
DELETE
>
W
T
3
7
M
>
14
or
用力
i
(
挿入
JW
)
15
X
00
K
05193
CAM
(
INSERTION
CHUCK
)
八
17
’
用加
(
挿入于
t
7
?
)
CAM
(
INSERTION
CHUCK
)
16
X
00
K
05194
A
17
用力
i
(
力
仆
’
升
7
夕
)
CAM
(
GUIDE
CHUCK
)
17
X
00
K
05195
rTWWU
(
移
〉
替工子
t
7
外
X
00
K
05196
CAM
(
SHIFT
CHUCK
)
18
07
’
用力
i
(
移
-
>
替工于
”
外
T
9
X
00
K
05197
CAM
(
SHIFT
CHOCK
)
平行卜
20
XO
0
KO
5198
KEY
IT
<
m
'
3
>
<
DELETE
>
六角穴付栌朴
22
XVE
5
B
30
FP
HEXAGON
SOCKET
HEAD
SCREW
4
M
5
X
30
f
^
XJV
t
°
>
23
XPJ
8
A
25
FW
PARALLEL
PIN
8
M
6
A
-
D
8
X
25
<
32
>
24
25
XPA
10
L
8
F
25
T
7
KEY
10
X
8
X
25
,
'
J
3
W
47
JV
6
26
X
00
KO
5416
A
力
,
夕
-
力厶
CUTTER
CAM
21
28
X
00
K
05417
Wmx
ft
匆力
SHIFT
CHUCK
CAM
挿入
frj
>
!
上下贴
29
X
00
K
05420
INSERTION
CHUCK
CAM
30
XOOK
05421
旋回力
i
*
HEAD
ROTATION
CAM
7
-
f
-
K
iii
IT
«
05423
FEED
CAM
32
<
35
>
力
A
軸
33
X
00
K
0542
T
CAM
SHAFT
34
X
00
K
05428
揷入
7
'
TA
~
上下
M
INSERTION
PUSHER
CAM
35
XLC
6206
ZZ
V
7
W
BEARING
2
6206
ZZ
,
NS
7
S
;
K
十
X
00
K
05430
SPACER
PX
00
K
05
-
100
-
1
F
M
116

上 部 動 力 部
⑴
171
UPPER
DRIVING
SECTION
(
1
)
V
110
PX
00
K
05
-
V
100
-
1
E
M
117