JX-350-Rev07.pdf - 第101页
- 96 - NOTE( 注記 ) # 01....FOR EN EN 用 REF.NO NOTE PART NO D E S C R I P T I O N 品 名 Qty 1 401-29262 AC INPUT SURGE PROTECTOR ASM ACインプットサージプロテクタ組 1 2 401-46386 NFB-LF CABLE ASM NFB−LFケーブル組 1 3 401-33966 MAIN SW INPUT CAB…

- 95 -
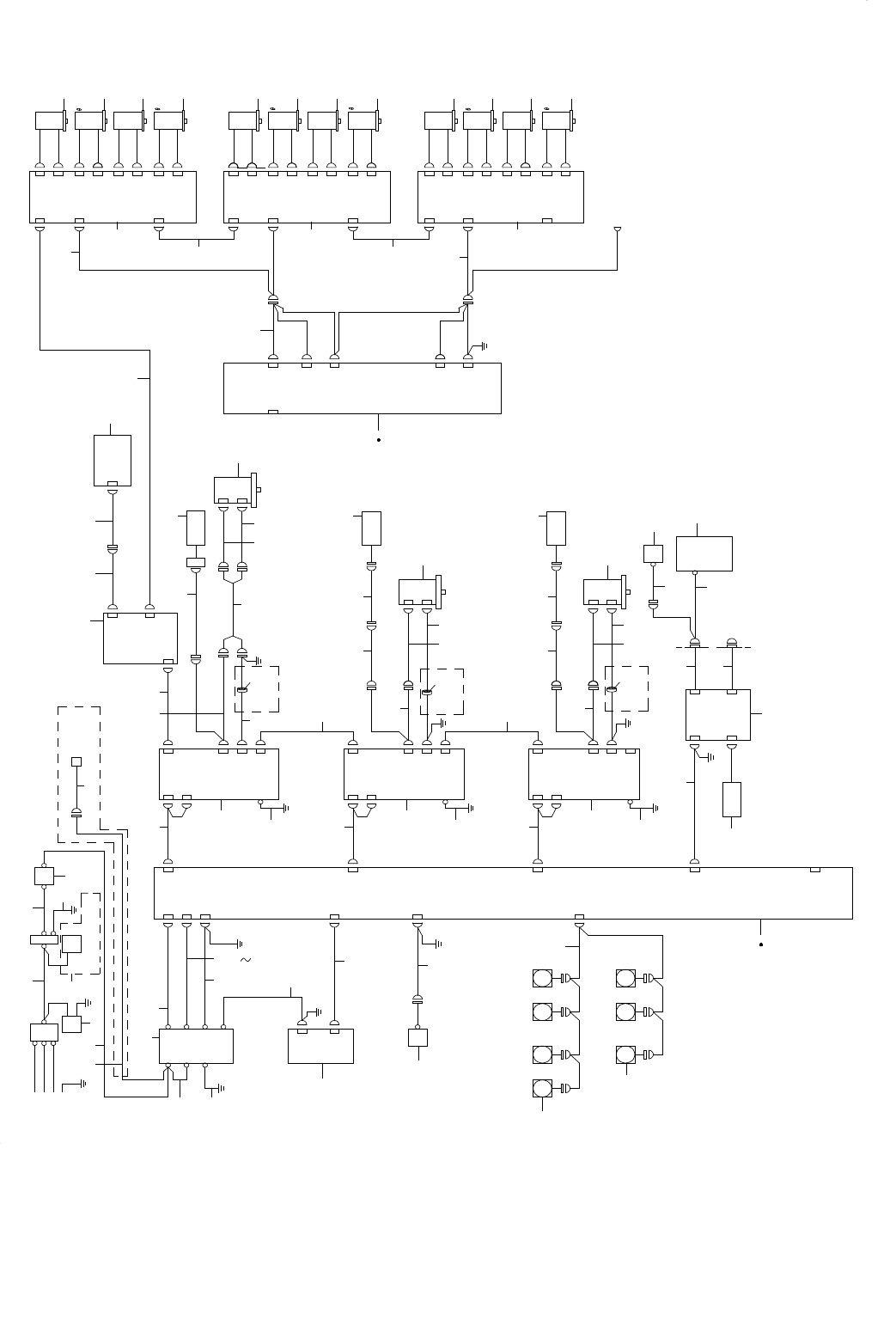
48. SYSTEM DIAGRAM (1)
SYSTEM DIAGRAM(1)
2-5B
CN11
1
2
3
4
6
5
7
8
9
10 11
12
13
14 16
17
18
21
23
21
24
19 20
25
25
26
27
44
28 47
48
47
48
46 56
45 55
29
37
49
39
38
50
35
40
30
31
32
33
34
43
36
42
41
40
54 43
36
36
53
52
40
58
59
51
57
6
67
65
64
60
68
61
39
39
62
63
19 20
70
35
55 55
35
696969
66 22 66 22 66 22 66 22 66 22 66 22
ZTD-CNP1
Z1 MOTOR
HC-BP0336LW4-S10
1MOTOR
HC-BP0136D-S8
Z2 MOTOR
HC-BP0336LW4-S10
2MOTOR
HC-BP0136D-S8
Z3 MOTOR
HC-BP0336LW4-S10
3 MOTOR
HC-BP0136D-S8
Z4 MOTOR
HC-BP0336LW4-S10
4 MOTOR
HC-BP0136D-S8
Z5 MOTOR
HC-BP0336LW4-S10
5 MOTOR
HC-BP0136D-S8
Z6 MOTOR
HC-BP0336LW4-S10
6MOTOR
HC-BP0136D-S8
4AXIS SERVO AMP(3)
4AXIS SERVO AMP(2)
4AXIS SERVO AMP(1)
POWER
UNIT(2/5)
S-XY RELAY
PCB(1/3)
SERVO
MOTOR
750W
SCALE
HEAD X
XY11
SENSX
XENC
XMTR
ENCYL
SENSYL
Y MOT OR
YL 15 00W
SCALE
HEAD Y
YLMTR
SCALE
HEAD Y
SENSYR
Y MOT OR
YR 15 00W
ENCYR
YRMTR
MAIN
SW(2/2)
PS ON
ATX13
CN3
CPCI
BACK
BOARD
YRCN2
YRCN2L
3Turn
MAIN
12V
INLET
BATT
1-2A
4-5C
ATX-POWER(1/2)
(EN SPEC)
3 Turn
(EN SPEC)
3Turn
(EN SPEC)
CN165
CN151
YLCN2
YLCN2L
ENCX
1CH NET
2CH NET
1CH DI
POSITION
BOARD
YR SERVO
AMP(1/2)
CN1A
CNP1
CNP2
CN2
CNP3
CN1B
E
BATTERY
YL SERVO
AMP(1/2)
CN1A
CNP1
CNP2
CN2
CNP3
CN1B
E
4-5A
XSERVO
AMP(1/2)
CN1A
CNP1
CNP2
CN2
CNP3
CN1B
4-1D
E
MTS PWR(L)
CN06
(MTS OPTION)
CN06
1-3D
MAIN
SW(1/2)
(EN SPEC)
BLOCK
CAPACITOR
LF1
POWER
UNIT(1/5)
NFB
INPUT
L1
L2
L3
PE
SURGE
PROTECTOR
TF1
200V
34V
100V
200V
ETF POWER
UNIT(1/2)
CN04
GND
3-3B
VACUUM
PUMP
[BASE R SIDE]
[CTRL UNIT]
[BASE L SIDE]
[POWER UNIT]
FAN
[CTRL UNIT]
FAN FAN FAN
FANFANFAN
CN2003
PWR29
CN13
CN12
CN063
GND
COPLA-PS
1-4B
CN04
CN03
CN11
CN01
1-2D
CN13
CN37
CN14
CN15
CN38
2-3B
ZTPWR2
ZTPWR1
CN21
CN1A
CNP1
CN1B
CN2D
CNP2D
CN2C
CNP2C
CN2B
CNP2B
CN2A
CNP2A
2-2A
CN1A
CNP1
CN1B
CN2D
CNP2D
CN2C
CNP2C
CN2B
CNP2B
CN2A
CNP2A
2-2A
CN1A
CNP1
CN1B
CN2D
CNP2D
CN2C
CNP2C
CN2B
CNP2B
CN2A
CNP2A
2-2B

- 96 -
NOTE( 注記 ) #01....FOR EN EN 用
REF.NO NOTE PART NO D E S C R I P T I O N
品 名
Qty
1 401-29262 AC INPUT SURGE PROTECTOR ASM
ACインプットサージプロテクタ組
1
2 401-46386 NFB-LF CABLE ASM
NFB−LFケーブル組
1
3 401-33966 MAIN SW INPUT CABLE ASM
メインスイッチ入力束線組
1
4 401-48269 AC INPUT UNIT FG CABLE ASM
AC入力ユニット FGケーブル組
1
5 400-92401 AC INPUT NO.26 CABLE ASM
AC入力ユニット NO.26 ケーブル組
1
6 HA-0053800-00 SWITCH
スイッチ
1
7 401-46437 MTC/MTS PWR CONNECTOR ASM
MTC/MTS パワーコネクタ組
1
8 401-46387 MAIN SW-TF CABLE ASM
メインSW−TFケーブル組
1
9 401-61279 MTS PWR CABLE ASM(R)
MTS パワーケーブル組(R)
1
10 401-33971 TF INPUT CABLE (DELTA) ASM
変圧器入力端子デルタ結線束線組
1
11 401-09925 TF FG CABLE ASM
トランスFGケーブル組
1
12 401-35052 TRANSFORMER
トランス
1
13 401-09926 TF 200V OUTPUT CABLE ASM
TF200V出力ケーブル組
1
14 401-09927 TF 34V OUTPUT CABLE ASM
TF34V出力ケーブル組
1
15
#01
401-13637 SAFETY U 34V IN CABLE ASM(EN)
セーフティ U 34V INケーブル組(EN)
1
16
#01
401-13638 SAFETY U 34V OUT CABLE ASM(EN)
セーフティ U 34V OUTケーブル組(EN)
1
17 401-09928 TF 100VA OUTPUT CABLE ASM
TF100VA出力ケーブル組
1
18 401-09929 TF 200VB OUTPUT CABLE ASM
TF200VA出力ケーブル組
1
19 401-49489 POWER SUPPLY UNIT 10 ASM
電源ユニット10組
1
20
#01
401-49490 POWER SUPPLY UNIT 10 (EN) ASM
電源ユニット10(EN)組
1
21 401-14533 ETF_POWER_ASM
ETF_電源組
1
22 401-46452 SERVO MOTOR 10W
サーボモータ 10W
1
23 401-29244 VACUUM PUMP ASM
真空ポンプ組
1
24 401-46409 VACUUM PUMP RELAY CABLE ASM
真空ポンプ中継ケーブル組
1
25 401-33768 DC FAN
DCファン
1
26 401-48286 FAN CABLE ASM
ファンケーブル組
1
27 401-09930 X PWR CABLE ASM
X電源ケーブル組
1
28 401-29652 X AXIS DRIVER
X軸ドライバ
1
29 401-18621 OPTICAL FIBER CABLE 2M
光ファイバケーブル2M
1
30 400-44540 16AXIS 2CH SERVO CONTROLLER
16軸 2CHポジションボード
1
31 401-09948 POS BOARD1 1CH CABLE ASM
ポジションボード1 1CHケーブル組
1
32 400-97614 XY-RELAY POS RELAY CABLE ASM
XY−RELAY ポジション中継ケーブル組
1
33 401-06795 S-XY RELAY PCB ASM
S−XYリレー基板組
1
34 400-48070 OPTICAL FIBER CABLE 7M
光ファイバケーブル7M
1
35 401-46388 XY BEAR CABLES ASM
XY ベアケーブル組
1
36 401-29630 XY LINEAR SCALE HEAD
XYリニアスケールヘッド
1
37 401-46367 X ENC CABLE ASM
X ENCケーブル組
1
38 401-09943 X MOTOR CABLE ASM
Xモータケーブル組
1
39
#01
HN-0015500-00 CORE
コア
1
40 401-46380 Y BEAR CABLES ASM
Y ベアケーブル組
1
41 400-44545 X MOTOR ENCODER CABLE ASM
X軸エンコーダ中継ケーブル組
1
42 400-44546 X MTR PWR CABLE
X MTRパワーケーブル
1
43 401-29653 X AXIS MOTOR
X軸モータ
1
44 401-09933 X DRV FG CABLE ASM
XドライバFGケーブル組
1
45 401-29627 OPTICAL FIBER CABLE 1M
光ファイバケーブル1M
1
46 401-09931 YL PWR CABLE ASM
YL電源ケーブル組
1
47 401-29654 Y AXIS DRIVER
Y軸ドライバ
1
48 400-92416 DRV FG CABLE ASM
ドライバFGケーブル組
1
49 401-46368 YL ENC CABLE ASM
YL ENCケーブル組
1
50 401-46383 YL LINEAR SENS CABLE ASM
YL リニアセンサケーブル組
1
51 401-46382 YR ENCODER CABLE ASM
YR エンコーダケーブル組
1
52 401-46381 YL ENCODER CABLE ASM
YL エンコーダケーブル組
1
53 401-46439 YL MOTOR CABLE ASM
YL モータケーブル組
1
54 401-46348 Y AXIS SERVO MOTOR
Y軸モータ
1
55 401-29628 OPTICAL FIBER CABLE 0.15M
光ファイバケーブル0.15M
1
56 401-09932 YR PWR CABLE ASM
YR電源ケーブル組
1
57 401-46369 YR ENC CABLE SAM
YR ENCケーブル組
1
58 401-46384 YR LINEAR SENS CABLE ASM
YR リニアセンサケーブル組
1
59 401-46440 YR MOTOR CABLE ASM
YR モータケーブル組
1
60 401-46431 ATX POWER CABLE ASM
ATX パワーケーブル組
1
61 401-46346 ATX PSU
ATX電源
1
62 401-63313 ATX MAIN CABLE ASM
ATXメインケーブル組
1
63 401-46426 ATX 12V CABLE ASM
ATX 12Vケーブル組
1
64 401-31764 ATX CTRL CABLE ASM
ATX電源制御束線組
1
65 401-72513 CPCI POWER CABLE ASM
CPCIパワーケーブル組
1
66 401-49143 SERVO MOTOR 30W
サーボモータ 30W
1
67 401-72512 CPCI BACK BOARD 6SLOT
CPCIバックボード6スロット
1
68 401-46347 BATTERY
バッテリー
1
69 401-29650 4AXIS INTEGRAL TYPE T AXIS DRIVER
4軸一体型T軸ドライバ
1
70 401-46396 LZT PWR RELAY CABLE ASM
LZT パワー中継ケーブル組
1

- 97 -
49. SYSTEM DIAGRAM (2)
SYSTEM DIAGRAM(2)
1
4
32
5
6
7
4
9 12
8
10
11
14 16 18 20 23
15
13 17 19 21 21
4
24
26
4
32
36
37
38 39 40
41 42
28
30
35
43
44
45
46
47
57 58
59
60
63
67
71
72
68
64
61
55
54
73
73
73
51
25 25 25
27
29
31
33 34
49 52
5250
53
56
52
62 65 66 69 70
22
75
73
73
74
48
FEEDER PCB(1/2)
ETHER
SLAVE
PCB
3-2A
EN2
EN1
ES F
BASE I/O PCB(1/2)
MTS I/F
4-2A
CN2
CN1
ETHER
SLAVE
PCB
EN2
EN1
(MTS OPTION)
ETHER
SLAVE
PCB
EN2
EN1
XY-RELAY PCB(2/3)
1-3A
CN5
CN33
CN7
CN16
CN10
CN9
CN4
4-5A
XY01
XY02
XY04
XY08
XY05
I/F R
(COM PORT OPTION)
8-PORT
COM BOARD
SI02
4-4C
OPERATION
PCB (F)
CN14
3-4A
OPERATION
PCB (R)
CN14
3-4B
CN1239
CN1247
CN1241
CN1223
Y -LIMIT
SENSOR
Y+LINIT
SENSOR
YNEAR
SENSOR
CN127
XNEAR
X+LIM
X-LIM
X -LIMIT
SENSOR
X +LINIT
SENSOR
XNEAR
SENSOR
FULX RLY
COPLA LA
LED R
LED F
SAFE IO
XY03
XY10
ION I/O
SAFTY
UNIT(EN)
CN901
XYEN2
XYEN2
PUMP-IO
CN064
HEAD IO
IEEE1394
BOARD
CH1
IEEE1394a
REPEATER
CH1CH2
LNC60
POWER UNIT(3/5)
1-3B
CN68
CN064
CN32
CN20
CN17
CN26
CN19
CN61
CN62
3-3B
Z1 BLW SV
Z2 BLW SV
Z3 BL W SV
Z4 BLW SV
Z5 BLW SV
Z6 BLW SV
NOZZLE UP
SV ASM
NOZZLE DOWN
SENSOR L
NOZZLE DOWN
SENSOR R
Z1
PRESSURE
SENSOR
Z2
PRESSURE
SENSOR
Z3
PRESSURE
SENSOR
Z4
PRESSURE
SENSOR
Z5
PRESSURE
SENSOR
Z6
PRESSURE
SENSOR
Z1 VAC SV
Z2 VAC SV
Z3 VAC SV
Z4 VAC SV
Z5 VAC SV
Z6 VAC SV
CN201
NZ DWN1
NZ DWN2
CN5
4AXIS SERVO AMP(3)
CN4B
CN4D
1-5C
CN5
1-5B
CN4D
CN4B
4AXIS SERVO AMP(2)
4AXIS SERVO AMP(1)
CN5
1-5A
CN4D
CN4B
CN245
S-HEAD MAIN
PCB ASM
CN15
EN1
CN19
CN2
CN33
CN32
CN14
CN20
CN1
LNC60
CN13
CN23
CN12
CN16
CN28
CN1
CN31
CN6CN9
CN7
CN10
CN11
CN8
CN35
CN27
CN36
CN37
CN38
CN39
CN40
CN41
CN25
CN26
(SOLDER REC OPTION)
OCC A LIGHT
PCB ASM
LIGHT-A2
LIGHT-A1
LIGHT-C
OCCL
OCC CAMERA
OCC C LIGHT
PCB ASM
OCC A LIGHT
PCB ASM
FAN
TEMPERATURE
SENSOR PWB ASM
AMP
BAD MARK
SENSOR
(HMS OPTION)
HMS
SENSOR
AC3
4-1D
IP-X7 PCB(1/2)
CN478
HMS
CN813
EN2
EN1
EN3
ETHER MAIN PCB