JX-350-Rev07.pdf - 第106页
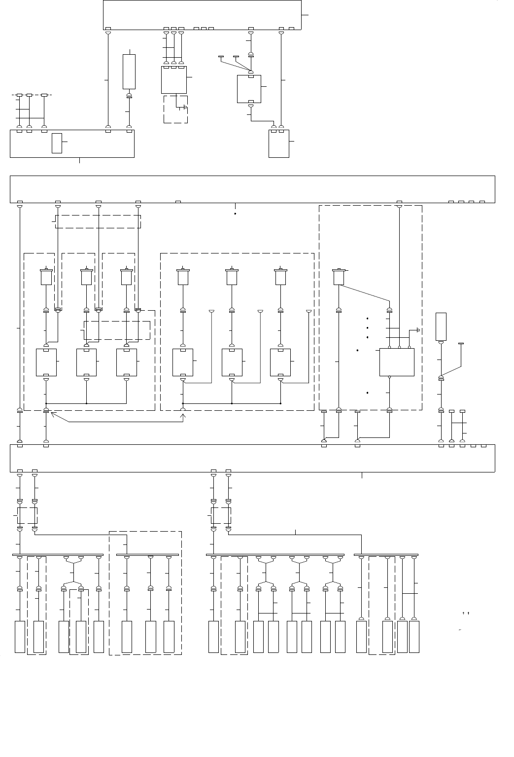
- 101 - 51. SYSTEM D IAGRAM (4) SYSTEM DIAGRAM (4) 6 41 43 43 43 41 41 65 66 48 52 53 67 70 76 73 82 67 74 1 28 10 1 12 11 13 14 16 17 19 18 2 10 24 10 26 29 32 31 33 35 36 34 22 21 20 23 3 4 5 9 39 37 40 38 46 49 47 50 …

- 100 -
NOTE( 注記 ) #01....FOR EN EN 用
REF.NO NOTE PART NO D E S C R I P T I O N
品 名
Qty
1 400-02125 CAL VCUM SV ASM
CALバキュームSV組
1
2 400-07376 CALBLOCK PCB ASM
CALブロック基板組
1
3 401-09996 CAL BLOCK CABLE ASM
CALブロックケーブル組
1
4 400-47483 FEEDER CAL(F) CABLE ASM
CAL(F)ケーブル組
1
5 400-47560 FEEDER PCB ASM
フィーダ基板組
1
6 401-22811 CAL-VCUM SENS ASN
CAL−VCUMセンサ組
1
7 401-61248 ATC SENSOR ASM
ATCセンサ組
1
8 401-46402 FEEDER SENS CABLE F ASM
フィーダセンサケーブルF組
1
9 400-48176 FEEDER SENS RELAY(F) CABLE ASM
フィーダセンサ中継ケーブル(F)組
1
10 401-29057 SEPARATE SENSOR RECEIVER ASM
SEPARATE センサ受光組
1
11 401-61262 ATC SV CABLE ASM
ATC SVケーブル組
1
12 401-29058 SEPARATE SENSOR EMISSION ASM
SEPARATE センサ投光組
1
13 401-46400 FEEDER SENS CABLE R ASM
フィーダセンサケーブルR組
1
14 400-48177 FEEDER SENS RELAY(R) CABLE ASM
フィーダセンサ中継ケーブル(R)組
1
15 401-46399 REAR FEEDER DETECT SENSOR RELAY CABLE ASM
リアフィーダ DETECTセンサ中継ケーブル組
1
16 401-23126 AUTO TAPE CUTTER F CABLE ASM
オートテープカッターFケーブル組
1
17 401-23124 FEEDER CUTTER(F) WIRE ASM
フィーダカッターFケーブル組
1
18 401-23128 AUTO TAPE CUTTER CABLE ASM 3
オートテープカッターケーブル組3
1
19 401-23125 FEEDER CUTTER(R) WIRE ASM
フィーダカッターRケーブル組
1
20 401-29080 AIR(N) SENSOR CABLE ASM
エア(N) センサケーブル組
1
21 401-46358 AIR PRESSURE SENSOR RELAY CABLE ASM
エアPRESSUREセンサ中継ケーブル組
1
22 401-46357 FEEDER AIR SENS RELAY CABLE ASM
フィーダエアセンサ中継ケーブル組
1
23 401-29071 AIR(P) SENSOR CABLE ASM
エア(P) センサケーブル組
1
24 400-00574 DRIVE CYLINDER ASSY
ドライブシリンダ組
1
25 401-35350 BANK FIXED FR CABLE ASM
バンク固定FRケーブル組
1
26 401-35351 BANK FIXED FL CABLE ASM
バンク固定FLケーブル組
1
27 400-66568 BANK PCB ASM
バンク基板組
1
28 401-09987 BANK PWR CABLE F ASM
バンク電源Fケーブル組
1
29 400-47481 FEEDER IF RELAY(F) CABLE ASM
フィーダ IF中継ケーブル(F)組
1
30 401-46390 FEEDER IF RLY(F) CABLE ASM
フィーダ IF 中継(F)ケーブル組
1
31 401-35352 BANK FIXED RL CABLE ASM
バンク固定RLケーブル組
1
32 401-07941 FEEDER IF RELAY-03 CABLE ASM
フィーダ IF RELAY−03ケーブル組
1
33 401-46392 E-FDR IF F CABLE ASM
E−FDR IF Fケーブル組
1
34 400-95639 ELEC BANK PWR CABLE ASM
電動バンクパワーケーブル組
1
35 401-13687 ELEC BANK FG WIRE ASM
電動バンクFG束線組
1
36 401-46428 FEEDER CAL (R) CABLE ASM
フィーダ CAL (R)ケ−ブル組
1
37 401-09983 ETF(F) PWR CABLE ASM
ETF 電源ケーブルF組
1
38 401-09999 FEEDER XY EMG CABLE ASM
フィーダ XY EMGケ−ブル組
1
39 401-09984 ETF(R) PWR CABLE ASM
ETF 電源ケーブルR組
1
40 401-14533 ETF_POWER_ASM
ETF_電源組
1
41 401-49489 POWER SUPPLY UNIT 10 ASM
電源ユニット10組
1
42
#01
401-49490 POWER SUPPLY UNIT 10 (EN) ASM
電源ユニット10(EN)組
1
43 401-09980 FEEDER PWR CABLE ASM
フィーダ電源ケーブル組
1
44 401-10070 OPERATION PWR CABLE(F)ASM
オペレーションリレーケーブル組(F)
1
45 401-10071 OPERATION PWR CABLE(R)ASM
オペレーションリレーケーブル組(R)
1
46 401-09992 BANK PWR CABLE R ASM
バンク電源 R ケーブル組
1
47 400-47482 FEEDER IF RELAY(R) CABLE ASM
フィーダ IF中継ケーブル(R)組
1
48 401-07942 FEEDER IF RELAY-04 CABLE ASM
フィーダ IF RELAY−04 ケーブル組
1
49 401-46393 E-FDR IF R CABLE ASM
E−FDR IF R ケーブル組
1
50 401-35353 BANK FIXED RR CABLE ASM
バンク固定RRケーブル組
1
51 401-13653 FPI LED CABLE(FL)ASM
FPI LED ケーブル(FL)組
1
52 E8626-729-0A0 FPI LED BOARD ASM.
FPI LED基板組
1
53 401-13654 FPI LED CABLE(FR)ASM
FPI LED ケーブル(FR)組
1
54 401-13655 FPI LED CABLE(RR)ASM
FPI LED ケーブル(RR)組
1
55 401-13656 FPI LED CABLE(RL)ASM
FPI LED ケーブル(RL)組
1
56 401-48273 OPERATION PCB FRONT10 PCB ASM
オペレーション基板 フロント10組
1
57
#01
401-48277 OPERATION PCB FRONT10 ASM(EN)
オペレーション基板 フロント10組(EN)
1
58 400-92583 SHORT CONNECTOR ASM
ショートコネクタ
1
59 401-20505 EMG SW(F) ASM
EMG SW(F)組
1
60
#01
401-31989 EMG SW F CABLE ASM (EN)
EMG SW Fケーブル組 (EN)
1
61 400-02254 COVER OPEN SW CABLE ASM
カバーオープンスイッチケーブル組
1
62 401-46406 COVER LOCK SV CABLE ASM
カバーロックSVケーブル組
1
63 401-10073 COVER LOCK SV ASM
カバーロックSV組
1
64 401-46412 HOD-OPERATION I/F CABLE ASM
HOD−OPERATION I/Fケーブル組
1
65 E9649-729-000 HOD ASM.
HOD組
1
66
#01
E9662-729-000 HOD (EN)
HOD(EN)
1
67 401-13641 SAFETY U 902 CABLE ASM(EN)
セーフティ U 902ケーブル組(EN)
1
68 401-48275 OPERATION PCB REAR10 ASM
オペレーション基板 リア10組
1
69
#01
400-92483 OPERATION PCB REAR10 ASM(EN)
オペレーション基板リア10組(EN)
1
70 401-20506 EMG SW(R) ASM
EMG SW(R)組
1
71
#01
401-31990 EMG SW R CABLE ASM (EN)
EMG SW R ケーブル組 (EN)
1
72 401-58866 COVER OPEN SW CABLE ASM
カバーオープンSW ケーブル組
1
73 400-97605 COVER OPEN RELAY CABLE ASM
カバーオープン中継ケーブル組
1
74 401-46359 SIGNAL TOWER CABLE ASM
シグナルタワーケーブル組
1
75 401-29009 SIGNAL TOWER CABLE ASM
シグナルタワーケーブル組
1
76 401-13642 SAFETY U 903 CABLE ASM(EN)
セーフティ U 903 ケーブル組(EN)
1
77 401-46391 FEEDER IF RLY(R) CABLE ASM
フィーダ IF 中継(R)ケーブル組
1
78 401-12712 ELEC BANK CABLE ASM
電動バンクケーブル組
1
79 401-87551 ELEC BANK 10 PCB ASM V2
電動バンク10基板組 V2
1

- 101 -
51. SYSTEM DIAGRAM (4)
SYSTEM DIAGRAM(4)
6
41
434343
4141
65 66
48
52 53
67
70
76
73
82
67
74
1
28
10 1
12
11
13
14
16
17
19
18
2
10
24
10
26 29 32
31
33 35
36
34
22
21
20
23
3
4
5 9
39
37
40
38
46 49
47
50 51
60
63
64
61
62
42
44
45
56 57
54 55
58 59
68
71
72
81
75
80
77
78
79
68
69
15
84
31
28
30
25
27
83
90 90 90
87 88 89
85
8686
86
NOTE1 THESE P/N CHANGES WITH MACHINE REVISION.
"[MREV.D]"
JX-350 MACHINE REVISION : BEFORE "D"
"[MREV.E]"
JX-350 MACHINE REVISION : "E"
SUP TABLE
S.V.
CLAMP S.V.
STOP S.V.
(1500mm)
STOP S.V.
(1200mm)
(1500mm OPTION)
(1500mm OPTION)
(AWC OPTION)
(IN/OUT BUFFER OPTION)
(IN/OUT BUFFER OPTION)
AWC ORG
SENSOR
BU PIN SENSOR
(RECEIVING)
BU PIN SENSOR
(EMISSION)
RIGHT SENSOR
LEFT SENSOR
WAIT SENSOR
STOP SENSOR
COUT SENSOR
7
7
STOP SENSOR
1500mm
CLAMP FL
SENSOR
CLAMP FR
SENSOR
CLAMP RL
SENSOR
CLAMP RR
SENSOR
SUP TABLE
DOWN SENSOR
SUP TABLE
UP SENSOR
STOP SENSOR
1200mm
S8
S7
S6
S5
S8
S7
SBL4
S5
S6
S3
S4
CN107 4
CN106 4
CN422
CN421
CN616
CN615
S2
S1
SBL3
STOP 1500
STOP 1200
S5
S3
S1
SB2
CN1066
CN1370
CN1371
S6
S7
S5
S3
S1
SB1
CN1065
WAIT
CN1072
SB1
SB2
CN10
CN9
CN20
CN19
SB4
SB3
CN22
CN23
CN12
CN16
2-5B
BASE I/O PCB (2/2)
CN19
CN24
CN17
CN14
CN25
CN3
CN4
CN21
CN15
CN13
SMEMA
(UPPER UNIT)
SMEMA
(LOWER UNIT)
EV
STOP S.V.
FLUX SV
CN14
CN15
CN17
CN18
5PHASE DRIVER
AWCM
AWCE
AWC MOTOR
(AWC OPTION)
CN11
CN8
CN60
CN36
CN28
RM-P
R-MTR
CM-P
C-MTR
LM-P
L-MTR
IN MOTOR
CENT MOTOR
OUT MOTOR
IN MOTOR DRV(2PHASE)
LM-3
CENT MOTOR DRV (2PHA SE)
CN3
CN1
OUT MOTOR DRV(2PHASE)
LM-1
NOTE1(MREV.E)
CN16
CN3
CN1
CM-3CM-1
CN3
CN1
RM-3RM-1
CN16
CN12
NOTE1(MREV.D)
IN MOTOR DRV(5PHA SE)
CENT MOTOR DRV(5PHASE)
OUT MOTOR DRV(5PHASE)
CN1
CN2
CN1
CN2
CN1
CN2
LMT
INM-P
CMT
CM-P
RMT
OTM-P
IN MOTOR
CENT MOTOR
OUT MOTOR
POWER UNIT (5/5)
3-3B
CN27
CN33
CN35
CN34
CN12
CPU BOARD (1/2)
USB
USB
LAN
SSD
DVI1
USB
4-4C
(EN SPEC)
USB KEYBOARD
SP ASM (FRONT)
MONITOR (FRONT)
RS232C
VIDEO
DC12V
SUPER IMPOSE
BOARD
DVI IN
RS1
DVI1
M1(OUT 12V)
RS2
DVI2
M2(OUT 12V)
IMPS
RS PC1
NTSC1
CN5
CN6
CN9
1-2D
COM
COM
ATX-POWER (2/2)
COM1
COM2
4-4B
CPU BOARD (2/2)

- 102 -
NOTE( 注記 ) #01....FOR EN EN 用
REF.NO NOTE PART NO D E S C R I P T I O N
品 名
Qty
1 401-62658 SIDE SENSOR ASN
サイドセンサ組
1
2 401-61270 STOP SENS CABLE ASM(1200MM)
ストップセンサケーブル組(1200MM)
1
3 400-47904 SBL1 CABLE ASM
センサブロックL1束線組
1
4 401-46360 SB CABLE ASM
SBケーブル組
1
5 401-46394 BASE-IO SPWR CABLE ASM
BASE−IO SPWRケーブル組
1
6 400-71680 BASE IO PCB ASM
ベースIO基板組
1
7 401-35828 LR WAIT COUT SENS ASM
LRウェイトCOUTセンサ組
1
8 401-10054 WAIT SENS CABLE ASM
WAITセンサケーブル組
1
9 400-92631 BASE-IO SENS RLY CABLE ASM
BASE−IO センサ中継ケーブル組
1
10 401-10065 STOP SENSOR ASM
STOPセンサ組
1
11 401-46432 ST/CO SENS CABLE ASM
ST/COセンサケーブル組
1
12 401-61265 RIGHT SENS CABLE ASM
RIGHTセンサケーブル組
1
13 401-61236 BU PIN EMISSION SENS ASM
BUピン投光センサ組
1
14 401-61266 BU PIN(EMI) CABLE ASM
BUピン(投光)ケーブル組
1
15 400-47908 SBL2 CABLE ASM
センサブロックL2束線組
1
16 401-61237 BU PIN RECEIVE SENS ASM
BUピン受光センサ組
1
17 401-61267 BU PIN(REC) CABLE ASM
BUピン(受光)ケーブル組
1
18 401-29042 AWC/BU ORG SENSOR CABLE ASM
AWC/BU ORG センサ束線組
1
19 401-46366 AWC ORG SENS CABLE ASM
AWC ORGセンサケーブル組
1
20 401-61281 SBL3 CABLE ASM
SBL3ケーブル組
1
21 401-61280 BASE-IO SB3-4 RLY CABLE ASM
BASE−IO SB3−4中継ケーブル組
1
22 401-61268 BASE-IO SENS CABLE ASM
BASE−IOセンサケーブル組
1
23 401-61269 BASE-IO SV CABLE ASM
BASE−IO SVケーブル組
1
24 401-61271 STOP SENS CABLE ASM(1500MM)
ストップセンサケーブル組(1500MM)
1
25 401-36110 CLAMP SENS LF ASM
クランプセンサ LF 組
1
26 401-61272 CLAMP F SENS CABLE ASM
クランプF センサケーブル組
1
27 401-36112 CLAMP SENS RF ASM
クランプセンサRF 組
1
28 401-36111 CLAMP SENS LR ASM
クランプセンサLR 組
1
29 401-61273 CLAMP R SENS CABLE ASM
クランプR センサケーブル組
1
30 401-36113 CLAMP SENS RR ASM
クランプセンサRR組
1
31 401-54793 PROXIMITY SENSOR CABLE ASM
近接センサケーブル組
1
32 401-61274 SUP TABLE SENS CABLE ASM
SUP テーブルセンサケーブル組
1
33 401-61275 STOP SV CABLE ASM(1200MM)
ストップSV ケーブル組(1200MM)
1
34 401-61282 SBL4 CABLE ASM
SBL4 ケーブル組
1
35 401-61276 STOP SV CABLE ASM(1500MM)
ストップSV ケーブル組(1500MM)
1
36 401-61277 CLAMP SV CABLE ASM
クランプSV ケーブル組
1
37 400-92630 BASE-IO POWER RLY CABLE ASM
BASE−IO 電源中継ケーブル組
1
38 401-10018 BASE-IO PWR CABLE ASM
BASE−IO 電源ケーブル組
1
39 400-92628 BASE-IO MTR1-3 RLY CABLE ASM
BASE−IO MTR1−3 中継ケーブル組
1
40 401-46443 MT1-3 PULSE CABLE ASM
MT1−3 プラスケーブル組
1
41 HM-0013200-00 MOTOR DRIVER
モータドライバ
1
42 401-46442 IN-MOTOR CABLE ASM
IN−MOTOR ケーブル組
1
43 400-48075 JOINT MOTOR ASM
ジョイントモータ組
1
44 401-46445 CENT/OUT MOTOR CABLE ASM
CENT/OUT モータケーブル組
1
45 401-46444 MOTOR DRIVER POWER CABLE ASM
モータドライバ電源ケーブル組
1
46 400-92626 BASE-IO ENC RLY CABLE ASM
BASE−IO ENC 中継ケーブル組
1
47 401-10043 AWC ENC CABLE ASM
AWC エンコーダケーブル組
1
48 E9434-729-0A0 WIDTH ADJUST MOTOR ASM.
自動幅調モ−タ組
1
49 400-92629 BASE-IO MTR4-5 RLY CABLE ASM
BASE−IO MTR4−5 中継ケーブル組
1
50 401-10037 AWC DRIVE CABLE ASM
AWCモータケーブル組
1
51
#01
401-10038 AWC DRIVE CABLE ASM(EN)
AWCモータケーブル組(EN)
1
52 HX-0042000-00 5 PHASE STEP DRIVER\N
5相ステッピングモータドライバ
1
53
#01
HX-0068900-00 5 PHASE STEP DRIVER\N
5相ステッピングモータドライバ
1
54 401-10039 AWC MOTOR CABLE ASM
AWC モータケーブル組
1
55
#01
401-10040 AWC MOTOR CABLE ASM(EN)
AWC モータケーブルクミ(EN)
1
56 401-10021 AWC DRV PWR CABLE ASM
AWC ドライバ電源ケーブル組
1
57
#01
401-10022 AWC DRV PWR CABLE ASM(EN)
AWC ドライバ電源ケーブル組(EN)
1
58 401-10041 AWC DRV FG CABLE ASM
AWC ドライバ FG ケーブル組
1
59
#01
401-10042 AWC DRV FG CABLE ASM(EN)
AWC ドライバ FG ケーブル組(EN)
1
60 400-92633 BASE-IO SOL RLY CABLE ASM
BASE−IO SOL 中継ケーブル組
1
61 401-10044 SV CABLE ASM
ソレノイドバルブケーブル組
1
62 401-48089 SV WIRE ASM
ソレノイドバルブ束線組
1
63 401-10047 SMEMA IN CABLE ASM
スメマ IN ケーブル組
1
64 401-10048 SMEMA OUT CABLE ASM
スメマ OUT ケーブル組
1
65 401-49489 POWER SUPPLY UNIT 10 ASM
電源ユニット10組
1
66
#01
401-49490 POWER SUPPLY UNIT 10 (EN) ASM
電源ユニット10(EN)組
1
67 401-23242 CPU BOARD
CPUボード
1
68 400-44522 USB RELAY CABLE
USB延長ケーブル
1
69 HW-0018100-80 LAN CABLE
LANケーブル
1
70 401-62854 ENVIRONMENT SYSTEM ASM JX-350
ENVIRONMENTシステム組 JX−350
1
71 400-03312 PANEL LINK CABLE
パネルリンクケーブル
1
72 401-48260 USB CABLE 3M
USBケーブル 3M
1
73 401-23194 USB KEY BOARD SP ASM
USBキーボードSP組
1
74 401-97864 SUPER IMPOSE BOARD
スーパーインポーズボード
1
75 401-48267 SENSOR RELAY CORD ASM
原点検出器中継コード組
1
76 401-58158 15INCH LCD MONITOR
15インチ LCDモニタ
1
77 401-46375 F-232C CABLE ASM
F−232Cケーブル組
1
78 401-29642 DVI CABLE L2.5M
DVIケーブル2.5M
1
79 401-35794 F_LCD PWR CABLE ASM
フロントLCD電源ケーブル組
1
80 401-46377 TOUCH PANEL 232C CABLE ASM
タッチパネル 232Cケーブル組
1
81 401-46438 ATX 232C CABLE ASM
ATX 232Cケーブル組
1
82 401-46346 ATX PSU
ATX電源
1
83 401-35975 SUPERIMPOSE BOARD POWER CABLE ASM
スーパーインポーズ基板電源束線組
1
84 401-61278 SUP TABLE SV CABLE ASM
SUP テーブルSVケーブル組
1
85 401-73438 MOTOR DRIVER CABLE ASM
モータドライバケーブル組
1
86 401-54209 2PHASE DRIVER PCB ASM
2相ドライバ基板組
1
87 401-73435 L2 MOTOR CABLE ASM
L2モータケーブル組
1
88 401-73436 C2 MOTOR CABLE ASM
C2モータケーブル組
1
89 401-73437 R2 MOTOR CABLE ASM
R2モータケーブル組
1
90 401-58136 2PHASE STEPPING MOTOR
2相ステッピングモータ
1