HF Circuit .pdf - 第229页
5 - 20 0035345 0-010 101ND 4 DC/DC conve rter +/ -15V (S h. 1 o f 2) 0035345 0-010 101ND 4 DC/DC conve rter +/ -15V (S h. 2 o f 2) P-SYS-0106- 128C- 710-V1-0 Mounting diagra m, component side DC/DC conve rt er +/- 1 5V 0…

5 - 19
00353449-020101ND4 DC/DC converter +5V +/-15V (Sh. 1 of 2)
00353449-020101ND4 DC/DC converter +5V +/-15V (Sh. 2 of 2)
pflichten zu Schadenersatz. Alle Rechte vorbehalten, ins
besondere für den Fall der Patenterteilung oder GM-Eintragung
P-SYS-9910-128-710-V1-0
Component layout, component side
DC/DC converter
+5V +/-15V
M
00353449-020101ND4
Sheet
2Sh.
1
SIEMENS AG
05.12.01
Feldmeth
Date
Name
05.12.01
Date NameModifiedStat.
01
wertung und Mitteilung ihres Inhalts nicht gestattet, soweit
Weitergabe sowie Vervielfältigung dieser Unterlage,Ver-
nicht ausdrücklich zugestanden. Zuwiderhandlungen ver-
Proprietary date, company confidential. All rights reserved.
Confie a titre de secret d'entreprise. Tous droits reserves.
Confiado como secrete industrial. Nos reservamos todos los derechos.
Comunicado como segredo empresarial. Reservados todos os direitos.
Layout, top:
pflichten zu Schadenersatz. Alle Rechte vorbehalten, ins
besondere für den Fall der Patenterteilung oder GM-Eintragung
wertung und Mitteilung ihres Inhalts nicht gestattet, soweit
Weitergabe sowie Vervielfältigung dieser Unterlage,Ver-
nicht ausdrücklich zugestanden. Zuwiderhandlungen ver-
Proprietary date, company confidential. All rights reserved.
Confie a titre de secret d'entreprise. Tous droits reserves.
P-SYS-9910-128-710-V1-0
Component layout, component side
DC/DC converter
+5V +/-15V
M
00353449-020101ND4
Sheet
2Sh.
2
SIEMENS AG
05.12.01
Feldmeth
Date
Name
05.12.01
Date NameModifiedStat.
01
Confiado como secrete industrial. Nos reservamos todos los derechos.
Comunicado como segredo empresarial. Reservados todos os direitos.
X1
Vout CH1 5V/15A CH2 15V/1.7A CH3 15V/1.7A
P-SYS-9910-128 Vin 36-72VDC/max. 4.5A
L&A EA 00353449-02
Siemens AG

5 - 20
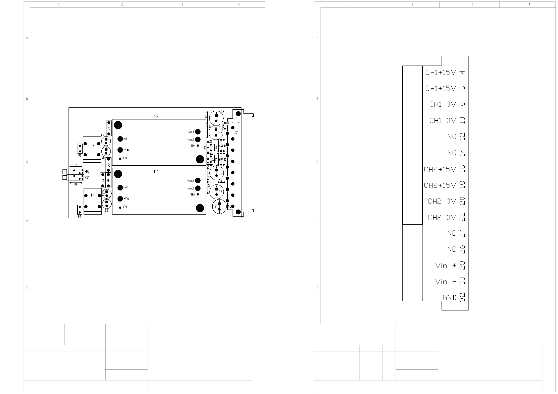
00353450-010101ND4 DC/DC converter +/-15V (Sh. 1 of 2)
00353450-010101ND4 DC/DC converter +/-15V (Sh. 2 of 2)
P-SYS-0106-128C-710-V1-0
Mounting diagram, component side
DC/DC converter
+/-15V
00353450-010101ND4
2
1
SIEMENS AG
06.12.01
Feldmeth
06.12.0101
Stat. Modified Date Name
Date
Name
Scale
Sheet
Sh.
P99081-001-V0
Placement topside (130 04 12.2001 9981-1v0.tc)
pflichten zu Schadenersatz. Alle Rechte vorbehalten, ins
besondere für den Fall der Patenterteilung oder GM-Eintragung
wertung und Mitteilung ihres Inhalts nicht gestattet, soweit
Weitergabe sowie Vervielfältigung dieser Unterlage,Ver-
nicht ausdrücklich zugestanden. Zuwiderhandlungen ver-
Proprietary date, company confidential. All rights reserved.
Confie a titre de secret d'entreprise. Tous droits reserves.
Confiado como secrete industrial. Nos reservamos todos los derechos.
Comunicado como segredo empresarial. Reservados todos os direitos.
X1
Siemens Dematic AG
SD EA 1 00353450-01
P-SYS-0106-128C Vin 36-72VDC/max.5A
Vout CH1 15V/5A CH2 15V/5A
P-SYS-0106-128C-710-V1-0
Mounting diagram, component side
DC/DC converter
+/-15V
00353450-010101ND4
2
2
SIEMENS AG
06.12.01
Feldmeth
06.12.0101
Stat. Modified Date Name
Date
Name
Scale
Sheet
Sh.

5 - 21
00353483-010401ND4 PCB 992, X/Y servo backplane (Sh. 1 of 2)
00353483-010401ND4 PCB 992, X/Y servo backplane (Sh. 2 of 2)
Modified Date Name
01.
02.
04.
03.
Stat.
Date
Name
Component layout, component side
2-layer PCB
PCB 992
Servo backplane X/Y
19.02.02
08.11.01
28.09.01
03.05.01
KL
KL
KL
KL
03.05.01
KLOSE
I&S IS MCH 2
SIEMENS AG
G32918 - N0043 - U021 - * - 0017
00353483-010401ND4
1 +
Sheet
Scale
1 : 1
pflichten zu Schadenersatz. Alle Rechte vorbehalten, ins
besondere für den Fall der Patenterteilung oder GM-Eintragung
wertung und Mitteilung ihres Inhalts nicht gestattet, soweit
Weitergabe sowie Vervielfältigung dieser Unterlage,Ver-
nicht ausdrücklich zugestanden. Zuwiderhandlungen ver-
Proprietary date, company confidential. All rights reserved.
Confie a titre de secret d'entreprise. Tous droits reserves.
Confiado como secrete industrial. Nos reservamos todos los derechos.
Comunicado como segredo empresarial. Reservados todos os direitos.
Stat.
04.
01.
03.
02.
Modified
19.02.02
Date
03.05.01
28.09.01
08.11.01
KL
KL
KL
KL
Name
SIEMENS AG
I&S IS MCH 2
Date
Name
03.05.01
KLOSE
G32918 - N0043 - U021 - * - 0017
00353483-010401ND4
Servo backplane X/Y
PCB 992
Component layout, solder side
2-layer PCB
Sheet
2 -
B = inspection label
A = identification label
Socket
Scale
1 : 1
pflichten zu Schadenersatz. Alle Rechte vorbehalten, ins
besondere für den Fall der Patenterteilung oder GM-Eintragung
wertung und Mitteilung ihres Inhalts nicht gestattet, soweit
Weitergabe sowie Vervielfältigung dieser Unterlage,Ver-
nicht ausdrücklich zugestanden. Zuwiderhandlungen ver-
Proprietary date, company confidential. All rights reserved.
Confie a titre de secret d'entreprise. Tous droits reserves.
Confiado como secrete industrial. Nos reservamos todos los derechos.
Comunicado como segredo empresarial. Reservados todos os direitos.
X5: 1, 2, 3, not used
X7: not used
X8, X9, X10: no jumpers