HF Circuit .pdf - 第34页
1 - 21 001 19 627-0 10301 LD3 Wiring for P CB dual conve yor (Sh . 4 of 6 ) Stand. Check. Author Date Status Mo dified Date SIEM ENS 00119627-010301LD3 PCB dual conveyor wiring Conversion board, assembly trough, track 1 …

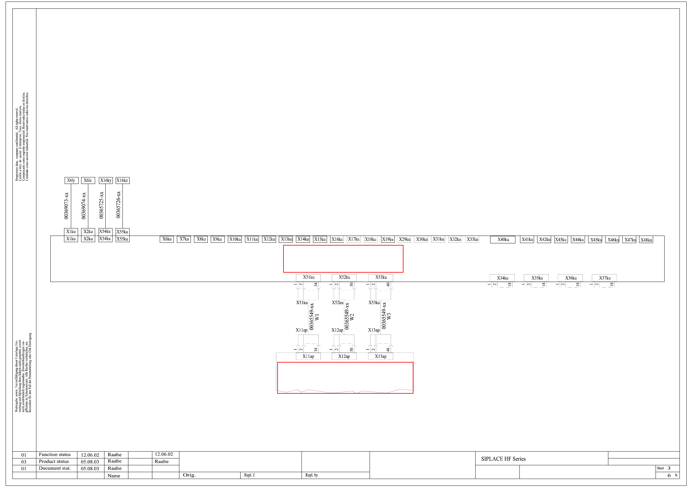
1 - 20
00119627-010301LD3 Wiring for PCB dual conveyor (Sh. 3 of 6)
00370398-xx
(ap)
00359425-xx
(ku)
Stand.
Check.
Author
Date
Status Modified Date
SIEMENS
00119627-010301LD3
Conversion board, assembly trough (track 2)
Conveyor control TSP-301E, extension board
Options, placement sector 1 (spare)
Options, placement sector 2 (spare)
Options, placement sector 2
Options, placement sector 1
Conversion board, lifting table track 2, placement sector 1
Conversion board, lifting table track 2, placement sector 2
Conversion board, side panel C
Conversion board, side panel D
PCB dual conveyor wiring
A&D EA
See page 5-32
See page 5-41

1 - 21
00119627-010301LD3 Wiring for PCB dual conveyor (Sh. 4 of 6)
Stand.
Check.
Author
Date
Status Modified Date
SIEMENS
00119627-010301LD3
PCB dual conveyor wiring
Conversion board, assembly trough, track 1
Conversion board, side panel BConversion board, side panel A
00359425-xx
00359424-xx
(kt)
(kv)
00359424-xx
(kw)
A&D EA
See page 5-31
See page 5-31
See page 5-32

1 - 22
00119627-010301LD3 Wiring for PCB dual conveyor (Sh. 5 of 6)
Conversion board, assembly trough, track 2
Conversion board, side panel C
Conversion board, side panel D
A&D EA
00359424-xx
(kz)
Date
Author
Check.
Stand.Status Modified Date
SIEMENS
00119627-010301LD3
PCB dual conveyor wiring
00359425-xx
00359424-xx
(ku)
(ky)
See page 5-31
See page 5-31
See page 5-32