HF Circuit .pdf - 第276页
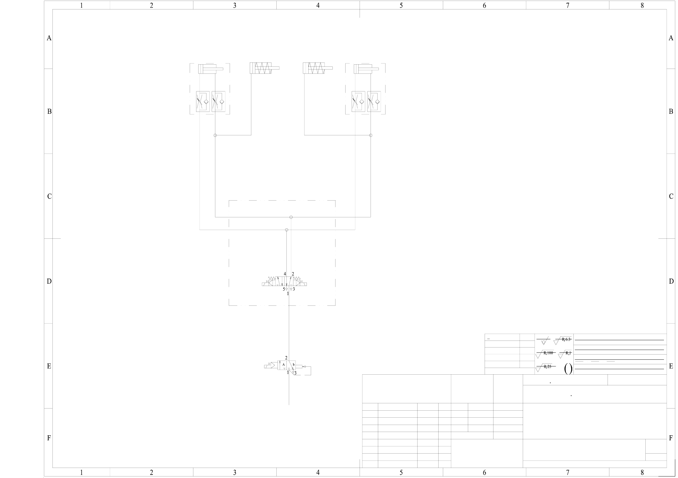
6 - 1 6 Pneumatic diagrams 0300048 7-050 201X D3 Siplace H F series, pneum atic tape cu tter 8 ) ( NN ± N medium 1 A3 1710xxx Xx xxx xxx xx P Depth:0. 3/ 2-5 um laye r (nickel- plate d) DS 01 FS0502 Compressed air supply…
6 - ii
SIPLACE HF Series Detailed Circuit Diagrams Folder
09/2005 US Edition

6 - 1
6 Pneumatic diagrams
03000487-050201XD3 Siplace HF series, pneumatic tape cutter
8
)(
NN ± N
medium
1
A3
1710xxx Xxxxx xxx xx P
Depth:0.3/
2-5 um layer (nickel-plated)
DS 01
FS0502
Compressed air supply for pneumatic block of the machine 5.2 bar
5
1
4
3
2
Ab
Valve 2
5
1
4
3
2
Ab
Valve 1
Ø 50 ; stroke 40
Cyl.2
Ø 50 ; stroke 40
Cyl.1
Drawings 2/A
Lanzinger17.01.02
Pneumatic tape cutter
03000487-050201XD3
1
FSDTDSPSFSMain no.
Dimens. variations:
Degree of accuracy
acc. to ISO 2768 mH
SIEMENS
A&D
Status Modified Date Name
Weitergabe sowie Vervielfältigung dieser Unterlage, Verwer-
tung und Mitteilung ihres Inhalts nicht gestattet, soweit nicht
ausdrücklich zugestanden. Zuwiderhandlungen verpflichten zu
Schadenersatz. Alle Rechte für den Fall der Patenterteilung
oder GM-Eintragung vorbehalten.
Copying of this document, and giving it to others and the use
or communication of the contents thereof, are forbidden with-
out express authority. Offenders are liable to the payment of
damages. All rights are reserved in the event of the grant of
a patent or the registration of a utility model or design.
Dimens. variations
<6
>6...30
>30...120
>120...400
>400...1000
±0.1
±0.2
±0.3
±0.5
±0.8
Surface.:
HRc tempered
case hardened
Name
Date
Author
Check.
Stand.
Scale
(Drawing number)
Format
(Material, semi-fin. products)
(Unmachined part no.)
(Model or swage no.)
z
R 100
z
R 25
z
R 6.3
z
R 1
Comprising
Coordinates list:
56784321
B
A
C
D
E
F
B
A
C
D
E
F
5674321
Sh.
Sheet
new
ECN 401637
nn.nn.nn
16.03.05
---
Schn
SIPLACE HF series

6 - 2
03001562-010501XD3 Siplace HF CO trolley docking unit
FSDTDSPSFSMain no.
Dimens. variations:
Degree of accuracy
acc. to ISO 2768 mH
SIEMENS
A&D EA
Status Modified Date Name
Weitergabe sowie Vervielfältigung dieser Unterlage, Verwer-
tung und Mitteilung ihres Inhalts nicht gestattet, soweit nicht
ausdrücklich zugestanden. Zuwiderhandlungen verpflichten zu
Schadenersatz. Alle Rechte für den Fall der Patenterteilung
oder GM-Eintragung vorbehalten.
Copying of this document, and giving it to others and the use
or communication of the contents thereof, are forbidden with-
out express authority. Offenders are liable to the payment of
damages. All rights are reserved in the event of the grant of
a patent or the registration of a utility model or design.
Dimens. variations
<6
>6...30
>30...120
>120...400
>400...1000
±0.1
±0.2
±0.3
±0.5
±0.8
Surface.:
HRc tempered
case hardened
Name
Date
Author
Check.
Stand.
Scale
(Drawing number)
Format
(Material, semi-fin. products)
(Unmachined part no.)
(Model or swage no.)
Comprising
Coordinates list:
Sh.
Sheet
1
03001562-010501XD3
SIPLACE HF series
Trolley dock. unit
21.02.2002 Berndl
r.modification appl. 16.07.02
Berndl
NN ± N
medium
1
A3
1710xxx Xxxxx xxx xx P
Depth:0.3/
2-5 µm layer (nickel-plated)
400156
CPE14-M1BH-3GL-1/8
CPE14-M1BH-5J-1/8
Left cylinder
Ø 50
Stroke 60
Right cylinder
Ø 50
Stroke 60
PUN-6
Left uncoupling cyl.
AEVC-20-10-P
Right uncoupling cyl.
AEVC-20-10-P
Setting the pneumatic cylinders
Docking out time: 2sec +500ms
Synchronous run of cylinders:+/-200ms
Docking in time: 2sec +500ms
Synchronous run of cylinders:+/-200ms
(250)(250)
(250)
(200)
(200)
(350)
(350)
(230)
(...) = recommended hose length