JX-300LED_使用说明书.pdf - 第246页

第 1 部 基本篇 第 3 章 维护 (2) 管道系统图 ( 贴片头 ) Blow-Sw P φ8 Vac-Sw エジェクタ フィルタ 圧力センサ ノズル 喷射泵 φ 8 过滤器 压力传感器 吸嘴 3-6

100%1 / 718
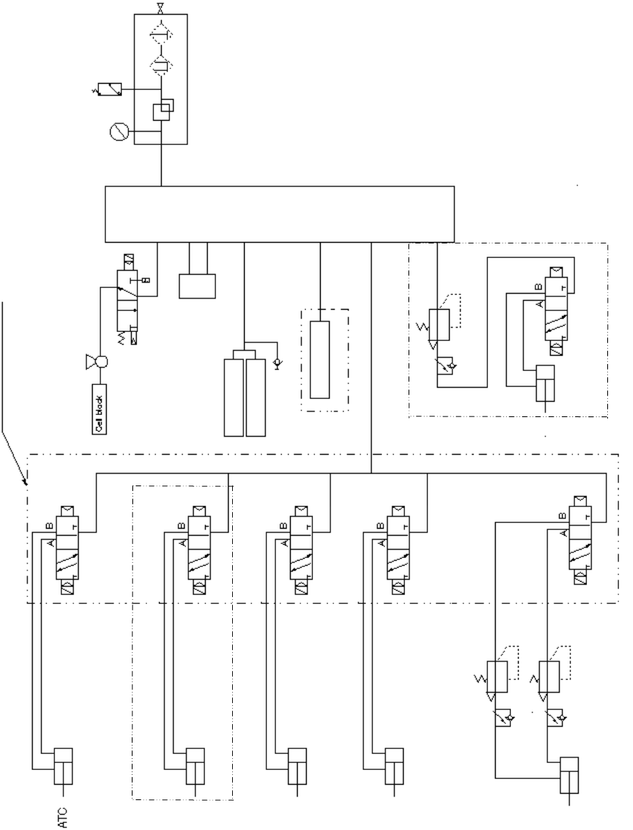
1 基本篇 3 维护
(1) 管道系统图(主机)
φ 12
工程配管
过滤器
调节器
雾分离
压力开关
压力表
复式接头
射器)
φ 6
φ 8
φ 8
φ 6
φ 6
φ 4
φ 6
贴片头单元
干式气缸 20L F
干式气缸
20R F
空气插口
F
后备气缸 R
BU 交换台
(选项)
带电磁阀的复式接头
传送螺线管
φ 4
φ 4
φ 4
φ 4
φ 4
AE/E
AE/E
φ 4
φ 4
(计量表 IN)
基板固定
挡块 2
挡块 1
φ 4
(
选项
)
φ 4
φ 4
φ 4
(计量表 IN)
AE/E
φ 4
φ 4
(选项)
挡块 3
φ 6
3-5
1 基本篇 3 维护
(2)管道系统图(贴片头)
Blow-Sw
P
φ8
Vac-Sw
エジェクタ
フィルタ
圧力センサ
ノズル
喷射泵
φ
8
过滤器
压力传感器
吸嘴
3-6
1 基本篇 3 维护
1) 请目检确认贴片头单元正面部过滤器箱内的空气过滤
器没有脏污。
检查过滤器脏污的方法
在主画面上选择「维护」→「机器自动校准」,再执行
「设置组」→「真空校准」(参见「10-2-6 真空校准」
执行结果若有问题,会显示提示,敦促更换。
2) 有脏污时,请更换新过滤器。
1)
把过滤器箱的「固定螺丝②」拧松,取下「过滤器箱 U 」。
2) 检查「过滤器③」有无脏污。
3)
若有脏污,应更换「过滤器箱 L④」中的「过滤器③」
4)
把「过滤器③」插入「过滤器箱 L④」,差到底,用「固定螺丝②」固定好。
(紧固力矩:0.7 N·m
此时,请确认
O F2⑤」是否正好套进「过滤器箱 L④」的沟里。
检查项目
3-2-5 空气过滤器(LNC60
实施频度 :每月
检查内容 检查空气过滤器脏污
更换 更换新的空气过滤器 使用工具 :六角扳手 更换标准: 6 个月
过滤器③ 件号:40046646
3-7