JX-300LED_使用说明书.pdf - 第52页
第 1 部 基本篇 第 1 章 设备概要 1-2-9 简称说明 简称 意 义 中文 英语 AT C 自动工具交换装置 (Auto T ool Change r) BMR 坏板标记识别器 (Bad Mark Reader) EPU 外部编程装置 (External Programm ing Unit) FPI 送料器位置指示器 (Feeder Positi on Indicator) HMS 高度测量装置 (Height M easure…

第 1 部 基本篇 第 1 章 设备概要
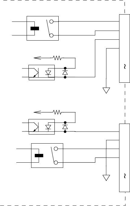
◇ READY OUT(IN)信号与 BOARD AVAILABLE 信号的接口电路图示 1-2-8-4 如下。
依据SMEMA规格。
图1-2-8-4
GND(24V)
+
+
24V
3.3K 1/4W
READY OUT +
BOARD AVAILABLE IN +
READY OUT
-
BOARD AVAILABLE IN -
N.C.
1
2
3
4
5
14
READY IN +
BOARD AVAILABLE OUT +
READY IN -
BOARD AVAILABLE OUT -
N.C.
1
2
3
4
5
14
+ 24V
3.3K 1/4W
+
GND(
24V)
1-35

第 1 部 基本篇 第 1 章 设备概要
1-2-9 简称说明
简称
意 义
中文 英语
ATC 自动工具交换装置 (Auto Tool Changer)
BMR 坏板标记识别器 (Bad Mark Reader)
EPU 外部编程装置 (External Programming Unit)
FPI 送料器位置指示器 (Feeder Position Indicator)
HMS 高度测量装置 (Height Measurement System)
HOD 手控操作盘 (Handheld Operating Device)
LNC 激光校准新概念 (Laser align New Consept)
MTS 矩阵托盘服务器 (Matrix Tray Server)
OCC 位置校正摄像机 (Offset Correction Camera)
PWB 基板 (Printed Wiring Board)
1-36

第 1 部 基本篇 第 1 章 设备概要
1-3 基本操作
1-3-1 画面的构成
图1-3-1-1 桌面画面
④ 工具
⑦ 状态栏
⑧ 命令按钮
② 菜单栏
①标题栏
⑨ 语言切换按钮
1-37