PTS-NXT2-01JE.pdf - 第118页
Ref.BED Ref.BED a1 a1 a2 a2 UH00835 118 PTS-NXT2-01JE Vol.1

H04 HEAD 3/4
H04 ヘッド 3/4 UH00835
No. Drg.No. & Code No. QTY Description Rating Materials Remarks
番号 図番 & コード番号 個数 品名 規格 材質 備考
69 H5276A 4 BOLT, HEX SOCKET ボルト 六角穴 M03X010 FE
70 W1010A 4 WASHER, CONICAL ワッシャ 皿 M- 3-L FE
72 AA0AL03 4 FILTER フィルタ OT
73 PH00311 4 HOLDER ホルダ PL
74 XH00401 4 FILTER フィルタ OT
75 A5188S 8 O RING Oリング ゚3.0X0.5(FKM70) OT
76 A51906 8 O RING Oリング ゚4.20X0.53(FKM70) OT
77 PZ14371 2 SPRING スプリング FE
78 H5065A 2 BALL, STEEL ボール スチール 3M/M FE
79 R5006A 2 ROLLER, NEEDLE ローラ ニードル ゚2.0X6.8AW6C3 OT
80 XS01183 4 SPOOL スプール OT
81 PM35011 4 GUIDE ガイド AL
82 H5267A 4 BOLT, HEX SOCKET ボルト 六角穴 M02X008 FE
83 A50545 3 O RING Oリング ゚17.9X1.1(NBR) OT
84 PZ27652 8 RING, FELT リン
グ
フェルト OT
117
PTS-NXT2-01JE Vol.1

Ref.BED
Ref.BED
a1a1
a2a2
UH00835
118
PTS-NXT2-01JE Vol.1

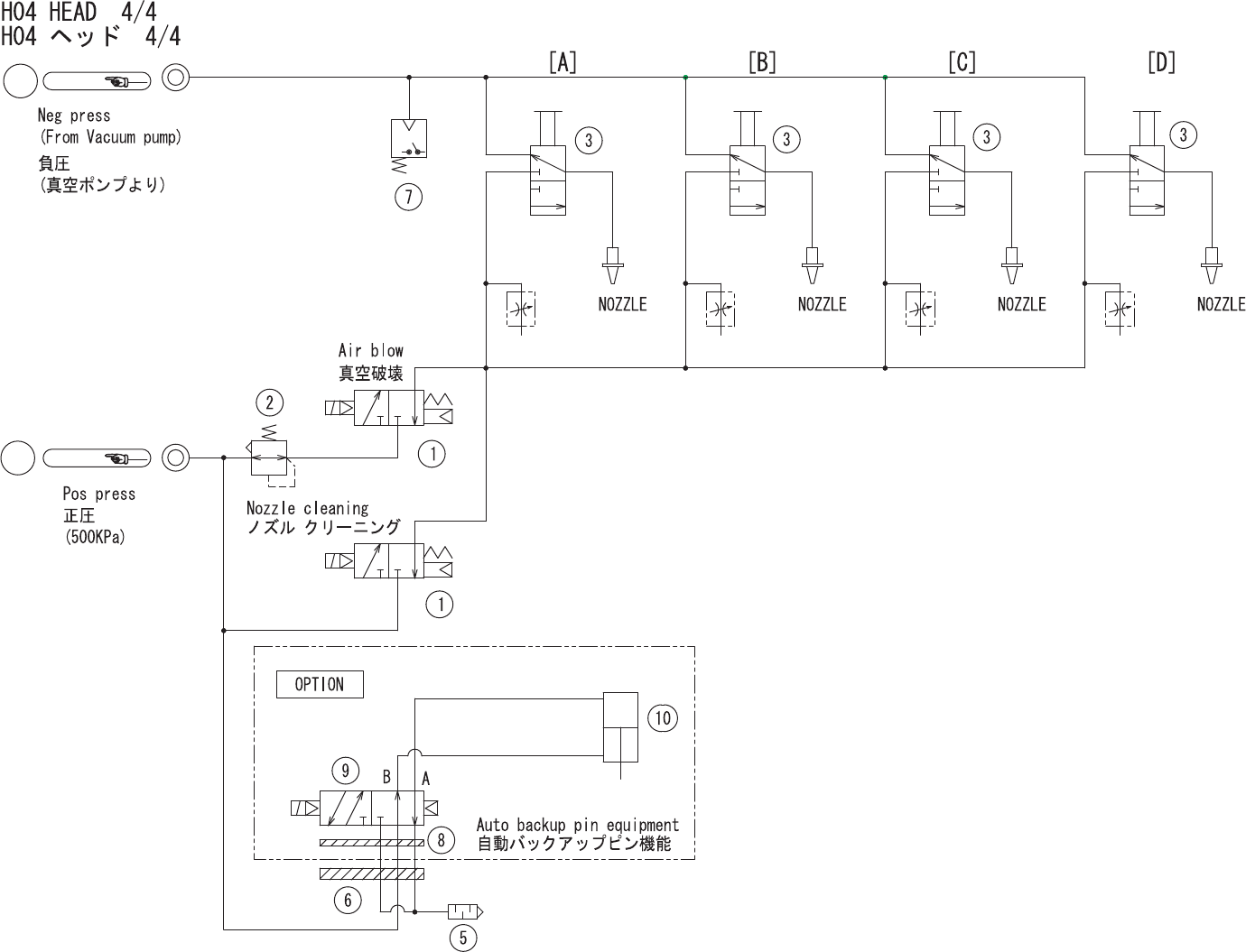
H04 HEAD 4/4
H04 ヘッド 4/4 UH00835
No. Drg.No. & Code No. QTY Description Rating Materials Remarks
番号 図番 & コード番号 個数 品名 規格 材質 備考
1 XB03330 2 VALVE, SOL バルブ SOL OT
2 XB00763 1 VALVE, PRESSURE REDUCING バルブ 減圧 OT
3 XS01183 8 SPOOL スプール OT
5 S1058B 1 SILENCER サイレンサ AN120-M3 OT
6 H3176D 1 PLATE プレート SYJ3000-21-2A OT
7 XS00842 1 SENSOR, PRESSURE センサ 圧力 OT
8 PJ06031 1 PLATE, ACRYLIC プレート アクリル OT
9 H1122D 1 VALVE, SOL バルブ SOL SYJ3140-5M0U FE
10 XS01841 1 CYLINDER シリン
ダ
OT
119
PTS-NXT2-01JE Vol.1