PTS-NXT2-01JE.pdf - 第140页
Ref.BED Ref.BED a1 a1 a2 a2 UH00652 140 PTS-NXT2-01JE Vol.1

This page intentionally blank.
139
PTS-NXT2-01JE Vol.1

Ref.BED
Ref.BED
a1a1
a2a2
UH00652
140
PTS-NXT2-01JE Vol.1

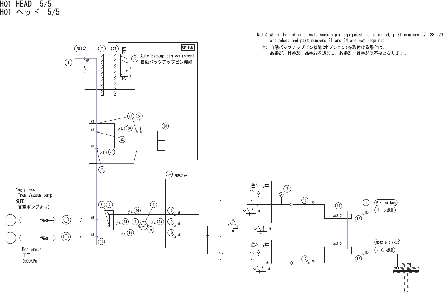
H01 HEAD 5/5
H01 ヘッド 5/5 UH00652
No. Drg.No. & Code No. QTY Description Rating Materials Remarks
番号 図番 & コード番号 個数 品名 規格 材質 備考
1 PT01514 1 BODY 本体 FE
4 AA37129 1 HOUSING ハウジング OT
5 PM35524 1 BOLT, JOINT ボルト ジョイント FE
6 XS01582 1 SENSOR センサ OT
7 S4033G 1 SENSOR, PRESSURE センサ 圧力 PSE543-M5 OT
8 A4067T 2 ELBOW エルボ M-5ALHU-4 OT
9 A4068H 2 ELBOW エルボ M-5ALU-4 OT
10 N2030T 3 NIPPLE ニップル M-5AU-4 OT
11 A4067A 1 ELBOW エルボ M-3ALU-4 OT
12 A4068G 4 ELBOW エルボ M-5ALU-3 OT
14 PZ14431 1 TUBE チューブ PL
15 PZ24381 1 TUBE チューブ PL
16 PZ07472 2 TUBE チューブ OT
17 PZ09531 1 HOSE, AIR ホース エアー OT
19 RH04337 1 HARNESS ハーネス OT
20 S1058B 1 SILENCER サイレンサ AN120-M3 OT
21 H3176D 1 PLATE プレート SYJ3000-21-2A OT
22 A4067G 1 ELBOW エルボ M-3AU-3 OT
23 A40669 3 ELBOW エルボ M-3ALU-3 OT
24 N1108K 1 NUT, DOMED CAP ナット 六角袋 M3 ステンレス FE
25 PZ15280 1 TUBE チューブ OT
26 PZ15270 1 TUBE チューブ OT
27 H1122D 1 VALVE, SOL バルブ SOL SYJ3140-5M0U OT
Auto back-up pin Chuck(OPTION)
28 XS01853 1 CYLINDER シリンダ OT Auto back-up pin Chuck(OPTION)
29 PJ06430 1 PLATE, ACRYLIC プレート アクリル OT Auto back-up pin Chuck(OPTION)
34 XB02472 1 VALVE UNIT バル
ブ
ユニット OT
141
PTS-NXT2-01JE Vol.1