PTS-NXT2-01JE.pdf - 第442页
A B B A A A A A A A A Ba Ba B B B B B B OPTION DETAIL A A DETAIL B B DETAIL Ba Ba 7 6 9 8 2 5 4 1 3 36 11 12 14 14 15 15 13 13 16 17 20 18 19 10 21 22 29 42 44 43 39 40 41 24 25 23 30 30 31 32 31 32 35 34 33 38 37 16 2 4…

This page intentionally blank.
67
PTS-NXT2-01JE Vol.2

A
BB
AA
AA
AA
AA
BaBa
BB
BB
BB
OPTION
DETAIL AA
DETAIL BB
DETAIL BaBa
7
6
9
8
2
5
4
1
3
36
11
12
14
14
15
15
13
13
16
17
20
18
19
10
21
22
29
42
44
43
39
40
41
24
25
23
30
30
31
32
31
32
35
34
33
38
37
16
2
4
QK01F02
68
PTS-NXT2-01JE Vol.2

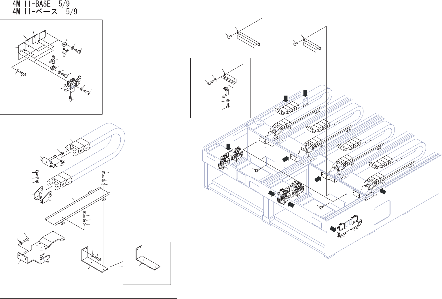
4M II-BASE 5/9
4M II-ベース 5/9 QK01F02
No. Drg.No. & Code No. QTY Description Rating Materials Remarks
番号 図番 & コード番号 個数 品名 規格 材質 備考
1 PB008L0 1 COVER, SWITCH カバー SW FE
2 K5173H 4 SCREW, C/R TRUSS 小ネジ 十穴トラス M04X012(3カ シロ) FE
3 PB008K0 1 COVER, SWITCH カバー SW FE
4 K5173H 4 SCREW, C/R TRUSS 小ネジ 十穴トラス M04X012(3カ シロ) FE
5 PB009D0 2 BKT BKT FE OPTION
6 H5298A 4 BOLT, HEX SOCKET ボルト 六角穴 M05X010 FE
7 W1023A 4 WASHER, LOCK ワッシャ スプリング 5M/M FE
8 K51699 8 SCREW, C/R PAN 小ネジ 十穴鍋 M03X006 ステンレス FE
9 W1021A 8 WASHER, LOCK ワッシャ スプリング 3M/M FE
10 PB005K0 4 BKT, VALVE BKT バルブ FE
11 H5288A 8 BOLT, HEX SOCKET ボルト 六角穴 M04X010 FE
12 W1022A 8 WASHER, LOCK ワッシャ スプリング 4M/M FE
13 H5056N 16 HOLDER ホルダ TMH-06J FE
14 H5280A 16 BOLT, HEX SOCKET ボルト 六角穴 M03X020 FE
15 W1021A 16 WASHER, LOCK ワッシャ スプリング 3M/M FE
16 K5340Y 16 CONTROLLER, SPEED コントローラ スピード AS2001F-06(シロ) OT
17 H1338F 8 VALVE, SOL バルブ SOL SY5220-5MO-C6-F2-X274 OT
18 H5274A 16 BOLT, HEX SOCKET ボルト 六角穴 M03X006 FE
19 W1021A 16 WASHER, LOCK ワッシャ スプリング 3M/M FE
20 S1056E 16 SILENCER サイレンサ AN103-01 OT
21 PX02342 4 NAMEPLATE, SOL 銘板 SOL PL
22 PX02352 4 NAMEPLATE, SOL 銘板 SOL PL
23 PB013N1 4 BKT BKT FE
24 H5321A 8 BOLT, HEX SOCKET ボルト 六角穴 M06X012 FE
25 W1024A 8 WASHER, LOCK ワッシャ スプリング 6M/M FE
29 PB92292 4 HOLDER 受け FE
30 H5287A 12 BOLT, HEX SOCKET ボルト 六角穴 M04X008 FE
31 W1022A 12 WASHER, LOCK ワッシャ スプリング 4M/M FE
32 W1043A 12 WASHER, FLAT ワッシャ 平 4W- 4 FE
33 PB92301 3 BKT BKT FE
34 H5298A 8 BOLT, HEX SOCKET ボルト 六角穴 M05X010 FE
35 W1023A 8 WASHER, LOCK ワッシャ スプリング 5M/M FE
36 PB92311 1 BKT BKT FE
37 PB92351 4 BKT BKT FE
38 PB92361 4 BKT BKT FE
39 K5262B 16 SCREW, HEX SOCKET BUTTON 小ネジ 六角穴ボタン M06X012 FE
40 W1024A 16 WASHER, LOCK ワッシャ スプリング 6M/M FE
41 W1045A 16 WASHER, FLAT ワッシャ 平 4W- 6 FE
69
PTS-NXT2-01JE Vol.2