PTS-NXT2-01JE.pdf - 第157页
PARTS CAMERA(SIDE LIGHT TYPE) パーツカメラ(サイドライト仕様) UG00514 No. Drg.No. & Code No. QTY Description Rating Materials Remarks 番号 図番 & コード番号 個 数 品名 規格 材質 備考 1 H2093E 2 PIN, PARALLEL ピン 平行 ゚4X10 Aシュ ステンレス OT 2 XR00241 1 …

AA
Ref.
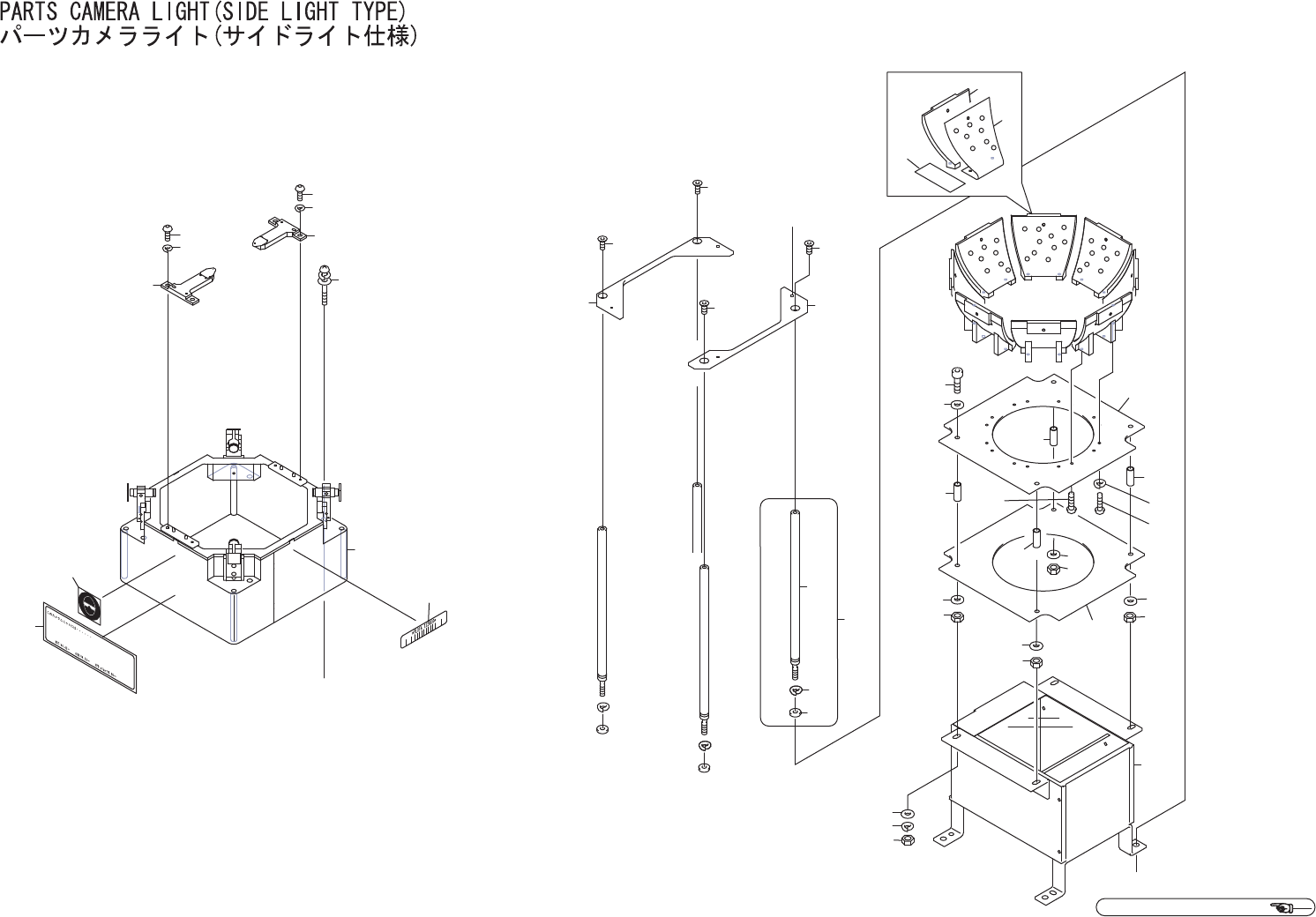
PARTS CAMERA LIGHT(SIDE LIGHT)
1
10
6
10
12
11
1
14
7
8
9
10
10
2.1
15
2
5
4
3
13
5
4
3
5
4
3
UG00514
156
PTS-NXT2-01JE Vol.1

PARTS CAMERA(SIDE LIGHT TYPE)
パーツカメラ(サイドライト仕様) UG00514
No. Drg.No. & Code No. QTY Description Rating Materials Remarks
番号 図番 & コード番号 個数 品名 規格 材質 備考
1 H2093E 2 PIN, PARALLEL ピン 平行 ゚4X10 Aシュ ステンレス OT
2 XR00241 1 LENS レンズ OT
2.1 . 1 SCREW, HEX SOCKET SET ネジ 六角穴止め M04X005 FE ACC-2
3 H5178A 3 BOLT, HEX ボルト 六角 M05X020 FE
4 W1023A 3 WASHER, LOCK ワッシャ スプリング 5M/M FE
5 W1044A 3 WASHER, FLAT ワッシャ 平 4W- 5 FE
6 PM60343 1 BKT BKT FE
7 H5295A 4 BOLT, HEX SOCKET ボルト 六角穴 M04X035 FE
8 W1022A 4 WASHER, LOCK ワッシャ スプリング 4M/M FE
9 W1040S 4 WASHER, FLAT ワッシャ 平 4M/MX0.8X9(1W-4)(3カ クロ) FE
10 PJ06591 4 BUSHING ブシュ PL
11 PH00371 1 BKT BKT OT
12 K5357T 2 SCREW, HEX SOCKET COUNTERSUNK 小ネジ 六角穴皿 M03X008 FE
13 XK00795 1 CAMERA カメラ OT
14 PX04042 1 SEAL, BAR CODE シール バーコード OT
15 PG04703 1 SEAL, RUBBER シール
ゴ
ムPL
157
PTS-NXT2-01JE Vol.1

AA
BB
BB
Ref.
PARTS CAMERA(SIDE LIGHT)
12
15
14
13
7
6
21
20
20
22
20
20
22
22
22
15
15
15
16
22
15
43
44
45
46
8
11
10
48
18
17
17
49
39
24
5
1
1
2
3
2
3
47
47
47
47
23
UG00514
158
PTS-NXT2-01JE Vol.1