PTS-NXT2-01JE.pdf - 第680页
k k J J Ref.DEVICE BASE Ref.DEVICE BASE QK15825 114 PTS-NXT2-01JE Vol.3

This page intentionally blank.
113
PTS-NXT2-01JE Vol.3

kkJJ
Ref.DEVICE BASE
Ref.DEVICE BASE
QK15825
114
PTS-NXT2-01JE Vol.3

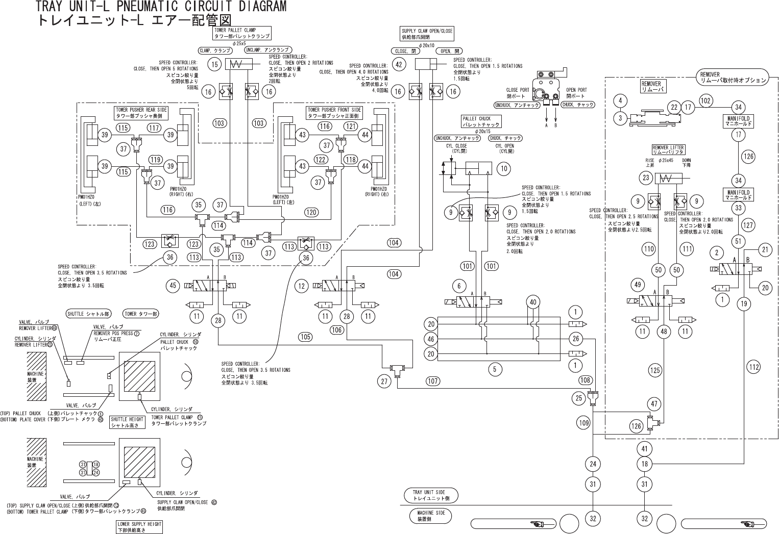
TRAY UNIT-L PNEUMATIC CIRCUIT DIAGRAM
トレイユニット-L エアー配管図 QK15825
No. Drg.No. & Code No. QTY Description Rating Materials Remarks
番号 図番 & コード番号 個数 品名 規格 材質 備考
1 S1056E 3 SILENCER サイレンサ AN103-01 OT
2 H1122N 1 VALVE, SOL バルブ SOL SY7120-5LO-C8-F2 OT
3 S4033G 1 SENSOR, PRESSURE センサ 圧力 PSE543-M5 OT
4 A10405 1 AMPLIFIER アンプ PSE305-MLAC OT
5 M1034R 1 MANIFOLD マニホールド SS5Y3-41-02-C6 OT
6 H1122H 1 VALVE, SOL バルブ SOL SY3140-5L0 OT
9 K5337R 4 CONTROLLER, SPEED コントローラ スピード AS1201F-M5-06(シロ) OT
10 XS01871 1 CYLINDER シリンダ OT
11 S1058A 6 SILENCER サイレンサ AN120-M5 OT
12 H1122G 1 VALVE, SOL バルブ SOL SY3120-5L0-C4-F2 OT
15 S21075 1 CYLINDER, AIR シリンダ エアー CDQ2B25-5DC-F7BVL OT
16 K5337G 4 CONTROLLER, SPEED コントローラ スピード AS1201F-M5-04 (シロ) OT
17 Y3079S 2 UNION, ELBOW ユニオン エルボ KQ2L08-01S OT
18 Y3080A 1 UNION, ELBOW ユニオン エルボ KQ2L10-02S OT
19 Y30865 1 UNION, HALF ユニオン ハーフ KQ2S10-02S OT
20 H31450 3 PLUG プラグ 1/8 OT
21 H3145M 1 PLUG プラグ KQ2P-08 OT
22 XH00910 1 GENERATOR, VACUUM 発生器 真空 OT
23 S21148 1 CYLINDER, AIR シリンダ エアー CDQSB25-45DCM-M9BL OT
24 Y3079T 1 UNION, ELBOW ユニオン エルボ KQ2L08-02S OT
25 K5586A 1 CONNECTOR コネクタ KQ2U08-00 OT
26 Y30860 1 UNION, HALF ユニオン ハーフ KQ2S08-01S OT
27 Y3071C 1 UNION ユニオン KQ2T06-08 OT
28 Y3086Y 2 UNION, HALF ユニオン ハーフ KQ2S06-M5 OT
31 XP00660 2 PLUG, COUPLER プラグ カプラ OT
32 XS01130 2 SOCKET, COUPLER ソケット カプラ OT
33 Y3066Z 1 UNION ユニオン KQ2E08-01 OT
34 Y3126A 2 UNION, ELBOW ユニオン エルボ KSL08-01S OT
35 Y3069T 2 UNION ユニオン KQ2T04-00 OT
36 K5335W 2 CONTROLLER, SPEED コントローラ スピード AS1001F-04シロ OT
37 Y30742 6 UNION ユニオン KQ2U04-00 OT
39 A4067T 4 ELBOW エルボ M-5ALHU-4 OT
40 H3243B 1 COVER, BLIND 蓋 盲 SY3000-26-9A OT
41 H3145S 1 PLUG プラグ KQ2P-10 OT
42 S21146 1 CYLINDER, AIR シリンダ エアー CDQSB20-10D-M9BVL OT
43 Y30824 2 UNION, HALF ユニオン ハーフ KQ2H04-M5 OT
44 A4066M 2 ELBOW エルボ KQ2L04-M5 OT
45 H1122L 1 VALVE, SOL バルブ SOL SY3220-5LOC4-F2 OT
115
PTS-NXT2-01JE Vol.3