PTS-NXT2-01JE.pdf - 第209页
This page intentionally blank. 209 PTS-NXT2-01JE Vol.1

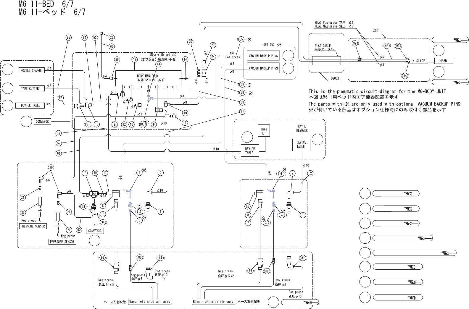
M6 II-BED 5/7
M6 II-ベッド 5/7 QK02T03
No. Drg.No. & Code No. QTY Description Rating Materials Remarks
番号 図番 & コード番号 個数 品名 規格 材質 備考
38 W1013A 2 WASHER, CONICAL ワッシャ 皿 M- 6-H FE
39 PZ14391 2 SPRING スプリング FE
40 PM00672 2 SHAFT シャフト FE
41 PT00123 1 BKT BKT FE
42 H5299A 2 BOLT, HEX SOCKET ボルト 六角穴 M05X012 FE
43 W1012A 2 WASHER, CONICAL ワッシャ 皿 M- 5-L FE
44 PM00704 1 PIN ピン FE
45 PM00693 1 LEVER レバー FE
46 PM00872 1 PLATE プレート FE
47 H5288A 2 BOLT, HEX SOCKET ボルト 六角穴 M04X010 FE
48 W1022A 2 WASHER, LOCK ワッシャ スプリング 4M/M FE
49 PM00712 1 PIN, PIVOT ピン 支点 FE
50 W1012A 1 WASHER, CONICAL ワッシャ 皿 M- 5-L FE
51 N1084B 1 NUT, HEX ナット 六角 M05 3シュ(3カ クロ) FE
52 PP01581 1 BKT BKT FE
53 H5288A 2 BOLT, HEX SOCKET ボルト 六角穴 M04X010 FE
54 W1022A 2 WASHER, LOCK ワッシャ スプリング 4M/M FE
55 XW00071 1 WIRE ワイヤ OT
56 PM52621 1 PIN ピン FE
56.1 S1003E 1 CIR-CLIP サークリッ
プ
ST-EW-3(3カ シロ) OT
208
PTS-NXT2-01JE Vol.1

This page intentionally blank.
209
PTS-NXT2-01JE Vol.1

A
ff
ee
dd
bb
bb
c1c1
c2c2
ii
hh
Ref.BASE
gg
Ref.HEAD
Ref.HEAD
a1a1
a2a2
Ref.DEVICE BASE
Ref.DEVICE BASE
ii
hh
Ref.DEVICE BASE
ff
ee
Ref.WASTE TAPE PROCESSING UNIT
dd
Ref.NOZZLE CHANGER
c1c1
Ref.CONVEYOR
bb
Ref.CONVEYOR
c2c2
Ref.CONVEYOR
QK02T03
210
PTS-NXT2-01JE Vol.1