PTS-NXT2-01JE.pdf - 第742页
T3 T4 G G Ref.1/ DET AIL T4 DET AIL T3 7 8 8 1 11 13 16 17 13 9 10 5 6 16 17 12 13 13 2 3 4 14 14 18 26 27 28 26 27 28 29 30 31 29 30 31 33 34 35 36 37 35.1 36 37 38 39 40 38 39 40 48 47 47 50 51 52 18.1 18 18.1 26.1 26.…

PCU 3/4 UX04204(M3S,M3II)
UX04304(M6S,M6II)
No. Drg.No. & Code No. QTY Description Rating Materials Remarks
番号 図番 & コード番号 個数 品名 規格 材質 備考
89 T2124D 2 HINGE 蝶番 TH-TM-9<TG> OT
90 K5357L 6 SCREW, HEX SOCKET COUNTERSUNK 小ネジ 六角穴皿 M03X006(3カ シロ) FE
91 K53579 6 SCREW, HEX SOCKET COUNTERSUNK 小ネジ 六角穴皿 M03X010(3カ シロ) FE
92 W1106C 6 WASHER, LOCK ワッシャ スプリング 3M/M(3カ シロ) FE
93 N1079F 6 NUT, HEX ナット 六角 M03(3カ シロ) FE
94 PX06041 1 NAMEPLATE, OPERATION 銘板 操作 OT
95 R2027L 1 RING リン
グ
リン-B101 OT
175
PTS-NXT2-01JE Vol.3

T3
T4
GG
Ref.1/
DETAIL T4
DETAIL T3
7
8
8
1
11
13
16
17
13
9
10
5
6
16
17
12
13
13
2
3
4
14
14
18
26
27
28
26
27
28
29
30
31
29
30
31
33
34
35
36
37
35.1
36
37
38
39
40
38
39
40
48
47
47
50
51
52
18.1
18
18.1
26.1
26.1
41
42
43
41
42
43
54
55
56
53
54
55
56
53
11.1
11.1
11.2
11.2
11.3
11.3
11.4
11.4
21
22
23
19
20
19
20
21
22
23
24
25
21
22
23
19
20
19
20
21
22
23
24
25
44
44
UX04304(M6S,M6II)
UX04204(M3S,M3II)
176
PTS-NXT2-01JE Vol.3

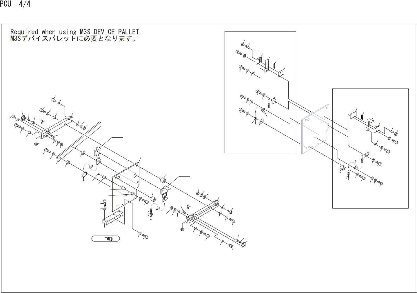
PCU 4/4 UX04204(M3S,M3II)
UX04304(M6S,M6II)
No. Drg.No. & Code No. QTY Description Rating Materials Remarks
番号 図番 & コード番号 個数 品名 規格 材質 備考
1 PM02FD1 1 PLATE, ARM プレート アーム AL
2 H54272 3 BOLT, HEX SOCKET ボルト 六角穴 M06X020(3カ シロ) FE
3 W1106F 3 WASHER, LOCK ワッシャ スプリング 6M/M(3カ シロ) FE
4 PM08HS0 1 BLOCK ブロック AL
5 H54276 3 BOLT, HEX SOCKET ボルト 六角穴 M06X035(3カ シロ) FE
6 W1106F 3 WASHER, LOCK ワッシャ スプリング 6M/M(3カ シロ) FE
7 PB77980 1 PLATE プレート FE
8 PM84322 2 COLLAR カラー FE
9 H54273 2 BOLT, HEX SOCKET ボルト 六角穴 M06X022(3カ シロ) FE
10 W1013A 2 WASHER, CONICAL ワッシャ 皿 M- 6-H FE
11 PB78023 1 ARM アーム FE
11.1 PM034K1 2 RETAINER, BEARING 押え ベアリング FE
11.2 PM034H1 2 SHAFT シャフト FE
11.3 H42256 2 BEARING ベアリング RNAST 5 OT
11.4 K5361T 4 SCREW, HEX SOCKET COUNTERSUNK 小ネジ 六角穴皿 M05X012 FE
12 PB78013 1 ARM アーム FE
13 PM88101 4 PIN ピン FE
14 PM02FC1 1 HOLDER ホルダ FE
16 H5427E 2 BOLT, HEX SOCKET ボルト 六角穴 M05X018(3カ シロ) FE
17 W1106E 2 WASHER, LOCK ワッシャ スプリング 5M/M(3カ シロ) FE
18 H5427F 2 BOLT, HEX SOCKET ボルト 六角穴 M05X020(3カ シロ) FE
18.1 W1106E 2 WASHER, LOCK ワッシャ スプリング 5M/M(3カ シロ) FE
19 K1113Z 4 CAM FOLLOWER カムフォロア CF06-A (TN32,TNW32) OT
20 W10877 4 WASHER ワッシャ WSSB12-6-3 OT
21 N1079K 4 NUT, HEX ナット 六角 M06(3カ シロ) FE
22 W1106F 4 WASHER, LOCK ワッシャ スプリング 6M/M(3カ シロ) FE
23 W1108F 4 WASHER, FLAT ワッシャ 平 4W-6(3カ シロ) FE
24 PM92191 2 PIN ピン FE
25 N1079Z 2 NUT, HEX ナット 六角 M06 3シュ(3カ シロ) FE
26 PM02EL0 2 GUIDE ガイド FE
26.1 PB77851 2 BKT BKT FE
27 H5426N 4 BOLT, HEX SOCKET ボルト 六角穴 M04X015(3カ シロ) FE
28 W1011A 4 WASHER, CONICAL ワッシャ 皿 M- 4-L FE
29 PB82960 2 PLATE プレート FE
30 H54252 4 BOLT, HEX SOCKET ボルト 六角穴 M03X008(3カ シロ) FE
31 W1106C 4 WASHER, LOCK ワッシャ スプリング 3M/M(3カ シロ) FE
33 PB82970 1 STOPPER ストッパ FE
34 PB82980 1 STOPPER ストッパ FE
177
PTS-NXT2-01JE Vol.3