A30C&D-AS(IN)联体机操作说明书-REV03 2019.12.05(未发行)(1).pdf - 第65页
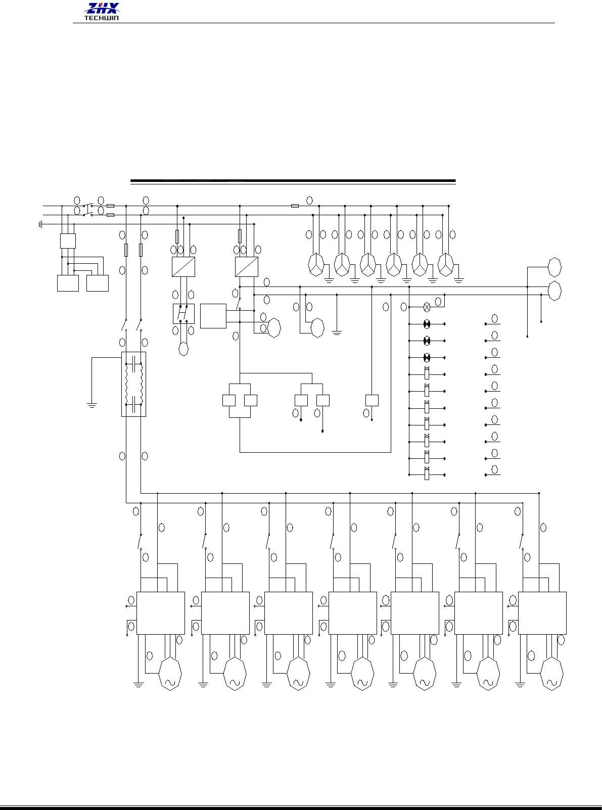
ZHX-A30C& D-AS(I N) 自动卧式联 体插件机操作 说明书 深圳市中禾 旭精密机械有 限公司 http:// www .z kdip.com - 65 - 第七 章 机器 电路 简图 一 、电路接线图 ZHX-A30-AS/-IN 联体插件机电路总图 H L 相 机 光 源 K A 4 L N F U 1 N F B 2 滤 波 器 N F B 1 S S R 1 F U 2 X G - 4 0 0 0 卧 式 联…

ZHX-A30C&D-AS(IN) 自动卧式联体插件机操作说明书
深圳市中禾旭精密机械有限公司 http:// www.zkdip.com
- 64 -
WS1D-08002 断导致勾刀
没弹性
更换弹簧片 WS1D-08002
伺服器参数设置不当
重新设置
LT1D-05001 破损
更换左下切刀
LT1D-05001
座标走位
调好用一段时间又
走位
同步带太松
调整同步带的松紧
转盘底下 X、Y 轴螺丝松
动
需检查锁紧松动的螺丝
抱箍不紧
更换抱箍
编码器信号线断
更换
马达或驱动器坏
更换
故障部位
故障现象
故障原因
故障排除
掉料
掉料
LT1D-0503、LT1D-05037
摆动太大
更 换 LT1D-05051 、
LT1D-05035
内外成型刀出现破裂
更换
剪脚器气缸密封不好
检查并维修
剪脚
剪脚却不弯脚
底座气缸坏
更换
不剪脚
驱动底座气缸电磁阀坏
检查并更换
空心销断或松脱
检查并更换
WS1D-10018 或
WS1D-10017 磨损
更换刀
引线
引线被打弯,
但未切割
程序坐标问题
校准程序坐标
插件
插入不良
LT1D-05027 销松动
更换 LT1D-05027
成型问题
检查上成型刀与下成型
刀之间间隙与磨损程度,
更换
WS1D-05011 磨损间隙大
更换 WS1D-05011
转盘
转盘锁定不释放,
转盘不动
驱动锁定转盘电磁阀坏
更换
转动线断
用万用表检查并更换
释放转盘的两个小气缸
松动导致锁定装置不能
张开到位让转盘旋转
检查并重新调整
转台马达坏
更换

ZHX-A30C&D-AS(IN) 自动卧式联体插件机操作说明书
深圳市中禾旭精密机械有限公司 http:// www.zkdip.com
- 65 -
第七章 机器电路简图
一 、电路接线图
ZHX-A30-AS/-IN 联体插件机电路总图
HL
相机光源
KA4
L
N
FU1
NFB2
滤
波
器
NFB1
SSR1
FU2
XG-4000 卧式联体机(总电路图)
SSR2
SSR1 SSR2 KA1 KA2
I/O·A·X3·10
I/O·A·X3·9
KA4
I/O·A·X3·1
HL1
I/O·A·X3·3
绿灯
HL2
I/O·A·X3·4
黄灯
HL3
I/O·A·X3·5
红灯
I/O·A·X3·6
剪脚器
I/O·A·X3·7
转台开锁
I/O·A·X3·8
转台压轮
I/O·A·X3·11
吹废脚
I/O·B·X3·5
对中上下
I/O·B·X3·6
对中左右
I/O·VDC
I/O·EXGND
所有伺服器
的X5端口
KA3
(继电器定义见注①)
(HL为警示灯、DCF为电磁阀)
220VAC
50Hz
电脑主机
显示器
UPS
2.5mm 棕
2.5mm 蓝
1.5mm 黄绿
FU4 FU3
10A 10A
16A
16A
L
~
-
+-
N
FU6
4A
DC5V 电源
3A
+5V
0
FU5
L
~
-
+-
N
+24V
0
6A
DC24V 电源
14.6A
220VAC
20A
L1 L2 L3 L1C L2C
伺服器 H
U V W
SM1
L1 L2 L3 L1C L2C
伺服器 Chn
U V W
SM2
L1 L2 L3 L1C L2C
伺服器 X
U V W
SM3
L1 L2 L3 L1C L2C
伺服器 Y
U V W
SM4
L1 L2 L3 L1C L2C
伺服器 C
U V W
SM5
L1 L2 L3 L1C L2C
伺服器 B
U V W
SM6
220VAC 1000W
交流伺服电机
220VAC 750W
交流伺服电机
220VAC 400W
交流伺服电机
220VAC 400W
交流伺服电机
220VAC 400W
交流伺服电机
220VAC 400W
交流伺服电机
L1 L2 L3 L1C L2C
伺服器 W
U V W
SM7
220VAC 100W
交流伺服电机
FU7
2A
EL DC24V 16W 照明灯
PE
C32 2P断路器
PE 1.5mm 黄绿
2.5mm 棕
2.5mm 蓝
C6
NFB3
C6
NFB4
C6
NFB5
C6
NFB6
C6
NFB7
C6
NFB8
C6
1.5mm 棕
1.5mm 蓝
1.0mm 棕
1.0mm 蓝
1.5mm 棕
1.5mm 蓝
1.0mm 棕
1.0mm 蓝
1.5mm 棕
1.5mm 蓝
1.0mm 棕
1.0mm 蓝
1.5mm 棕
1.5mm 蓝
1.0mm 棕
1.0mm 蓝
1.5mm 棕
1.5mm 蓝
1.0mm 棕
1.0mm 蓝
1.5mm 棕
1.5mm 蓝
1.0mm 棕
1.0mm 蓝
1.5mm 棕
1.5mm 蓝
1.0mm 棕
1.0mm 蓝
I/O·B·X3·12
气源
1.5mm 红
1.5mm 黑
A
DCF1
DCF2
DCF3
DCF4
DCF5
DCF6
DCF7
C
B
PE 1.5mm 黄绿
1
2
3
4
5
6
5 6
7 8
10 6 0 9 6
0
I/O
B-X6
DC24V
I/O
A-X8
DC24V
I/O
A-X5
DC24V
I/O
A-X6
DC24V
I/O
A-X7
DC24V
I/O
B-X6
DC24V
I/O
B-X8
DC24V
14
16
14
17
14
18
14
19
14
20
14
21
14
22
散热风扇
AC220V 20W 0.11/0.12A
27 28
29 30
24
24
23
23
25
25
11
6 11 6 11 6 11 6 11 6 11 6 11
2324 2423
D
MODEL:2000VA
OUT:220V 5.4A
13 12
15 14
H1
H2
Chn1
Chn2
X1
X2
Y1
Y2
C1
C2
B1
B2
W1
W2
继电器线圈 继电器线圈
1P断路器 1P断路器 1P断路器 1P断路器 1P断路器 1P断路器 1P断路器
15 15 15 15 15 15 15
F1
78 79 71
23
72
73
74
75
76
77
80
83
84
81
86
85
90
89
88
87
92
91
94
93
96
95
98
97
100
99
102
101
104
103
106
105
108
107
110
109
112
111

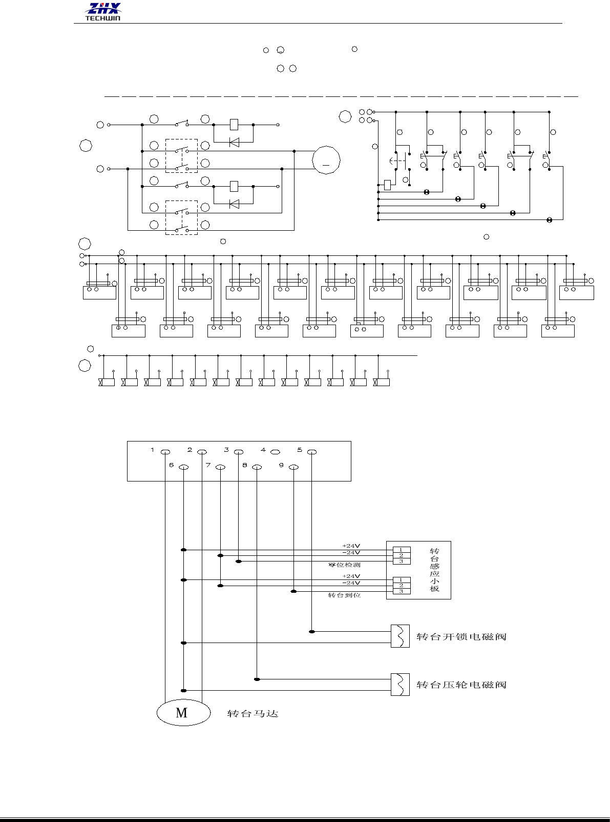
ZHX-A30C&D-AS(IN) 自动卧式联体插件机操作说明书
深圳市中禾旭精密机械有限公司 http:// www.zkdip.com
- 66 -
+
OUT
-
+
-
X+极限
+
OUT
-
X-极限
+
OUT
-
X原点
+
OUT
-
X-减速
+
OUT
Y+极限
+
OUT
-
Y-极限
+
OUT
Y原点
+
OUT
-
+
OUT
Y-减速
+
OUT
-
C+极限
+
OUT
+
OUT
-
+
OUT
+
OUT
-
H原点
+
OUT
+
OUT
-
+
OUT
+
OUT
-
X+减速
- - -
-
- --
Y+减速 C原点
H+极限
B原点
头部安全
A-X5-7 A-X5-8 A-X6-6 A-X4-1 A-X6-9 A-X7-7 B-X5-6 B-X5-7
A-X2-2
A-X5-6 A-X4-0 A-X5-9 A-X6-7
A-X6-8
A-X7-6 A-X4-2 B-X4-0
B-X4-1
注①:SSR1=固态继电器1
SSR2=固态继电器2
KA1=3P继电器1(正转)
KA2=3P继电器2(反转)
KA3=2P继电器1(急停)
KA4=2P继电器2(闪光灯)
H-极限
+
OUT
-
+
OUT
-
转台到位
A-X2-11
A-X4-3
A-X2-12
+
OUT
-
转台零位
C-极限
Chn原点
ES
A-X2-1
C
SB1
NO
A-X2-7
NC
C
SB2
A-X2-8
C
SB4
A-X2-7
HL
-
+
DC24V
C
SB5
C
NC NO
NO NC NO
HL
HL
ES:急停开关 自锁
SB1:启动开关 自复按钮
SB2:停止开关 自锁按钮
SB3:补跳线开关自复按钮
SB4:启动开关 自复按钮
SB5:停止开关 自锁按钮
C
SB3
A-X2-13
HL
HL
A-X2-8
B
C
1.5mm 红
1.5mm 黑
0.2mm 红
0.2mm 黑
0.2mm 黄
1.5mm 红
1.5mm 黑
0.5mm 红
0.5mm 黑
0.5mm 黄
A
KA2
M
KA1
KA2
KA1
KA1
KA2
0.5mm 红
0.5mm 黑
+
-
DC24V
I/O A-X3-9
I/O A-X3-10
11 8
1 4
3 6
11 8
1 4
3 6
25
25
23
25
25
23
31
2 10
2 10
33
34
32
35
36
-- 直流马达
23 - 36
1-11
-- 指继电器触脚号
-- 指线标
M
注 :
2
注 :
3
转台马达联锁控制 注
2
控制面板按钮 注
3
23
24
24
23
23 23 23 23 23 23
24
+24V
X-A-21 X-A-22 X-A-23 X-A-24 X-A-25 X-A-26 X-A-27 X-A-28 X-A-29 X-A-30 X-A-31 X-A-32 X-A-33 ......
D
DCF-1 DCF-2 DCF-3 DCF-4 DCF-5 DCF-6 DCF-7 DCF-8 DCF-9 DCF-10 DCF-11 DCF-12 DCF-13 ......
......
注:限位感应光电开关
注:站位电磁阀
二极管
二极管
(所有光电开关感应线皆为
3*0.2mm,红色线接正极、黑色
线接负极、黄色线接OUT)
KA3
24
43
37
49 43 4444
58
56
60 57
59 65
63 61
62 67
64 68
66 53 69 38 48
47705554
ZHX-A30-AS/-IN 转台九针插接线图