CP743机械手册.pdf - 第102页
Downloaded at 2010/06/22 16:01 JST by 3MVH4663 DL#RmYmji4w 第 3 部 第 2 章 加油 Edition 2.1 3-2-1 CP-733E/743ME/743 E 机 械手册 2. 加 油 加油时的注意事项 1. 作业前必须关掉主电源。 2. 请适量添加润滑剂。 加得过多, 将飞散出去弄脏电路板和机器内部。 特别是如果相机 镜头弄脏的话, 将造成类似影像处理错误等的故障。 这时…

Downloaded at 2010/06/22 16:01 JST by 3MVH4663 DL#RmYmji4w
第 1 章 清扫 第 3 部
CP-733E/743ME/743E 机械手册 3-1-20 Edition 2.1
笔记∶

Downloaded at 2010/06/22 16:01 JST by 3MVH4663 DL#RmYmji4w
第 3 部 第 2 章 加油
Edition 2.1 3-2-1 CP-733E/743ME/743E 机械手册
2. 加 油
加油时的注意事项
1. 作业前必须关掉主电源。
2. 请适量添加润滑剂。加得过多,将飞散出去弄脏电路板和机器内部。特别是如果相机
镜头弄脏的话,将造成类似影像处理错误等的故障。这时候,请使用镜头清洁剂等来
擦拭。
润滑剂的种类
使用的润滑剂的特征如下所示:
Table-lubS
THK
Daphne Exponex NO.2
Multemp LRL3
Multemp SRL
AFC
Daphne
Super Multi Oil 32
SHC 630
MOBIL
PAO
Turbine oil +
NASKALUBE
注意) 各种润滑油不能混和使用。

Downloaded at 2010/06/22 16:01 JST by 3MVH4663 DL#RmYmji4w
第 2 章 加油 第 3 部
CP-733E/743ME/743E 机械手册 3-2-2 Edition 2.1
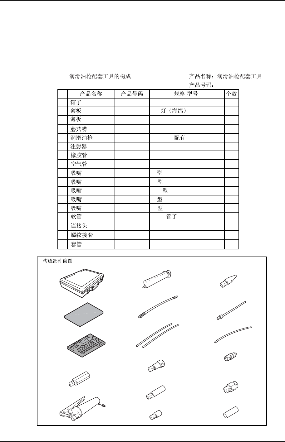
润滑油枪配套工具的介绍
本公司销售可以使用在所有型号机器上的润滑油枪配套工具。这一套配套工具,除了泵以外
还附有适合各种润滑油嘴的吸嘴。因此用这套工具可以方便地在机器的各个加油处加油。如
希望购买者请向代理店查询。
AWPJ8201
FUJI
C7SM3026S
1
1
1
1
1
1
1
1
1
1
1
1
1
1
1
1
U
PTFE 2x3-150mm
1
2
3
4
5
6
7
8
9
10
11
12
13
14
15
16
17
No.
PE
EA506J
KH-120 (
HSP-1)
SJ-S30S
SPK-3C
TU0604B-310mm
L
N
N-1
P
PN-1/8-PT1/8-BS
TS6-01
40-13
WPJ1271
WPJ1281
PJ
WPJ1261
K1153F
S2184A
H5456T
T2063H
N5004A
N5005A
N5006A
N5007A
N5008A
T2061E
K5030T
S2176B
S3084A
2
Polyurethane
1
2
3
4
5
6
7
8
9
10
11
12
13
14
15
16
17
C7SM3027S