CP743机械手册.pdf - 第249页
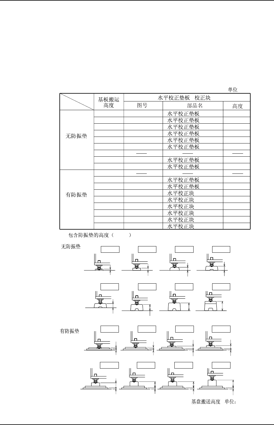
Downloaded at 2010/06/22 16:01 JST by 3MVH4663 DL#RmYmji4w 第 6 部 第 1 章 安置 Edition 2.0 6-1-1 CP-733E/743ME/743 E 机 械手册 1. 安置 要 点 把水平校正垫板或者水平校正 块放在所设定的位置上,并在此上面 安置机器。根据是否有 防振垫以及电路板搬运高度,使用适 当的水平校正垫板或水平校正块 。 Table01S / 900 :…

Downloaded at 2010/06/22 16:01 JST by 3MVH4663 DL#RmYmji4w
第 6 部
安装

Downloaded at 2010/06/22 16:01 JST by 3MVH4663 DL#RmYmji4w
第 6 部 第 1 章 安置
Edition 2.0 6-1-1 CP-733E/743ME/743E 机械手册
1. 安置
要 点
把水平校正垫板或者水平校正块放在所设定的位置上,并在此上面安置机器。根据是否有
防振垫以及电路板搬运高度,使用适当的水平校正垫板或水平校正块。
Table01S
/
900
:
mm
912
920
930
935
950
962
965
980
900
912
920
930
935
950
962
965
980
12
22
30
40
40
60
75
90
24 *
28 *
40 *
44 *
60 *
71 *
71 *
87 *
DCAB0370
DCAB0380
BB43880
GGA8060
GGA8060
GGA8030
GGA8040
BB42950
DCAB0390
GXA2071
DCAB0400
WAB0601
GXA2121
DCAB0410
DCAB0410
DCAB0420
* : 12mm
H=935H=920
H=920
H=930H=912
H=930H=912
H: mm
H=900
32
28
16
12
40
30
22
12
12
12
12
12
H=980H=965H=950
90
75
60
H=980H=965H=950 H=962
48
59
75
59
12
12
12
12
C7SM5007S
H=935
40

Downloaded at 2010/06/22 16:01 JST by 3MVH4663 DL#RmYmji4w
第 1 章 安置 第 6 部
CP-733E/743ME/743E 机械手册 6-1-2 Edition 2.0
方 法
1. 参照下图,配置水平校正垫板或水平校正块。
2. 在机器机座上设置水平仪(横方向和纵方向)。
3. 旋转各水平校正螺栓进行高度调整。
4. 请在确认电路板搬运高度及机器的水平度是否正确后旋紧防松螺母。由于防松螺母的
旋紧,有时水平度会产生改变,所以,旋紧螺母后需再确认一下机器的水平度。
参考) 请完全旋紧防松螺母,如螺母不旋紧会发生机器振动,有可能影响到贴装精度。
C7SM5001-1S
( mm )
965 472472 125125
100 1432 100
<CP-733E>
125
125
(mm)
C7SM5001-2S
538696778
<CP-743ME>
518
125
125538696778518
150
150
549 965 100
100
593 921 100
100