CP743机械手册.pdf - 第200页
Downloaded at 2010/06/22 16:01 JST by 3MVH4663 DL#RmYmji4w 第 1 章 站的各部 第 4 部 CP-733E/743ME/743 E 机 械手册 4-1-38 Edition 2.1 1.12 贴装角度还原动作 ( 第 10 站 ) 要 点 将在 9st 贴装 完毕的吸嘴反转 , 反转量与在 2st 和 8st 所转过的角度相同。 1.12.1 离合器的啮合确认 这里的确认请用 …

Downloaded at 2010/06/22 16:01 JST by 3MVH4663 DL#RmYmji4w
第 4 部 第 1 章 站的各部
Edition 2.1 4-1-37 CP-733E/743ME/743E 机械手册
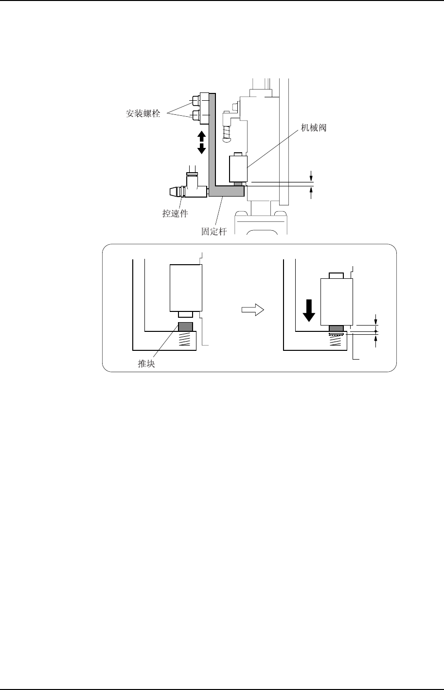
4. 松开安装螺拴来调整固定杆的高度,使用厚薄规进行测量, 使机械阀的下面与固定杆
的间隙为 1.9mm。这时,推块下降 0.1mm。
1.9 mm
0.1 mm
C7SM4037S
1.9 mm
注意) 请不要随意调整控速件。出厂时已经调整到正压 15.0±0.5kPa (13st 为 7.0±0.5kPa)。因为
调整时需要压力计,请不要随意进行调整。

Downloaded at 2010/06/22 16:01 JST by 3MVH4663 DL#RmYmji4w
第 1 章 站的各部 第 4 部
CP-733E/743ME/743E 机械手册 4-1-38 Edition 2.1
1.12 贴装角度还原动作 (第 10 站)
要 点
将在 9st 贴装完毕的吸嘴反转, 反转量与在 2st 和 8st 所转过的角度相同。
1.12.1 离合器的啮合确认
这里的确认请用 LOW 吸嘴进行。
备注) 16 根吸嘴中压下量为最低值的吸嘴称为“LOW 吸嘴”。2st,8st 以及 10st 的各离合器啮合的
确认,请用“LOW 吸嘴”进行。
C7SM4058S
"LOW "
1. 按下[紧急停止]按钮,切断 200V 电源,使用 100V。
警 告
作业前必须要切断 200V 电源。
凸轮轴在初始位置(0 度)以外的情况下,因为弹簧弹力的作用,会发生
回转。
在机器内部作业时,请充分注意安全。
2. 在凸轮角度为 0 度时,将 10st 的电测阀设置为 ON,使凸轮杆开始动作
3. 将千分表设置在吸嘴轴旋转制动器的下面。
4. 请边看凸轮刻度盘边旋转凸轮手柄,将凸轮角度调整到 200 度。
5. 确认离合器是否正常的啮合。确认 LOW 吸嘴是否被压下 0.30~0.35mm。
10st
0.30 0.35 mm
C7SM4038S

Downloaded at 2010/06/22 16:01 JST by 3MVH4663 DL#RmYmji4w
第 4 部 第 1 章 站的各部
Edition 2.1 4-1-39 CP-733E/743ME/743E 机械手册
1.12.2 离合器啮合检查传感器位置的调整
1. 按下[紧急停止]按钮,切断 200V 电源,使用 100V。
警告
作业前必须要切断 200V 电源。
凸轮轴在初始位置(0 度)以外的情况下,因为弹簧弹力的作用,会发生
回转。
在机器内部作业时,请充分注意安全。
2. 请边看凸轮刻度盘边旋转凸轮手柄,将凸轮角度调整到 200 度。
3. 使用微动操作,将 Rθ轴对准 Rθ数据位置。
4. 在离合器正常啮合的状态下,调整托座 A 的安装高度,使下图的间隙 C 为 0.2mm。
5. 在该位置调整托座 B,使挡块的孔与传感器的光轴一致。
A
B
C7SM4039S
0.2 mm
C