P-0169-001.pdf - 第103页
MODEL TPM-1 10F/R 0108-001 Key No . P AR T No . P AR T NAME Q’ty REMARKS NOTE 101 M-2 10 1 630 096 8620 MOTOR,INDUCTION 1 M004, VHI206A-GVJ 748M--210-101 10 2 630 096 6657 GEAR,REDUCTION 1 748M--210-102 10 3 630 094 5324…

MODEL TPM-110F/R
0108-001
100
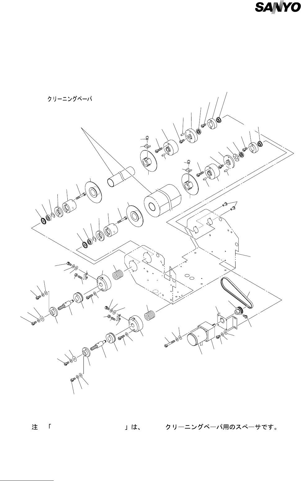
クリーニング部 CLEANING SECTION
Fig. M-2 ペーパ巻取り駆動部 Paper Wind-out Driver
116
167
167
123
107
107
111
121
167
164
116
163
128
118
108
106
117
175
124
110
120
127
110
122
See Fig.M-1
Key No.10
See Fig.S-1
Key No.101,102
103
105
168
172
173
168
102
101
115
172
109
119126
112
174
112
126
172
173
166
170
171
161
109
172
173
166
170
171
161
174
173
165
169
173
172
119
173
165
125
113
114
125
113
114
172
173
169
173
162
110
104
107
167
123
107
124
120
175
164
110
127
163
128
118
108
106
117
Fig.M-2
TPM-100F/R
TPM-110F/R
1. Key No.127,128 COLLAR 280mm
NOTE1. "Key No.127,128 COLLAR" are the spacer for 280mm CLEANING PAPER.
CLEANING PAPER

MODEL TPM-110F/R
0108-001
Key No. PART No. PART NAME Q’ty REMARKS
NOTE
101
M-2
101 630 096 8620 MOTOR,INDUCTION 1 M004, VHI206A-GVJ 748M--210-101
102 630 096 6657 GEAR,REDUCTION 1 748M--210-102
103 630 094 5324 PULLEY,TIMING 1 748M--210-103
104 630 094 5331 PULLEY,TIMING 1 748M--210-104
105 630 096 6664 BELT,TIMING 1 748M--210-105
106 630 001 1272 BEARING,RADIAL 2 748M--210-106
107 630 001 1418 BEARING,RADIAL 4 748M--210-107
108 411 000 7102 RING C 10 2 748M--210-108
109 630 001 4808 SPRING,COMP 2 748M--210-109
110 411 182 0304 PIN SPRING 3X6 12 748M--210-110
111 630 096 6688 WASHER 1 748M--210-111
112 411 182 0205 SCR SET C-SCT 5X20 2 748M--210-112
113 630 094 5195 SHAFT 2 748M--210-113
114 630 094 5188 FEED SCREW 2 748M--210-114
115 630 088 1370 STAY 1 748M--210-115
116 630 088 1400 COLLAR 2 748M--210-116
117 630 088 1417 PLATE 2 748M--210-117
118 630 088 1431 RING 2 748M--210-118
119 630 088 1448 BLOCK 2 748M--210-119
120 630 088 1479 COLLAR 2 748M--210-120
121 630 088 1486 PLATE 1 748M--210-121
122 630 088 1493 SHAFT 2 748M--210-122
123 630 088 1509 BLOCK 2 748M--210-123
124 630 088 1516 HOOK 6 748M--210-124
125 630 091 0162 SPACER 2 748M--210-125
126 630 091 0179 STAY 2 748M--210-126
127 630 088 1585 COLLAR 2 748M--210-127
128 630 088 1592 COLLAR 2 748M--210-128
161 630 000 7749 BOLT,HEX-SCT 2 748M--210-161
162 630 096 6411 BOLT,HEX-SCT 4 748M--210-162
163 630 000 7718 BOLT,HEX-SCT 4 748M--210-163
164 630 000 7688 BOLT,HEX-SCT 4 748M--210-164
165 630 000 7671 BOLT,HEX-SCT 4 748M--210-165
166 630 000 7633 BOLT,HEX-SCT 4 748M--210-166
167 630 000 7626 BOLT,HEX-SCT 6 748M--210-167
168 630 000 7619 BOLT,HEX-SCT 5 748M--210-168
169 630 000 7602 BOLT,HEX-SCT 4 748M--210-169
170 630 001 0220 WASHER 2 748M--210-170
171 411 141 6705 WASHER SPR 5 2 748M--210-171
172 411 141 4008 WASHER V 4X9X0.8 15 748M--210-172
173 411 141 2905 WASHER SPR 4 19 748M--210-173
174 411 118 8503 NUT HEX 5 2 748M--210-174
175 411 051 1708 SCR TRS 4X6 6 748M--210-175

MODEL TPM-110F/R
0108-001
102
クリーニング部 CLEANING SECTION
Fig. M-3 ノズル部 Nozzle Section
263
264
272
271
207
275
273
213
212
214
209
265
272
271
210
265
208
272
271
210
265
272
202
201
265
267
211
268
261
267
268
261
203
205
205
266
204
206
See Fig.MM-1
Key No.10
272
271
272
271
269
270
262
271
See Fig.M-1
Key No.10
Fig.M-3
TPM-100F/R
TPM-110F/R
204