FX-3RA-Rev05.pdf - 第183页
- 17 6 - N O TE ( 注記 ) # 0 1 ....TYPE X L XL 仕様 # 0 2 ....F O R E N EN 用 REF .NO N OTE PART NO D E S C R I P T I O N 品 名 Q ty 1 401-23602 POWER_SUPPL Y_ASSY_ RA-R(ST) 電源供給組 RA(右)ST 1 2 #0 2 401-23603 POWER SU PPL Y ASSY …

- 175 -
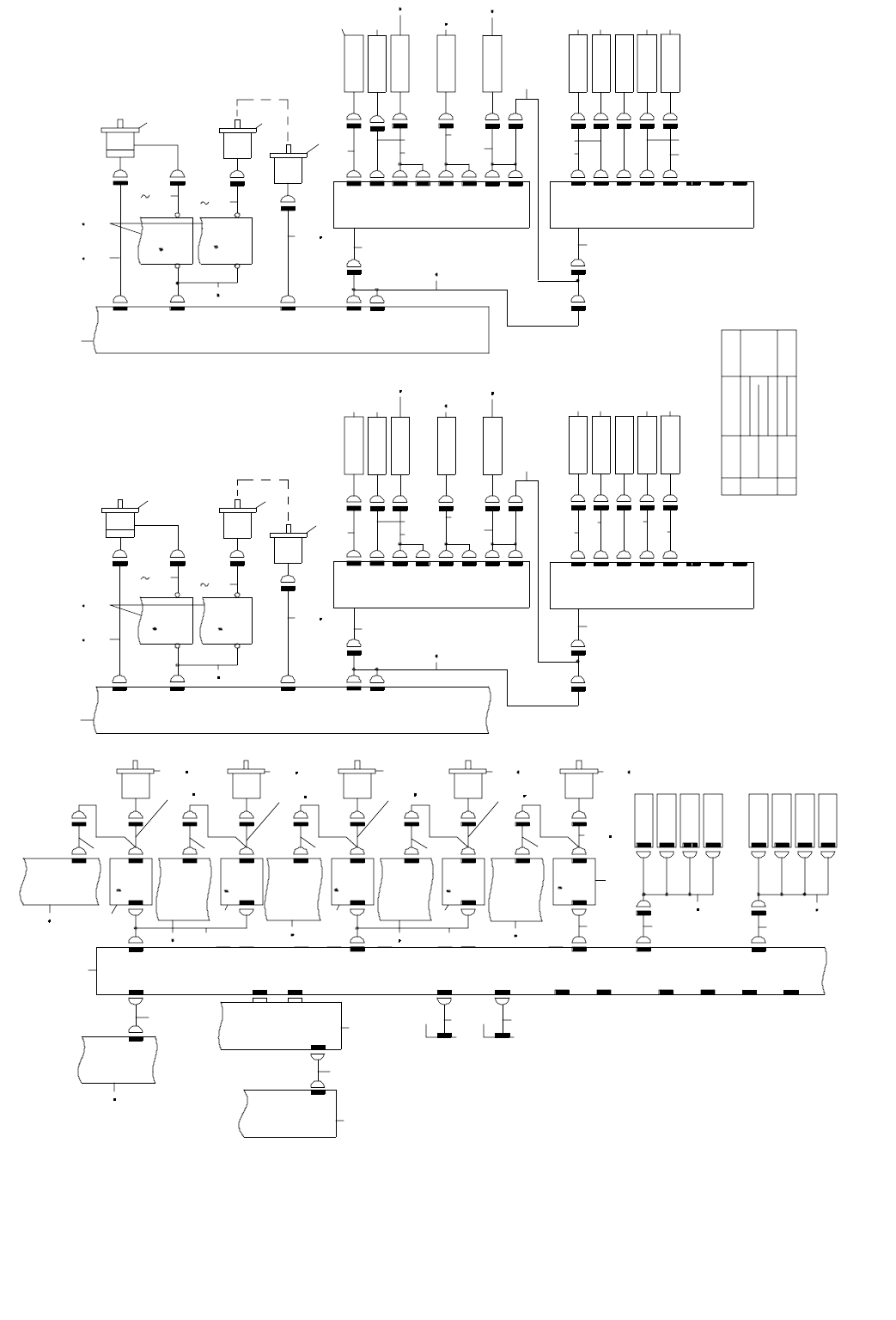
88.SYSTEM DIAGRAM (HEAD RF/RR)
SYSTEM DIAGRAM(HEAD RF / RR)
HEAD_CN12
HEADFAN(RF)
AMP
AMP
LIGHT-A2
SOLENOID
Z6VACUUM
SOLENOID
Z5VACUUM
SOLENOID
Z4VACUUM
SOLENOID
Z3VACUUM
SOLENOID
Z2VACUUM
SOLENOID
Z1VACUUM
SENSORR
NOZZLE DOWN
SENSORL
NOZZLE DOWN
13
11 14
27
30
8
28
29
5
6
15
1
2
3
7
17
18
21
22
9
19
20
16
17
18
5
6
4
4039 424138
24
7
25
37
26
33
3231
43
14
11
8
9
7
21
1
2
12
23
5
6
27
36
30
29
35
5
6
34
28
14
38
39
40
41
42
43
25
2637
24
7
33
31 32
4-5C
POWER UNIT (R)
CN020
7-3A
6-1A
ETHER-MAIN PCB
EN2
8-1B
7-1A
HEAD-MAIN
PCB(RR)
EN1
7-4A
6-3B
IP-X5
PCB
7-3B
CN5
HEIGHT
SENSOR
THERMAL
SENSOR PCB
AMP
HEAD_CN23
HEAD_CN22
IPX OCC RF CN478 CN805
CN478 RF
EN 1
CN813
CN813RR
CN814
EN2
CN814RF
EN2 CN813RF CN813
EN 1
PWRR020CN203 CN246 CN802
3-2A
CN1CN13
HEAD-MAIN
PCB(RF)
EN 1
CN 9
CN10
EN 2
CN11
CN 2
CN14
CN19
CN22
CN23
CN12
7-2A
HEAD_CN11
HEAD_CN10
HEAD_CN9
HEAD_CN1
OC C
LIGHT-C
LIGHT-A1
OCC-A
OCC-C
OCC CAMERA(F)
VIDEO OUT/DC IN/SYNC
CN 1
CN1
Z1 PRESSURE
SENSOR
Z2 PRESSURE
SENSOR
Z3 PRESSURE
SENSOR
Z4 PRESSURE
SENSOR
Z5 PRESSURE
SENSOR
Z6 PRESSURE
SENSOR
HEAD_CN24
PRESSURE
Z1
Z2
Z3
Z4
Z5
Z6
NZL DWN
HEAD_CN28
1
2
CN28
CN16
HEAD_CN16
NOZZLE UP
SOLENOID
HEAD_CN26
CN24
CN26
Z6 BLOW
SOLENOID
Z5 BLOW
SOLENOID
Z4 BLOW
SOL
ENOID
Z3 BLOW
SOLENOID
Z2 BLOW
SOLENOID
Z1 BLOW
SOLENOID
Z1B
Z2B
Z3 B
Z4 B
Z5 B
Z6B
7-1D
CN27 CN25
HEAD-MAIN
PCB(RF)
HEAD_CN25
Z1V
Z2V
Z3V
Z4 V
Z5V
Z6V
7-1A
POWER UNIT (R)
CN021
8-1A
PWRR021
CN204 CN246
CN802
IPX OCC RR
CN478
CN478 RR
CN805
7-1B
IP-X5
PCB
9-4C
CN6
OPTION
BAD MARK
SENSOR
HEIGHT
SENSOR
THERMAL
SENSOR PCB
HEAD_CN23
HEAD_CN22
HEAD_CN14
HEAD_CN12
HEAD FAN(RR)
7-5A
CN12
CN23
CN22
CN14 CN19
CN2
CN11
CN10
CN9
HEAD-MAIN
PCB(RR)
CN13 CN1
7-1A
HEAD_CN1
OCC
OCC CAMERA(R)
VIDEO OUT/DC IN/SYNC
LIGHT-C
LIGHT-A1
OCC-A
OCC-C
CN1
CN 1
HEAD_CN9
HEAD_CN10
HEAD_CN11
OCC-A
CN1
OPTION
Z1 PRESSURE
SENSOR
Z2 PRESSURE
SENSOR
Z3 PRESSURE
SENSOR
Z4 PRESSURE
SENSOR
Z5 PRESSURE
SENSOR
Z6 PRESSURE
SENSOR
PRESSURE
HEAD_CN24
Z1
Z2
Z3
Z4
Z5
Z6
HEAD_CN28NZL DWN
1
2
NOZ
ZLE DOWN
SENSOR L
NOZZLE DOWN
SENSOR R
CN28
CN16
CN24 CN26
PCB(RR)
HEAD-MAIN
CN27
CN25
7-4D
HEAD_CN25
Z1 V
Z2V
Z3V
Z4 V
Z5V
Z6V
Z1 VACUUM
SOLENOID
Z2 VACUUM
SOLENOID
Z3 VACUUM
SOLENOID
Z4 VACUUM
SOLENOID
Z5 VACUUM
SOLENOID
Z6 VACUUM
SOLENOID
HEAD_CN26
Z1B
Z2 B
Z3 B
Z4 B
Z5B
Z6B
Z1 BL O W
SOLENOID
Z2 BLOW
SOLENOID
Z3 BL O W
SOLENOID
Z4 BL O W
SOLENOID
Z5 BL O W
SOLENOID
Z6 BL O W
SOLENOID
HEAD_CN16
NOZZLE UP
SOLENOID
10
10
NOTE1
PARTS NUMBER FOR EN:( )
PARTS NUMBER FOR XL:[ ]
PARTS NUMBER FOR XL-EN:([ ])
7

- 176 -
NOTE( 注記 ) #01....TYPE XL XL 仕様
#02....FOR EN EN 用
REF.NO NOTE PART NO D E S C R I P T I O N
品 名
Qty
1 401-23602 POWER_SUPPLY_ASSY_RA-R(ST)
電源供給組 RA(右)ST
1
2
#02
401-23603 POWER SUPPLY ASSY R(EN)
電源供給組(右)EN
1
3
401-49647 ETHER MAIN BOARD
ETHER メイン基板
1
4 400-91532 HEAD MAIN PWR CABLE (RF) ASM
ヘッドメイン電源ケーブル(RF)組
1
5 401-23108 XY BEAR CABLES D (MS) ASM
XY ベアケーブル D(MS)組
1
6
#01
401-33246 XY BEAR CABLES D(RA) ASM XL
XY ベアケーブル D(RA)組 XL
1
7 401-32364 HEAD MAIN PCB ASM(RA)
ヘッドメイン基板組(RA)
1
8 400-47865 OCC CAMERA CABLE ASM
OCC カメラケーブル組
1
9 400-48028 OCC CAMERA
OCC カメラ
1
10 401-19302 OCC LIGHT CABLE ASM
OCC ライトケーブル組
1
11 400-47511 OCC C LIGHT PCB
OCC C ライト基板
1
12 400-91542 HEAD MAIN PWR CABLE (RR) ASM
ヘッドメイン電源ケーブル(RR)組
1
13 400-47868 OCC A2 LIGHT CABLE ASM
OCC A 2 ライトケーブル組
1
14 400-47507 OCC A LIGHT PCB
OCC A ライト基板
1
15 400-47948 ETHER HEAD RF CABLE ASM
イーサ ヘッド RF ケーブル組
1
16 400-47949 ETHER HEAD RR CABLE ASM
イーサ ヘッド RR ケーブル組
1
17 401-23110 Y BEAR B CABLES (MS) ASM
Y ベアケーブル(MS)B 組
1
18
#01
400-89839 Y BEAR B CABLES ASM XL
Y ベアケーブル B 組 XL
1
19 401-23109 Y BEAR A CABLES (MS) ASM
Y ベアケーブル(MS)A 組
1
20
#01
400-89838 Y BEAR A CABLES ASM XL
Y ベアケーブル A 組 XL
1
21 400-47528 IP-X5 PCB ASM
IP − X 5基板 組図
1
22 400-47944 OCC CABLE RF ASM
OCC ケーブル RF 組
1
23 400-47945 OCC CABLE RR ASM
OCC ケーブル RR 組
1
24 400-92835 NOZZLE DOWN SENSOR1 ASM
ノズル DOWN センサー1ケーブル組
1
25 400-92836 NOZZLE DOWN SENSOR2 ASM
ノズル DOWN センサー2ケーブル組
1
26 401-32352 NOZZLE DOWN RELAY CABLE ASM(RA)
ノズルダウン中継ケーブル組(RA)
1
27 401-20250 HIGHT SENSOR UNIT ASM
HIGHT センサユニット組
1
28 400-29824 TEMPERATURE SENSOR PCB ASM
温度センサ基板組
1
29 400-48272 BASE TEMP CABLE ASM
ベース温度ケーブル組
1
30 400-82666 HEAD FAN CABLE ASM
ヘッドファンケーブル組
1
31 401-32349 VAC CABLE ASM(RA)
VAC ケーブル組(RA)
1
32 401-32350 BLOW CABLE ASM(RA)
BLOW ケーブル組(RA)
1
33 401-32353 NOZZLE UP SV ASM(RA)
ノズルアップ SV 組(RA)
1
34 HD-0013100-30 FIBER UNIT
ファイバユニット
1
35 E9638-729-000 FIBER LENS
フアイバレンズ
1
36 400-47981 BAD MARK FIBER AMP ASM
バッドマークファイバアンプ組
1
37 401-32351 Z PRESSURE RELAY CABLE ASM(RA)
Z PRESSURE 中継ケーブル組(RA)
1
38 400-48279 Z1 PRESSURE SENSOR ASM
Z 1 PRESSURE センサー組
1
39 400-48280 Z2 PRESSURE SENSOR ASM
Z 2 PRESSURE センサー組
1
40 400-48281 Z3 PRESSURE SENSOR ASM
Z 3 PRESSURE センサー組
1
41 400-48282 Z4 PRESSURE SENSOR ASM
Z 4 PRESSURE センサー組
1
42 400-48283 Z5 PRESSURE SENSOR ASM
Z 5 PRESSURE センサー組
1
43 400-48284 Z6 PRESSURE SENSOR ASM
Z 6 PRESSURE センサー組
1

- 177 -
89.SYSTEM DIAGRAM (BASE-CARRY)
SYSTEM DIAGRAM(BASE − CARRY)
EN1
SBR2SBR1/2
7-3A
POWER UNIT(R)
CN027
8-2B
PWRR027 BCPWR
7-1A
ETHER-MAIN
PCB
EN 3
ES-BC CN1
SMEMA(L)
SMEMA(R)
SMEMA_U
SMEMA_L
COVER
COVER
OUT
IN
EN 1
3-1B
ETHER-SLAVE
PCB(BC)
J1
J2
CN6
MTR1-2
PWR
CN17
BASE-CARRY
PCB
P1
P2
CN9
MTR3-5
CN31
SMEMA-L
CN30
SMEMA-U
CN13
AN1
CN14
AN2
CN20
SPO1
CN16
SPO2
CN24
CN10
MTR6-8
CN32
CN28
SPO1
CN29
SPO2
8-2A
BC-32 EV-R
EV
BC-24
EV-L EV
MT6-8 OTM-1
MT3-5
JM-1
CML-1
MT1-2 INM-1
6-3A
POWER UNIT(L)
CN033
8-2A
PWRL033
5
DRIVER
CN2
CN1
(IN)
INM-2
8-2A
CN035
9-1A
POWER UNIT(L)
PWRL035
5
DRIVER
CN 2
CN1
(CENTER L)
CML-2
8-1A
POWER UNIT(R)
CN034
8-2B
PWRR034
JM-2
5
DRIVER
CN1
CN2
(JOINT)
PWRR035
8-2B
POWER UNIT(R)
CN035
8-2C
CMR-1
5
DRIVER
CN1
CN 2
(CENTER R)
8-2B
POWER UNIT(R)
CN033
9-2A
CMR-2
PWRR033
5
DRIVER
CN1 CN2
(OUT)
OTM-2
STOP
SHAPE_X
SHAPE_Y
BU_LOCK
STOP
SHAPE_X
SHAPE_Y
BU_LOCK
BU(R) LOCK
SOLV.
SHAPE Y(R)
SOLV.
SHAPE X(R)
SOLV.
STOPPER(R)
SOLV.
STOPPER(L)
SOLV.
SHAPE X(L)
SOLV.
SHAPE Y(L)
SOLV.
BU(L) LOCK
SOLV.
OTM CN665
CN656
OTM-P
CN665
CN656
CMR
OUT MOTOR
CENTER MOTOR(R)
CMR-P
JOINT MOTOR
CN665
CN656
JM
JM-P
CML CN665
CN656
CENTER MOTOR(L)
CML-P
INM CN665
CN656
IN MOTOR
INM-P
8-1D
CN23
ENC3
CN15
MTR9-10
BASE-CARRY
PC B
ENC3
MT9-10
ENC1
CN19
ENC1
SPWR-L
CN25
SPWR-L
CN27
SENS-L
SBL1
SENS-L
8-4A
SBL1/2
SBL2
(EN ONLY)
(EN ONLY)
1-3B
5
DRIVER
(AWC L)
1-3C
5
DRIVER
(BU L)
BULE
CN668
CN658
BULM
AWCLM
AWCLE CN659
CN660
AUTOWIDTH ADJUSTMENT MOTOR(L)
BACK UP MOTOR(L)
CN657
CN667
BU UP ENCODER(L)
SBL1
S1
S2
S3
S4
S5
S6
S7
S8
SBL1-78
SBL1-56
SBL1-34
SBL1-2
SBL1-1 IN
BPIN
WAIT-L
STOP-L
COUT-L
PWR2
CSL-5
CSL-4
CSL-3
OUT-L
CN437
IN
SENSOR
SUPPORT PIN
EMITTER SENSOR
WAIT(L)
SENSOR
STOP(L)
SENSOR
COUT(L)
SENSOR
SBL2
S1
S2
S3
S4
S5
S6
S7
S8
SBL2-1
SBL2-2
SBL2-3
SBL2-4
SBL2-5
BU-L
BULK-L
TPIN-L
AWC-L
CN445
CN442
CN446
CN409L BU(L) ORG
SENSOR
BU(L) LOCK
SENSOR
TPIN(L)
SENSOR
AWC(L) ORG
SENSOR
Note1
(EN ONLY)
(XL ONLY)
8-2C
CN22
ENC4
CN12
MTR11-12
BASE-CARRY
PC B
CN18
ENC2
CN21
SPWR-R
CN26
SENS-R
SPWR-R
SENS-R
SBR1
ENC2
MT11-12
ENC4
1-5B
1-5B
5
DRIVER
5 DRIVER
(AWC R)
(BU R)
AUTOWIDTH ADJUSTMENT MOTOR(R)
CN659AWCRE
AWCRM
CN660
BACK UP MOTOR(R)
BURM
CN657
CN667
BURE CN668
CN658
BU UP ENCODER(R)
(XL ONLY)
OUT
SENSOR
SUPPORT PIN
EMITTER SENSOR
WAIT(R)
SENSOR
STOP(R)
SENSOR
COUT(R)
SENSOR
CN438
OUT-R
CSR-3
CSR-4
CSR-5
PWR2
OUT
BPIN
WAIT-R
STOP-R
COUT-R
SBR1-78
SBR1-56
SBR1-34
SBR1-2
SBR1-1
SBR1
S1
S2
S3
S4
S5
S6
S7
S8
SBR2
S1
S2
S3
S4
S5
S6
S7
S8
SBR2-5
SBR2-4
SBR2-2
SBR2-1
BU(R) ORG
SENSOR
BU(R) LOCK
SENSOR
TPIN(R)
SENSOR
AWC(R) ORG
SENSOR
(EN ONLY)
Note1
CN445
CN446
CN409L
BU-R
BULK-R
TPIN-R
AWC-R
CN442
1
2
3
4
5
11 12
6
7
8
6 715
8
2
3
8
8
2
3
2
3
16
17 18
19
38
39
38
39
36
37
21
22
29
33
34
21
22
29
30
31
2321
22
21
22
29
27
28
20
24
25
20
1
40
41
9
10
45
46
42
43
44
47 48
88
50
53
54
57
49
58
59
74
75
76
77
78
90
89
91
92
96959493
85
86
83
84
81
82
8079
87
100
101
102
103
104
10 6
96959493
26
32
113
114
111
112
80
110
35
59
70
73
97
60
61
98
99
64
65
9
10
66
69
62
63
58
49
105
108
109
10 7
1
14
13
SPEC
CARRY
DIRECTION
RELAY CABLE SENSOR
L
XL
LR
RL
Don't Care
SBL2-3:40065185
SBR2-3:40065185
SEL2-3:40065186
SER2-3:40065186
SBL2-3:40089930
SBR2-3:40089932
40065184
L829E5210A0
NOTE1
NOTE2
PARTS NUMBER FOR EN:( )
PARTS NUMBER FOR XL:[ ]
P AR TS N U MB ER F OR XL -E N: ([ ])
8