FX-3RA-Rev05.pdf - 第187页
- 18 0 - NO TE ( 注記 ) #01 .. ..FO R EN EN 用 #0 2 ....F O R IS M COOPERATION OP ISM COOPERATION OP 用 RE F .NO NOTE PA RT NO D E S C R I P T I O N 品 名 Q ty 1 401 -235 96 P OW ER _SUPPLY _ASSY _RA -L(ST ) 電源供給組 RA(左)ST 1 2 …

- 179 -
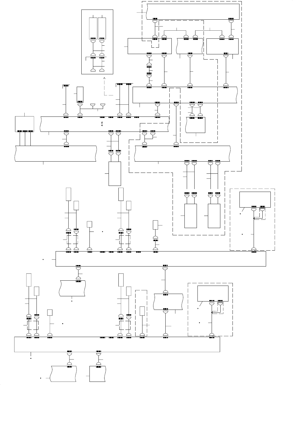
90.SYSTEM DIAGRAM (OPERATION/CPU/MONITOR)
SYSTEM DIAGRAM(OPERATION / CPU / MONITOR)
XY-7
8-2A
POWER UNIT(L)
CN030
10-1A
MOUSE/KEYBOARD
SELECTOR
EX
9-4B
PWRL030
OPEF13
CHG-EX
OPEF21
OPERATION
PCB(F)
CN13
CN21
CN7
CN8
CN12
OPEF-7
OPEF-12
OP CN8
CN22
CN19
CN2
CN1
CN15
CN718
OPEF-14
CN14
CN24
HOD OPTION
(EN ONLY)
CN8
HOD BOX
XY-7
3-4D
XY-RELAY PCB
CN7
CN9
10-2C
XY-9
KEY CHANGE SW
(EN ONLY)
8-2C
POWER UNIT(R)
CN030
10-3A
PWRR030
OPER13
EMG SW_FR
MNLT_L
MINIPATLITE
OPERATION
PCB(R)
CN7
CN8
CN13
CN12
CN22
CN19
CN2
CN1
OPER-12
OPER10
CN801
CN801
OPER-14
CN14
CN10
SIGNAL TO WER
EMG SW_RR
CN15
CN24
HOD OPTION
(EN ONLY)
CN8
HOD BOX
FRONT
KEYBOARD WITH TRACBALL
(SPACER ASM)
CV-MS R
CV-KB R
CV-MS F
CV-KB F
REAR MONITOR OPTION
MS R
KB R
MS F
KB F
MS2
KB2
MS1
KB1
9-5B
RS PC
SELECTOR
MOUSE/KEYBOARD
KB/MS PC
9-
1B
CV-MS F
CV-KB F
MS F
KB F
9-5C
COM
ATX POW ER
5-2B
BUTTERY UNIT
CN55
CN123
CN125
1-4C
CPU BOA RD
LAN
CN13
COM1
CN1
HDD I/F
IDE
LPT
USB1
USB2
FDD
MS1
KB1
DVI1
12-4A
MOUSE
KB
EXT 1
RS-PC
7-3B
IP-X5
PCB
NTSC1
NTSC2
12-3C
DVI OUT2
(CN6)
AVI2
(CN4)
AVI1
(CN3)
(CN1)
INPS
RS232 TO
MONITOR(CN12)
SUPER
IMPOSE
BOARD
RS232 TO
MONITOR(CN12)
DVI OUT1
(CN5)
DVI IN
(CN2)
EXT 1
RS-PC
USB2
USB1
COVER
CPU
COM2
(RS1)
F
LCD
RS232C
FRONT MONITOR
RS232C
VIDEO
DC12V
RS232C
ATX-5
9-4B
ATX POWER
CN10
CN8
12-5C
REAR MONITOR
DC12V
RS232C
VIDEO
R LCD RS232C RS2
R-LCD
ATX-8
ATX-10
F-LCD
F LCD RS232C
RS1
9-4C
RS1
MOUSE/KEYBOARD
SELECTOR
RS2
SSD
HDD-CP
HDD LAMP
HDD
HLC
COVER
1 2
3
18
19
4
5
20
21
22
23
24
6
7
25
11
12
29
31
8
9
10
32
33
32
33
9
10
46
47
50
51
48
39
38
36
37
13
14
40
15
46
47
3
52
27
27
28
54
53
45
45
44
41
42
16
54
55
34
57
58
56
17
13
17
49
34
35 43
3
30
OP
CN7L
COVER OPEN SW_LF
OPEF-2
OP CN1
COVER OPEN SW_RF
CN7R
OP
22
21
26
MINIPATLITE
MNLT_R
COVER OPEN SW_LR
CN7L
OP
22
21
20
MINIPATLITE
MNLT_L
OPEF-7
OP CN8
COVER OPEN SW_RR
MNLT_R
MINIPATLITE
26
21
22
OP
CN7R
OPEF-2
OP CN1
KEYBOARD WITH TRACBALL
(SPACER ASM)
48
REAR
KEYBOARD WITH TRACBALL
(SPACER ASM)
48
HDD LAMP
NOTE1
PARTS NUMBER FOR EN:( )
PARTS NUMBER FOR XL:[ ]
PARTS NUMBER FOR XL-EN:([ ])
CN5
ISM COOPERATION OP
BARCORD READE R(R)
BARCORD READER(F)
COVER
60
59
60
59
61 61

- 180 -
NOTE( 注記 ) #01....FOR EN EN 用
#02....FOR ISM COOPERATION OP ISM COOPERATION OP 用
REF.NO NOTE PART NO D E S C R I P T I O N
品 名
Qty
1 401-23596 POWER_SUPPLY_ASSY_RA-L(ST)
電源供給組 RA(左)ST
1
2
#01
401-23599 POWER SUPPLY ASSY L(EN)
電源供給組(左)EN
1
3 400-03281 MOUSE/KEYBOARD SELECTOR
マウス/キーボード切換器
1
4 400-47520 OPERATION PCB FRONT ASM
オペレーション基板前面組
1
5
#01
400-47543 OPERATION PCB FRONT ASM (EN)
オペレーション基板前面組(EN)
1
6 401-23602 POWER_SUPPLY_ASSY_RA-R(ST) 電源供給組 RA(右)ST 1
7
#01
401-23603 POWER SUPPLY ASSY R(EN)
電源供給組(右)EN
1
8 401-19361 XY-RELAY PCB ASM
XY − RELAY 基板組
1
9 400-48060 HOD ASM
HOD 組
1
10
#01
400-48061 HOD ASM(EN)
HOD 組(EN)
1
11 400-47542 OPERATION PCB REAR ASM
オペレーション基板背面組
1
12
#01
400-47544 OPERATION PCB REAR ASM (EN)
オペレーション基板背面組(EN)
1
13 400-48006 ATX PSU
ATX 電源
1
14 400-48007 BATTERY UNIT
バッテリユニット
1
15 401-07372 CPU BOARD
CPU ボード
1
16 401-22813 SUPER INPAUSE BOARD
スーパーインポーズボード
1
17 401-58158 15INCH LCD MONITOR
15インチ LCD モニタ
1
18 400-89883 OPERATION PWR CABLE (F) ASM XL
オペレーション電源ケーブル組(F)XL
1
19 400-47823 CONSOLE SELECT CABLE ASM
コンソール切換ケーブル組
1
20 401-20274 C OPEN-MINI SIG RLY CABLE(L)ASM
C オープン_ミニパト中継ケーブル L 組
1
21 400-02254 COVER OPEN SW CABLE ASM
カバーオープンスイッチケーブル組
1
22 400-48055 MINI PATLITE ASM
ミニパトライト組
1
23 401-20505 EMG SW(F) ASM
EMG SW(F)組
1
24
#01
401-20507 EMG SW(F) ASM(EN)
EMG SW(F)組(EN)
1
25 400-89884 OPERATION PWR CABLE (R) ASM XL
オペレーション電源ケーブル組(R) XL
1
26 401-20275 C OPEN-MINI SIG RLY CABLE(R)ASM
C オープン_ミニパト中継ケーブル R 組
1
27 400-48042 VIDEO CABLE
ビデオケーブル
1
28 400-47528 IP-X5 PCB ASM
IP − X 5基板 組図
1
29 400-02251 OPERATION ON SW CABLE ASM
オペレーションオン SW ケーブル組
1
30 400-89885 OPERATION RLY CABLE (F) ASM XL オペレーションリレーケーブル組(F)XL
1
31 400-89886 OPERATION RLY CABLE (R) ASM XL
オペレーションリレーケーブル組(R)XL
1
32 400-79872 HOD CABLE ASM
HOD 束線組
1
33
#01
400-79873 HOD CABLE1 ASM
HOD 束線組_1(EN)
1
34 400-27815 F-232C CABLE ASM
F −232 C ケーブル組
1
35 401-19592 F LCD POWER CABLE ASM
フロント LCD 電源ケーブル組
1
36 401-20506 EMG SW(R) ASM
EMG SW(R)組
1
37
#01
401-20508 EMG SW(R) ASM(EN)
EMG SW(R)組(EN)
1
38 400-48045 SIGNAL TOWER LIGHT ASM
シグナルタワーライト組
1
39 400-47822 SIGNAL LIGHT RLY CABLE ASM
シグナルライトリレーケーブル組
1
40 400-48030 UPS 232C CABLE ASM
UPS 通信ケーブル組
1
41 401-19514 HLC LAN CABLE ASM
HLC LAN ケーブル組
1
42 401-32167 ENVIRONMENT SYSTEM 132 ASM
環境ディスク組132(システム&データ)
1
43 401-19593 R LCD POWER CABLE ASM リア LCD 電源ケーブル組 1
44 400-47492 HDD I/F CABLE ASM
HDD インターフェイスケーブル組
1
45 401-22816 USB CABLE 2M
USB ケーブル2 M
1
46 400-47494 F-KEYBOARD CABLE ASM
F キーボードケーブル組
1
47 400-47493 F-MOUSE CABLE ASM
F マウスケーブル組
1
48 401-32159 PS2 KEYBOARD SP ASM
PS 2キーボード SP 組
1
49 400-89889 OP-232C CABLE (R) ASM XL
232 C ケーブル(R)組 XL
1
50 400-89899 R-KEY BOARD CABLE ASM XL
R −キーボードケーブル組 XL
1
51 400-89898 R-MOUSE CABLE ASM XL
R −マウスケーブル組 XL
1
52 400-03282 MOUSE/KEYBOARD SELECTOR CABLE ASM
マウス/キーボード切換器ケーブル組
1
53 400-48031 PANEL LINK CABLE 1M
パネルリンクケーブル 1 M
1
54 400-02264 OP-232C CABLE ASM
オプション232 C ケーブル組
1
55 400-98948 MONITOR 232C RLY CABLE ASM
モニタ通信中継ケーブル組
1
56 400-48081 PANEL LINK CABLE 5.0M パネルリンクケーブル 5.0 M 1
57 400-03312 PANEL LINK CABLE
パネルリンク
1
58 400-47852 INPAUSE BOARD PWR CABLE ASM
インポーズ基板電源ケーブル組
1
59
#02
401-73481 USB REPEATER CABLE
USB リピーターケーブル
1
60
#02
401-73482 USB BARCORD READER CABLE(4M)
USB バーコードリーダーケーブル(4 M)
1
61
#02
E
Z
-1458644-11 READER BAR CODE
バーコードリーダ(GD 4430− BK)
1

- 181 -
91.SYSTEM DIAGRAM (FEEDER STATION)
SYSTEM DIAGRAM(FEEDER STATION)
PWRL67
9-1A
POWER UNIT(L)
CN023
10-3C
PWRL023
ETHER-SLAVE
PCB(FEEDER_R)
CN 1
10-3A
CN1
CN2
CN2
J2
J1
8-1B
ETHER-SLAVE
PCB(FEEDER_L)
L ED P CB LF 1
CN1
LED PCB LF 2
CN1
LED PCB LF 3
CN1
LED PCB LR 1
CN 1
CN541
FDL15
CN551
CN561
CN541
CN551
FDL17
FDL16
LED PCB LR 2
LED PCB LR 3
CN1
CN1
FPI OPTION
CN561 FLD18
CN18
11-1A
CN21
CN17
CN16
CN21
CN15
CN30
CN27
CN28
CN5
CN20
CN30
CN27
CN28
CN5
CN20
P2
P1
CN19
CN19
CN5
CN20
CN20
CN5
CN1
FEEDER PCB (L)
FDL-1
FDRL19
F- SN S L
CAL F
CAL F(L)
CN491
CN669
CAL PCB
CN1 CN2
ATC-OP
ATC-CL
FROAT-F(RCV)
FROAT-R(RCV)
BANK-UPL
BANK-UPR
ATC S.V
FROAT-F(E)
FROAT-R(E)
SOT-CHK
CAL R CAL R(L)
CN491
CN669
XYEMGL
CAL PCB
CN1 CN2
CN492
ATC-OP
ATC-CL
FROAT-F(RCV)
FROAT-R(RCV)
BANK-UPL
BANK-UPR
ATC S.V
FROAT-F(E)
FROAT-R(E)
SOT-CHK
SOT CHECK S.V.
FEEDER FLOAT SENSOR(LR-R)
FEEDER FLOAT SENSOR(LR-F)
ATC S.V (LR)
BANK UP SENSOR (LR-R)
BANK UP SENSOR (LR-L)
in the case of "FIXED ELEC BANK",
refer to 10-3D
(EMISSION)
(EMISSION)
FEEDER FLOAT SENSOR(LR-R)
FEEDER FLOAT SENSOR(LR-F)
ATC CLOSE SENSOR(LR)
ATC OPEN SENSOR(LR)
(RECEIVING)
(RECEIVING)
CAL S.V. (LR)
CAL VACUUM SENSOR (LR)
XYEMGL
XY 7
10-5C
CN7
XY RELAY PCB
9-2C
SOTCHECKS.V.
FEEDER FLOAT SENSOR(LF-R)
FEEDER FLOAT SENSOR(LF-F)
ATC S.V (LF)
BANK UP SENSOR (LF-R)
BANK UP SENSOR (LF-L)
(EMISSION)
(EMISSION)
in the case of "FIXED ELEC BANK",
refer to 10-3D
FEEDER FLOAT SENSOR(LF-R)
(RECEIVING)
(RECEIVING)
FEEDER FLOAT SENSOR(LF-F)
ATC CLOSE SENSOR(LF)
ATC OPEN SENSOR(LF)
CAL VACUUM SENSOR (LF)
CAL S.V. (LF)
MECH/ELEC TROLY OPTION
ETF FORA SENSOR(LR)(EMISSION)
ETF FOAT SENSOR(LR)(RECEIVING)
E-FROAT(E)
E-FROAT(RCV)
LED PCB RR 3
LED PCB RR 2
L ED P CB RR 1
LED PCB RF 3
LED PCB RF 2
LED PCB RF 1
FPI OPTION
CN1
CN 1
CN1
CN 1
CN1
CN 1
10-1A
POWER UNIT(L)
CN067
11-1A
MECH/ELEC TROLY OPTION
ETF FORA SENSOR(LF)(EMISSION)
ETF FOAT SENSOR(LF)(RECEIVING)
E-FROAT(E)
E-FROAT(RCV)
9-2B
POWER UNIT(R)
CN023
10-5C
PWRR023
10-1A
ETHER-SLAVE
PCB(FEEDER_R)
J1
J2
FDR-1
FEEDER PCB (R)
CN1
P1
P2
CN19
CN5
CN20
CN20
CN5
CN19
FDR15
CN541
CN551
CN15
CN16
FDR16
CN561
CN541
FDR17
CN551
CN17
CN561
FLR18
CN18
11-1C
CN21
CN21
CN30
CN27
CN28
CN5
CN20
CN20
CN5
CN28
CN27
CN30
ATC-OP
ATC-CL
FROAT-F(RCV)
FROAT-R(RCV)
BANK-UPL
BANK-UPR
ATC S.V
FROAT-F(E)
FROAT-R(E)
SOT-CHK
ATC-OP
ATC-CL
FROAT-F(RCV)
FROAT-R(RCV)
BANK-UPL
BANK-UPR
ATC S.V
FROAT-F(E)
FROAT-R(E)
SOT-CHK
SOT CHECK S.V.
FEEDER FLOAT SENSOR(RR-R)
FEEDER FLOAT SENSOR(RR-F)
ATC S.V (RF)
BANK UP SENSOR (RR-R)
BANK UP SENSOR (RR-L)
(EMISSION)
(EMISSION)
in the case of "FIXED ELEC BANK",
refer to 10-3D
FEEDER FLOAT SENSOR(RR-R)
FEEDER FLOAT SENSOR(RR-F)
ATC CLOSE SENSOR(RR)
ATC OPEN SENSOR(RR)
(RECEIVING)
(RECEIVING)
CAL R
CAL R(R)
SOT CHECK S.V.
FEEDER FLOAT SENSOR(RF-R)
FEEDER FLOAT SENSOR(RF-F)
ATC S.V (RF)
BANK UP SENSOR (RF-R)
BANK UP SENSOR (RF-L)
(EMISSION)
(EMISSION)
in the case of "FIXED ELEC BANK",
refer to 10-3D
FEEDER FLOAT SENSOR(RF-R)
FEEDER FLOAT SENSOR(RF-F)
ATC CLOSE SENSOR(RF)
ATC OPEN SENSOR(RF)
(RECEIVING)
(RECEIVING)
CAL F
CAL F(R)
CN491
CN669
CAL PCB
CN 1
CN2
CAL S.V. (RF)
ETF FOAT SENSOR(RF)(RECEIVING)
ETF FORA SENSOR(RF)(EMISSION)
E-FROAT(RCV)
E-FROAT(E)
MECH/ELEC TROLY OPTION
CAL S.V. (LR)
CAL PCB
CN 1 C N2
CN669
CN491
XYEMGR XYEMGR
PWRL67
10-3A
POWER UNIT(R)
CN067
11-1C
XY7
10-3C
XY RELAY PCB
CN7
12-1B
ETF FOAT SENSOR(RR)(RECEIVING)
ETF FORA SENSOR(RR)(EMISSION)
MECH/ELEC TROLY OPTION
E-FROAT(E)
E-FROAT(RCV)
1 24
30 30 30 30 30 30
26
27
28
29
4
6
13
8
14
31
9
10
11
12
15 16 17
18
22 23 24 25
11
21
32
10
12
35
36
37
2019
42
43
22 44 45 25
21
BUP SENS SHORT ASM
BUP SENS SHORT ASM
FIXED ELEC BANK
BANK-UPL
BANK-UPR
4646
1
2
2019
30 30 3030 3030
40
41
4
7
6
1615
11
20
15
19
42
43
16 22 44 45 25
21
26
28
27
29
31
11
38
8
2019
10
21
2524232216
18
1715
39
10
35
36
40
41
37
5
3
CN492
F SNS-R
34
33
FDRL21
F-SNS L
14
13
FDRL19
F SNS-R
FDRL21
33
34
NOTE1
PARTS NUMBER FOR EN:( )
PARTS NUMBER FOR XL:[ ]
PARTS NUMBER FOR XL-EN:([ ])
48
47
48 47
NOTE2
NOTE2
NOTE2
NOTE2
NOTE2
NOTE2
NOTE2
NOTE2
NOTE2
NOTE2
NOTE2
NOTE2
NOTE2
NOTE2
NOTE2
NOTE2
NOTE2
NOTE2
NOTE2
NOTE2
NOTE2
NOTE2
NOTE2
NOTE2
NOTE2
FLOAT SENSOR set of Emitter asn Receiver
surfix _1:Emitter
surfix _2:Receiver