SI-F209_Manual(J)JPG_rev1.pdf - 第206页
ドライバーユニットブロック図 CDF-20204-01 ドライバーユニットブロック図 SHEET 1/2 Y CABLE CONDUIT X FLAT RBT CABLE CABLE CONDUIT 1st CONNECTION PANEL 3rd CONNECTION PANEL A 1-792-281 REF CABLE PARTS NO. B 1-829-452 C 1-829-547 D 1-829-445 E F 1-829-…

サーボモーターブロック図
CDF-20203-01
サーボモーターブロック図
SHEET
2/2
PC UNIT
I/O UNIT (Refer:CDF-20202)
SY-MC BOARD
CN5 CN4
CN3
(DEBUG PORT)
(DEBUG PORT)
PC-SYMC
EMG I/L BOARD
CN8
CONVEYOR ADJ. LS CW
CONVEYOR ADJ. LS CCW
CONVEYOR ADJ. LS ORG
AD-CW
AD-CCW
AD-ORG
CN2
CN3
CN4
CN1
AD-LSB
LS30 / F-DOOR SW
30EX
SERVO I/F UNIT
SY-EX BOARD
(Refer:CDF-20501)
CN13
CN11
CN1
CN9
CN2
CN17
CN16
CN18
CN22
SY-IF2 BOARD
(Refer:CDF-20502)
CN1
CN6
CN2
DRIVER UNIT
(Refer:CDF-20204)
DV-16
DV-12
DV-ACIN
POWER UNIT
(Refer:CDF-20301)
PW-2
COGNEX BOARD
CN3
PC-I/O
CN14
A
F
E
J
CONVEYOR EJECTOR LS CW
CONVEYOR EJECTOR LS CCW
CONVEYOR EJECTOR LS ORG
CECW1
EJS3
CES
CN2
CN3
CN4
CN1
CE-LSB
CN20
K
CECW2
EJS4
CABLE CONDUIT
L
CN8 DV-5
CN19 DV-15
B
C
G
H
DV-EMG1
I/O UNIT
CN37
CN13
CN9
M
EMG I/L BOARD
(Refer:CDF-20401)
CN4 CN1
IF2 LS BOARD
(Refer:CDF-20502)
P
N
D
CN2
X-CW
X AXIS CW
CN6
PH-FFB
VSV
VSEN
PH-FFB
FIEDER-FF
BACKWARD DETECT
CN3
X-CCW
X AXIS CCW
CN4
X-ORG
X AXIS ORG
CN8
HLS3
S
1st CONNECTION
PANEL
2nd CONNECTION
PANEL
X FRAT
RBT
CABLE
2nd CONNECTION
PANEL
YS
FFS
F
F AXIS ORG
FF-ORG
CN1
CN3
CN2
CN4
Y-LS B
Y AXIS ORG
Y AXIS CCW
Y AXIS CW
Y-CW
3rd CONNECTION
PANEL
Y CABLE
CONDUIT
Y CABLE
CONDUIT
CN9
HLS4
HLS5 HLS6
CN17
CN10
NZS
NZS-1
FBLS-1
VAC-1
NZS-2
FBLS
VACSV
VSEN-1
VAMP
16 INPUT
LS BOARD
CN2 H AXIS CW
CN1 H AXIS CCW
CN3 H AXIS ORG
CN4 NS AXIS CCW
CN5 NS AXIS CW
CN6 NS AXIS ORG
CN10 M AXIS ORG
CN9 M AXIS CW
CN8 M AXIS CCW
CN7 R AXIS ORG
CN12 PXS-NP
CN11 PXS-NC
CN13 PXS-NR
NOZZLE POSITION
DETECT
NOZZLE CARTRIGE
DETECT
NOZZLE RELEASE
DETECT
AIR UNIT
VACUUM SELECT
/ BLOW ON
VAC-SEN VACUUM SENSOR
VAC-2
A 1-791-347
REF
CABLE PARTS NO.
B
1-829-445
C
1-792-281
D
1-792-299
E
1-791-312
F
1-829-599
G
1-829-452
H
1-829-547
J
1-791-359
K
1-829-482
L
1-792-312
M
1-829-455
1-792-311
P
N
AD
CONVEYOR
EJECTOR
MOTOR
EJM1 EJM
Q
R
CONVEYOR
ADJUST
MOTOR
DV-17
DV-18
1-829-484
Q
1-829-451
R
1-829-454
S
1-829-600
T
1-829-601
U
1-792-290
M
M
SW1BKSW
T
U

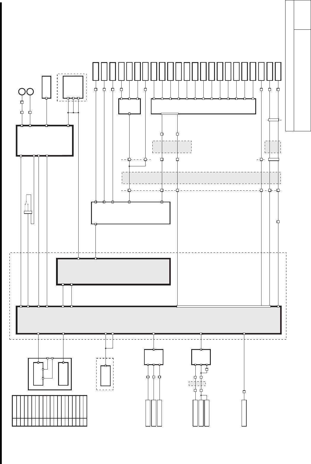
ドライバーユニットブロック図
CDF-20204-01
ドライバーユニットブロック図
SHEET
1/2
Y CABLE
CONDUIT
X FLAT
RBT
CABLE
CABLE
CONDUIT
1st
CONNECTION
PANEL
3rd
CONNECTION
PANEL
A 1-792-281
REF CABLE PARTS NO.
B 1-829-452
C 1-829-547
D 1-829-445
E
F
1-829-455
G
1-791-301
H
1-791-233
J
1-792-280
K
1-829-600
L
1-829-601
M
1-829-446
Q
1-829-443
R
1-829-444
S
1-829-451
T
1-829-497
U
1-829-454
V
W
1-829-447
1-829-479
1-829-442
1-829-594
1-829-508
P
N
X
Y
Z
1-829-628
AA
1-829-630
AB
1-829-629
1-829-631
- -
AC
1-829-595
A
B
C
D
F
M
G
H
J
Q
S
Y
AA
X
Z
AB
V
AC
N
T
P
W
R
KL
DRV-SR
ASD12A-C
DRV-SL
ASD12A-C
POWER UNIT
(Refer:CDF-20301)
PW-2
SERVO I/F UNIT
SY-EX BOARD
(Refer:CDF-20501)
CN16
CN17
DRIVER UNIT
DV-ACIN
DV-12
DV-16
I/O UNIT
EMG I/L BOARD
(Refer:CDF-20401)
SY-IF2 BOARD
(Refer:CDF-20502)
CN10
CN2
DV-EMG2
TB1
DV-7
DV-11
DV-6
DV-18
DV-9
BK1 BK2 HM
AD
M
CONVEYOR
ADJUST MOTOR
DV-17
EJM
EJM1
M
CONVEYOR
EJECTOR MOTOR
SRM
SR MOTOR
M
E
SR ENCODER
SLM
SL MOTOR
M
E
SL ENCODER
FCPOW FCIF1
CASSETTE I/F BOARD (FRONT)
(Refer:CDF-21001)
CN8
DV-5
E
CN9
DV-EMG1
CN13
CN37
CN19
DV-15
DV-14
TPL5V
TOUCH PANEL
CONTROL BOARD
EX02
TB1
TB2
DV-8
DW3
TB1
DV-4
DV-3
RESERVED
FDD
DV-2
HANDY CONSOLE
CONTROL BOARD
(Refer:CDF-20602)
CN17
CN4
CN42
CN5
U
SERVO UNIT
(Refer:CDF-20203)
DV-ACOUT1
DV-ACOUT2
PC UNIT
24VIN
DV-10
CONVEYOR
CONTROL BOARD
(Refer:CDF-20402)
TB1
TB2
DV-1
M
H AXIS
MOTOR
SV-ACIN1
SV-ACIN2
1
2
3
4
5
BKSW
TRAY I/F BOARD
TRAY UNIT (Refer:CDF-20901)
CN4
CN2
CN4
CN2
SR AXIS
SL AXIS
SW1

ドライバーユニットブロック図
CDF-20204-01
ドライバーユニットブロック図
SHEET
2/2
DRIVER UNIT
3
4
1
2
RESERVED
1
3
2
4
DV-6
TOUCH PANEL
CONTROL BOARD(EX02)
TRAY UNIT
TRAY I/F BOARD(CN17)
1
2
3
4
DV-2
HANDY CONSOLE
CONTROL BOARD
(TB1, TB2)
1
2
3
4
DV-10
PC UNIT
(24VIN)
CASSETTE I/F BOARD
(FRONT)
H AXIS MOTOR
DV-9
2
1
DV-11
1
2
3
4
5
6
DV-1
I/O UNIT
CONVEYOR CONTROL
BOARD (TB1, TB2)
SERVO I/F UNIT
SY-EX BOARD
(CN19)
CONVEYOR
EJECTOR MOTOR
I/O UNIT
EMG I/L BOARD
(EL-9, EL-13, EL-37)
I/O UNIT
EMG I/L BOARD
(EL-10)
SERIAL DIO
CONVEYOR ADJ.
MOTOR
SERVO I/F UNIT
SY-EX BOARD
(CN17)
1
2
DV-4
FDD
1
2
DV-7
I/O UNIT
EMG I/L BOARD (TB1)
1
2
DV-8
DW3
(TB1)
5
6
7
3
4
1
2
DV-5
DV-3
SERVO I/F UNIT
SY-EX BOARD
(CN8)
PS3 50W
+5V/8.0A, +12V/1.5A, -12V/1.0A
CN1 CN2
FG
1
2
3
5
7
+12B
G12B
-12B
5
3
PS1 300W
+24V/14A
+
-
+24B
G24B
+12A
G12A
-12A
+5A
L
N
FG
PS2 30W
+5V/5.0A, +12V/1.2A, -12V/0.6A
CN1 CN2
FG
FG
FG
1
2
3
5
7
5
3
PS4 75W
+24V/3.2A
CN1
CN2
3
4
1
3
PS5 10W
+24V/0.45A
CN1 CN2
2
3
1
1
3
1
2
DV-12
1
2
3
4
6
7
8
9
11
10
DV-17
CONVEYOR EJECTOR
MOTOR DRIVER
CN1 CN2
1
2
3
4
6
7
8
9
10
1
2
3
4
5
6
DV-15
CN3
+5V
CW
+5V
CCW
TIM
GND
ALM
GND
9
10
11
12
23
24
25
26
1
2
3
4
DV-EMG1
3
4
1
2
DV-EMG2
1
2
ALARM I/F BOARD
CN7 CN5
1
2
3
4
1
2
3
4
5
DV-19
CN6
1
2
3
4
5
CN2
1
2
3
CN3
1
2
3
CN4
1
2
3
CN1
1
2
3
1
2
CONVEYOR ADJ.
MOTOR DRIVER
CN1
1
2
3
4
5
6
DV-16
CN3
14
13
1
2
3
4
11
12
DV-18
CN2
1
2
3
4
5
1
2
3
4
5
1
2
G24B+24B
CP1
CP2
CR1
CR1
CR1
MC1
CP5
CP3
CP4
4
5
1
2
3
6
DV-ACIN
1
2
3
4
DV-ACOUT2
POWER UNIT
1
2
3
4
DV-14
TRAY UNIT
TRAY I/F BOARD
(CN42)
1
2
3
6
5
4
9
DV-ACOUT1
SERVO UNIT
(SV-ACIN1)
SERVO UNIT
(SV-ACIN2)
MC1
+24B G24B
3
4
1
2
6
5
CR2
CR2
MC2
MC3
MC2
MC3
CR3
FG
DRV-SL
ASD12A-C
CN2
L
N
1
CN4
1
10
2
30
FG
DRV-SR
ASD12A-C
CN2
L
N
1
CN4
1
10
2
30
SL AXIS MOTOR
TRAY UNIT
TRAY I/F BOARD
(CN5)
SR AXIS MOTOR
TRAY UNIT
TRAY I/F BOARD
(CN4)
CR3