00198142-01_AI_Stationary-Camera-25-33_TX_de_en.pdf - 第47页
Anhang 4.2.1 Stationäre Kameras Platinenbeschreibungen Stationary Camera Typ e 25/33 Stationäre Kamera Typ 25/33 47 03117981-01 1 CAN-Bus 2 X4: Kabel Stromversorgung 3 X5: Kabel Stromversorgung, Brücke zu FC- Kamera 4 DI…

Anhang
Platinenbeschreibungen 4.2.1 Stationäre Kameras
46 Stationary Camera Type 25/33 Stationäre Kamera Typ 25/33
4.2.1.2
4.2.1.2 Vision LED Controller VLC33 GigE DTC [03117981-xx]
Vision LED Controller VLC33 GigE DTC [03117981-xx]
Diese Platine ist Bestandteil der stationären Kameras SST33 GigE.
DIP-Schalter S1 für SST33 [03117981-01]
1 DIP-Schalter SW1
Schalter Status Signalname Beschreibung
S1.1 OFF VCU_CODE OFF: Normalbetrieb, ON: Reset
Portal 1 Portal 2 Portal 3 Portal 4
S1.2 ON/OFF PORTAL_ID_0 OFF ON OFF ON
S1.3 ON/OFF PORTAL_ID_1 OFF OFF ON ON
S1.4 OFF SMD_LED OFF: Standard-LED, ON: SMD-LED
S1.5 OFF CAN_H OFF: mit CAN-Abschlusswiderstand
ON: ohne CAN-Abschlusswiderstand
S1.6 ON CAN_GRUPPE ON: IC-Camera, OFF: FC-Camera

Anhang
4.2.1 Stationäre Kameras Platinenbeschreibungen
Stationary Camera Type 25/33 Stationäre Kamera Typ 25/33 47
03117981-01
1 CAN-Bus 2 X4: Kabel Stromversorgung
3 X5: Kabel Stromversorgung, Brücke zu FC-
Kamera
4 DIP-Schalter

Anhang
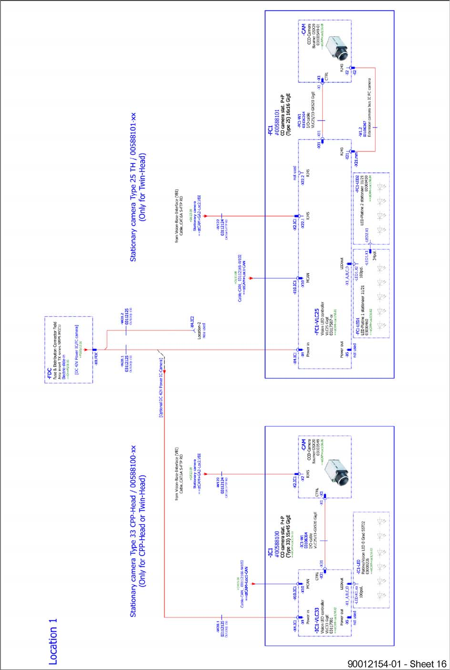
Stromlaufpläne 4.2.1 Stationäre Kameras
48 Stationary Camera Type 25/33 Stationäre Kamera Typ 25/33
4.3
4.3 Stromlaufpläne
Stromlaufpläne
Stationäre Kamera