00198142-01_AI_Stationary-Camera-25-33_TX_de_en.pdf - 第89页
Appendix 4.2.1 Stationary cameras Description of Boards Stationary Camera Typ e 25/33 Stationäre Kamera Typ 25/33 89 03117981-01 1 CAN bus 2 X4: Cable for power supply 3 X 5: Cable fo r power supply, bridge to FC camera …

Appendix
Description of Boards 4.2.1 Stationary cameras
88 Stationary Camera Type 25/33 Stationäre Kamera Typ 25/33
4.2.1.2
4.2.1.2 Vision LED Controller VLC33 GigE DTC [03117981-xx]
Vision LED Controller VLC33 GigE DTC [03117981-xx]
This board is part of the stationary cameras SST33 GigE.
DIP switch S1 for SST33 [03117981-01]
1 DIP switch SW1
Switch Status Signal name Description
S1.1 OFF VCU_CODE OFF: normal operation, ON: Reset
Gantry 1 Gantry 2 Gantry 3 Gantry 4
S1.2 ON/OFF PORTAL_ID_0 OFF ON OFF ON
S1.3 ON/OFF GANTRY_ID_1 OFF OFF ON ON
S1.4 OFF SMD_LED OFF: standard LED, ON: SMD LED
S1.5 OFF CAN_H OFF: with CAN terminator
ON: without CAN terminator
S1.6 ON CAN_GROUP ON: IC camera , OFF: FC camera

Appendix
4.2.1 Stationary cameras Description of Boards
Stationary Camera Type 25/33 Stationäre Kamera Typ 25/33 89
03117981-01
1 CAN bus 2 X4: Cable for power supply
3 X5: Cable for power supply, bridge to FC
camera
4 DIP switch

Appendix
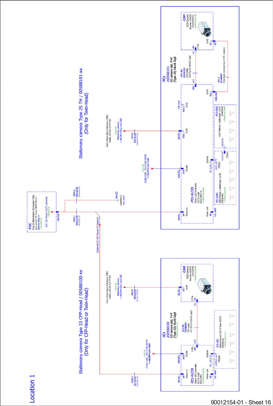
Circuit Diagrams 4.2.1 Stationary cameras
90 Stationary Camera Type 25/33 Stationäre Kamera Typ 25/33
4.3
4.3 Circuit Diagrams
Circuit Diagrams
Stationary camera