OM-1754-001w_GS-F600.pdf - 第172页
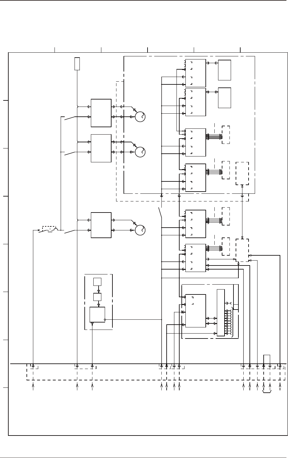
OM-1754 5-14 1303-001-(1015W A---1001) G5S FULL TRA Y Block Diagrams 4.2 Electrical Circuit Diagrams G5S FULL TRA Y Block Diagrams 1 2 3 4 5 6 7 8 A B C D E F CN1 CN3 X2 U69 STL T_FB U68 CN100 SV -NET X30D K101 Q101 A01 …

OM-1754
5-131303-001
4.1 Electrical and Electronic Symbols

OM-1754
5-141303-001-(1015WA---1001)
G5S FULL TRAY Block Diagrams
4.2 Electrical Circuit Diagrams
G5S FULL TRAY Block Diagrams
1 2 3 4 5 6 7 8
A
B
C
D
E
F
CN1 CN3X2
U69
STLT_FB
U68
CN100
SV-NET
X30D
K101
Q101
A01
CN1 CN2
A03
CN1 CN2
M01
3
M
CN3 CN5
M03
U156
SW-DN
X30A
X1
X30A
X30A
CN3 CN5
3
M
AC200V
X30C
X30
TV EL2
FB-SRS
U
Load
PWR
RS-232C
PWR
【ACV:OP】
ACV IDCtr
U150
ILB-TV1
CN1
Ampli
fier
Antenna
CN01 - 10
CN101 CN102
CN16
CN1 CN3
PWR
ILB-TV2 ILB-EL1
U151 U152
PWR PWR
CN9CN8CN6CN1
PWR
RS232C
X2X1 X2X1
Load
U157
SW-UP
CN1
ILB-EL2
U153
PWR
X2X1
A02
CN1 CN2
CN3 CN5
EL1
M02
3
M
ILB-SWDN
U154
PWR
X2X1
ILB-SWUP
U155
PWR
X2X1
【Elevator】
K201 K301
UP
T
DN
UP DN
CN2 CN1 CN3
UP
T
DN
CN2 CN1 CN3
UP
T
DN
CN2 CN1 CN3
UP
T
DN
CN2 CN1 CN3
UP
T
DN
CN2 CN1 CN3
UP
T
DN
CN2
K505
X30D
XACV
X35
Load Load Load Load
Sensor Sensor
Hith Speed IO
Hith Speed IO Hith Speed IO Hith Speed IO Hith Speed IO Hith Speed IO Hith Speed IO
Full-layer Tray Connection Check
High Speed IO
Safety Circuit Power(24A2)
Sensor Load Power(24G)
Feeder Base Power (24G)
Emergency Stop Detection
(
Main Machine
)
TV/ EV Power Supply
(To Main Machine ILB)
RS232C
Interlock Signal(To Main Machine ILB)
Terminal
Resistance
【Main Machine Side】 【Traverse】
Sensor and
Load
Sensor and
Load
Each Relay and
Safety Circuit
Tape Feeder I/O Lane U
Sensor and
Load
Sensor and
Load
Safety Switch
Sensor Sensor Sensor Sensor
Bundled Connector

5OM-1754
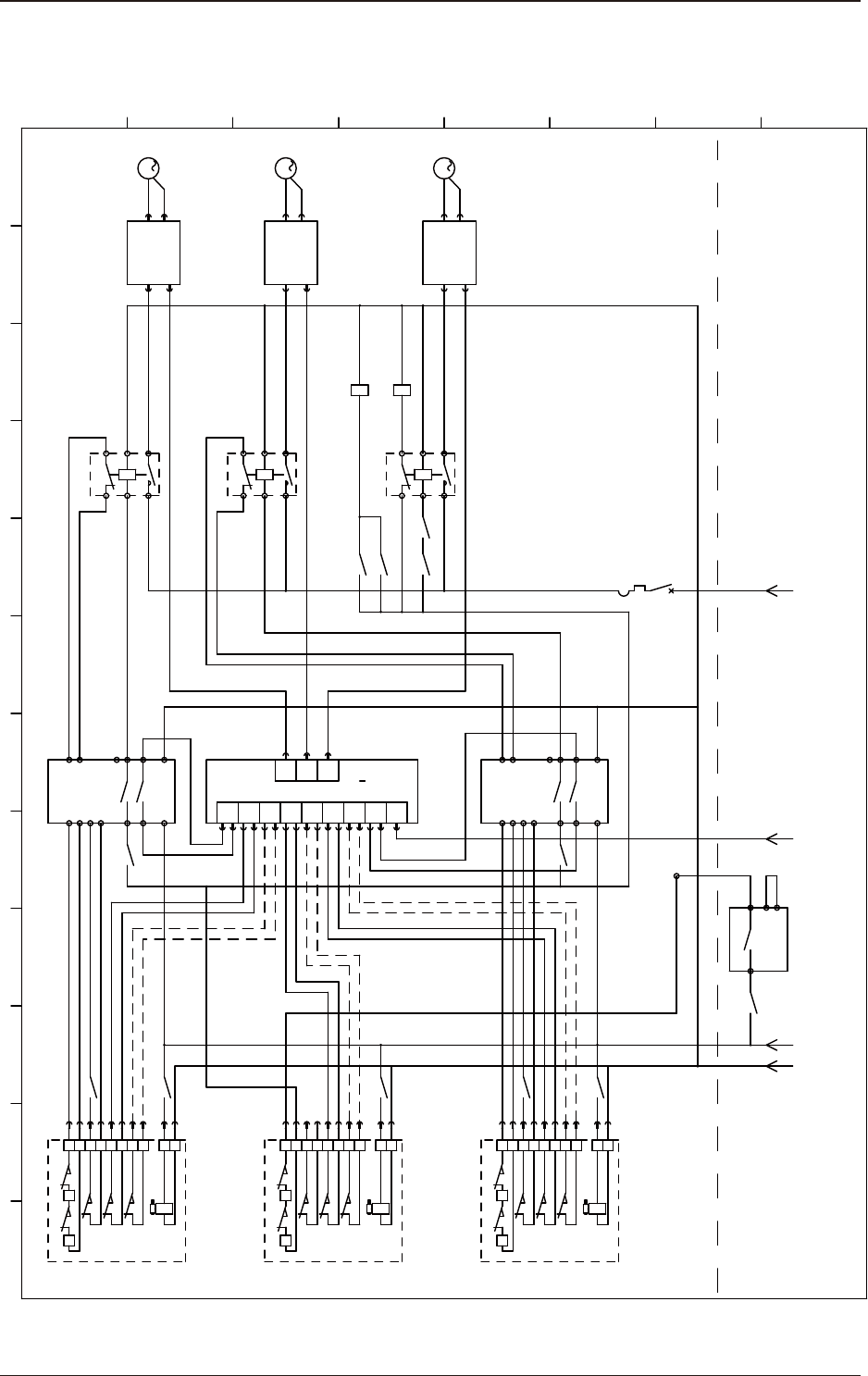
5-151303-001-(1015WA---1002)
G5S FULL TRAY Circuits Blok Diagrams
G5S FULL TRAY Safety Circuits Block Diagrams
1 2 3 4 5 6 7 8 9 10 11 12
A
B
C
D
E
F
G
H
51
52
A1
A2
11
42
21
22
51
52
A1
A2
31
32
1241
K301
CN1
A03
CN3
CN5
M03
3
M
51
52
A1
A2
T11
T12
T21
T22
K201
CN1
A02
CN3
CN5
M02
3
M
CN1
A01
CN3
CN5
M01
3
M
K002
T31
T32
2423
K508
K509
K507
1413
A1
T11
T12
T21
T22
K001
T31
T32
2423
1413
A1
A2
K503
K502
K3
44
43
T31
T32
K22
24A2
A2
10A
445
CN7
CN7
CN7
Machine Side
Tray Side
K101
11
42
21
22
31
32
1241
11
42
21
22
31
32
1241
K512
K513
K513
K513
K512
K508
K507
K504
Q101
UB95-1
UB95-4
P-ON0
421
S0502(Upper)
Power To Lock
Safety Switch
Rock Contact
Open/Close Contact
Open/Close Contact
Open/Close Contact
Rock Contact
S0503(Magazine)
Power To Lock
Safety Switch
Rock Contact
Open/Close Contact
Open/Close Contact
Open/Close Contact
Rock Contact
S0503(Lower)
Power To Lock
Safety Switch
Rock Contact
Open/Close Contact
Open/Close Contact
Open/Close Contact
Rock Contact
Safety Relay
Check the Solvent
The welding check for TV or EV is
performed on the multi-layer tray side.
Emergency Stop Detection
Safety Relay
Check the Solvent
I/O PCB
Input
Input
Input
Input
Input
Input
Input
Input
Input
Output
Output
Output
Safety Relay
Check the Solvent
EV2 Main Power ON
EV2(Upper)
EV1 Main Power ON
EV1(Lower)
TV
TV Main Power ON
For Check the Solvent
For Check the Solvent
AC200V(Single-Phase)