OM-1754-001w_GS-F600.pdf - 第178页
OM-1754 5-20 1303-001-(1015WB---1005) G5S FULL TRA Y T raverse ILB IN1 G5S FULL TRA Y T raverse ILB IN1 1 2 3 4 5 6 7 8 A B C D E F / RX RX / TX TX SG CN30 CN31 CN32 CN33 CN34 CN35 CN36 CN37 4 SG TX / TX RX / RX 1 2 3 3 …

5OM-1754
5-191303-001-(1015WB---1004)
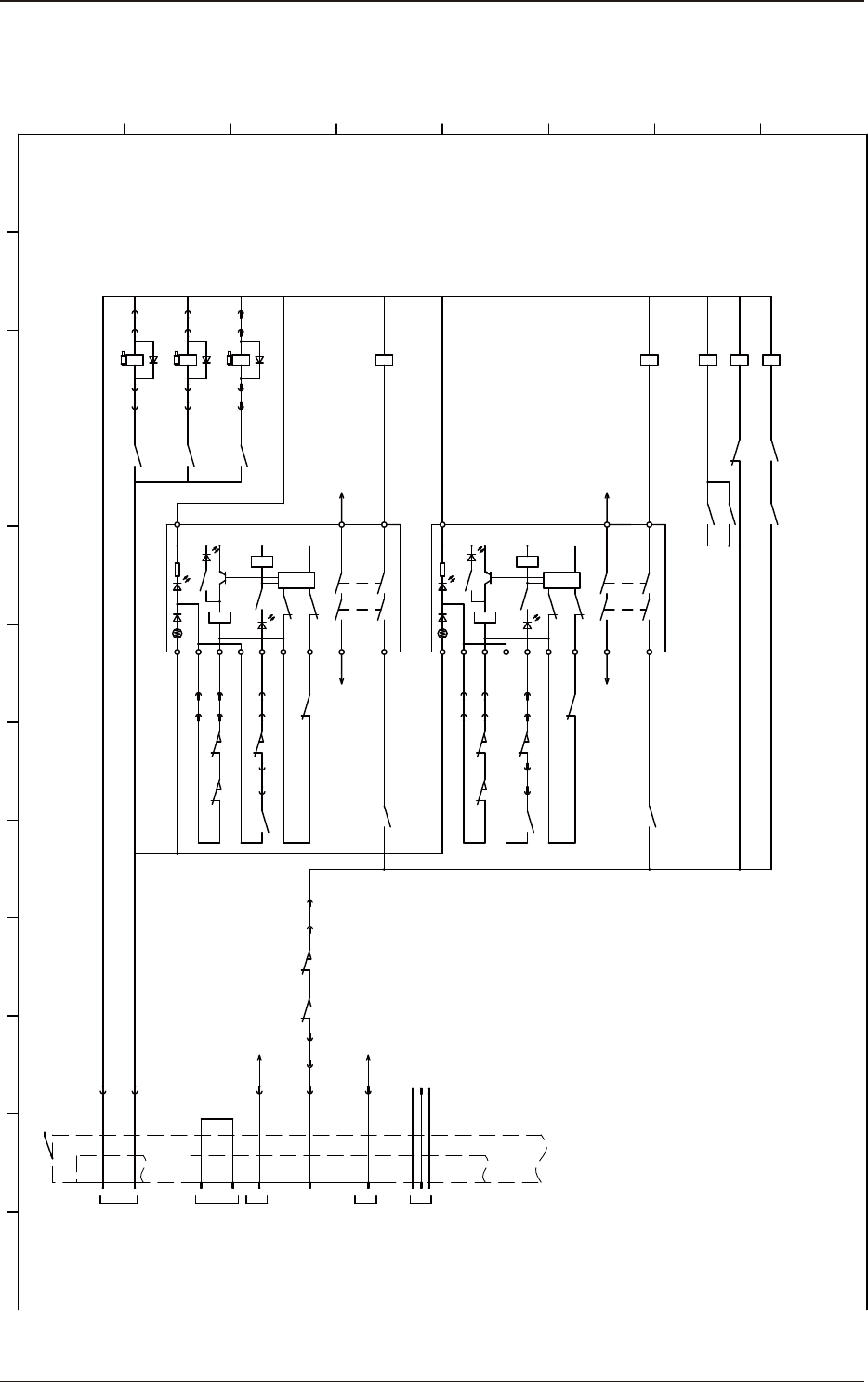
G5S FULL TRAY Power Section
G5S FULL TRAY Power Section
1 2 3 4 5 6 7 8 9 10 11 12
A
B
C
D
E
F
G
H
X30
A module
(12Pins)
:3
:4
24
13
23
T32
T31
T22
T12
T11
T21
A1
14
A2
:5
S0501
41 42
S0503
11 12
21 22
K201
A1 A2
K503
2 6
K301
A1 A2
K504
3 7
K201
21 22
K301
21 22
K101
A1 A2
K502
1 5
S0501
S0502
S0503
24
13
23
T32
T31
T22
T12
T11
T21
A1
14
A2
U151 U151
U151 U151
:6
U150(ILB TV)
X15043(CN43):2
[B-/05/2B]
PWRTH
K1 K2
Circuit
Control
K2
K2
K1
K1
K2
K1
K001
K002
10A
24A2
(12Pins)
[B-/06/2C] [B-/06/2C]
[B-/06/2D] [B-/06/2D]
10B
10B
S0503
41 42
K509
3 4
K508
3 4
K507
3 4
:1
:3
[D-/22/4F]:(2)
K513
6 5
K101
21 22
K512
8 1
K513
3 4
K513
8 1
K512
3 4
[D-/12/4E]:(1)
[D-/22/4E]:(2)
[D-/12/4F]:(1)
[D-/22/8E]:(2)
[D-/12/8E]:(1)
S0501
11 12
K507
S0501
5 6
A1 A2
A1 A2
A1 A2
S0502
41 42
S0502
11 12
21 22
K508
S0502
5 6
PWRTH
K1 K2
Circuit
Control
K2
K2
K1
K1
K2
K1
X35
:55
X35
:56
X35
:39
:40
:42
X35
:41
X35
:49
:50
:52
X35
:51
X35
:37
X35
:38
:43 :44
:53 :54
U150(ILB TV1)
X15011(CN11):1
[B-/07/2C]
:4
[D-/22/8E]:(2)
[D-/12/8E]:(1)
:4
:2
XTB1
:1
:3
XTB1
:5
X1S05
:B7
X1S05
:B8
X1S05
:A3
:A4
:A6
X1S05
:A5
X1S05
:B1
:B2
:B4
X1S05
:B3
X1S05
:A1
X1S05
:A2
:A7 :A8
:B5 :B6
D module
XTB1
XTB1
XTB1
P-ON
P-ON3 P-ON4
P-ON2
P-ON1
P-ONEL1
P-ONEL2
P-ON0
450
450
:7
:8
:9
:9
:2
:3
XACV
(SG)
(SD)
(RD)
ACV IDCtr(OP)RS-232C
Insert the noise cancellation circuit in the input section.
Input Delay Time: 300µs to 450µs
EV2 Main Circuit Power Supply ON
TV Main Circuit Power Supply ON
X15137:For1
X15136:For1
External Unit Connecting Bundled Connector
DC Load Power
Full-layer Tray
Connection Check
Feeder Base Interlock
Multi-layer Tray Power Supply
Emergency Stop Detection
ACV Tag Antenna (OP)
(Magazine)
Safety Door Switch
Safety Door Switch (Lower)
X151236 : For 2
X15137:For 2
Safety Door Switch (Upper)
Safety Door Lock : Lower
Safety Door Lock : Upper
Safety Door Lock : Magazine
EV1 Main Circuit Power Supply ON

OM-1754
5-201303-001-(1015WB---1005)
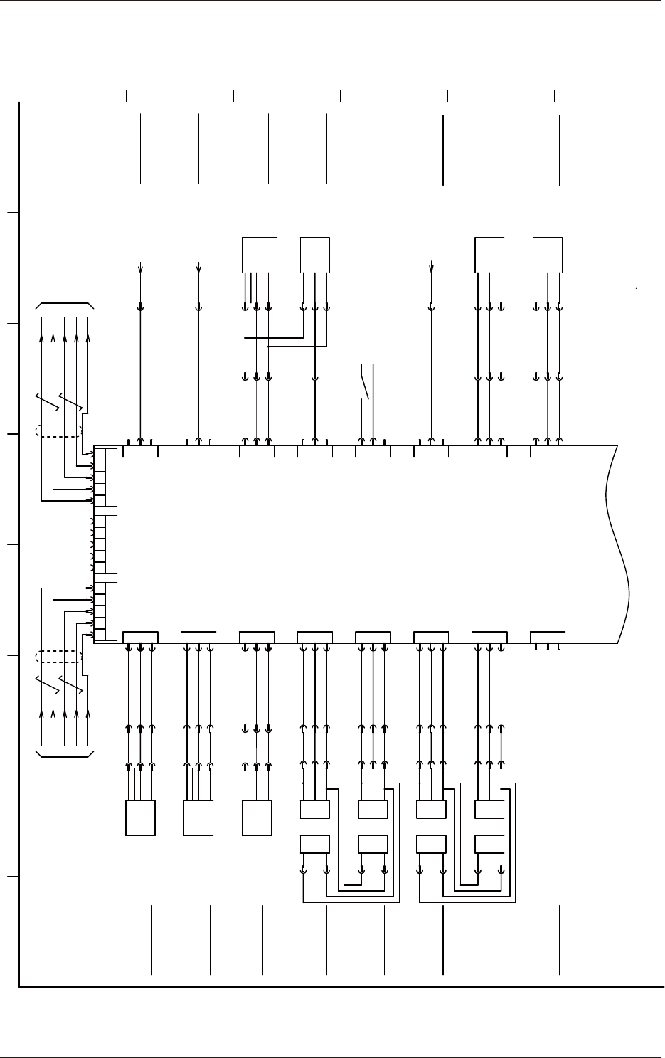
G5S FULL TRAY Traverse ILB IN1
G5S FULL TRAY Traverse ILB IN1
1 2 3 4 5 6 7 8
A
B
C
D
E
F
/RX
RX
/TX
TX
SG
CN30
CN31
CN32
CN33
CN34
CN35
CN36
CN37
4
SG
TX
/TX
RX
/RX
1
2
3
3
2
1
3
2
1
3
2
1
1
2
3
1
2
3
1
2
3
3
2
1
CN45
CN44
CN43
CN42
CN41
CN40
CN39
CN38
1
2
3
3
2
1
3
2
1
3
2
1
1
2
3
1
2
3
1
2
3
3
2
1
Shielded Shielded
X15032
X15030
X15031
X15041
:1
:2
:3
:6
:4
X30C
U69 Feeder IO
[B-/13/4D]
ILB_TV1
U150
10
24G
10
24G
10
24G
B15032
-
OUT1
+
B15032
:1
:2
:3
B15030
-
OUT1
+
B15030
:1
:2
:3
OUT2
B15031
-
OUT1
+
OUT2
[B-/08/3A]
X35
:66
:67
:68
:4
:1
:2
:3
:6
X15101(CN1)
U151(ILB TV2)
B15041
:3
:2
:1
B15041
+
OUT1
-
4
6
3 2
1
1
2
3
6
X15001 X15002
/RX
RX
/TX
TX
SG
4
1
2
3
6
CN2(DN)CN3(T)
CN1(UP)
X15212
[B-/10/2B]
U152(ILB EL1)
X15213
[B-/10/2C]
U152(ILB EL1)
:48
:1
:1
X15038
X15039
X35
X15042
K101
5 6
X15033
X15034
:3
:2
:1
:3
:2
:1
+
OUT
-
:3
:2
:1
B15033
+
OUT
-
B15033
B15033T
-
+
-
+
:1
:2
:2
:1
B15033T
:2
:1
10
24G
10
24G
10
24G
X15035
X15036
B15034
B15034
B15034T
B15034T
B15035
B15035T
+
OUT
--
+
B15035
B15035T
:3
:2
:1
:2
:1
10
24G
B15036
B15036T
+
OUT
--
+
B15036
B15036T
Pass Line
10
24G
X15040
B15040
-
OUT2
+
B15040
:1
:2
:3
OUT1
X15043
-X30D:6
[B-/04/4C]
X15045
10
24G
B15045
-
OUT
+
B15045
:1
:2
:3
X15044
10
24G
B15044
-
OUT
+
B15044
:1
:2
:3
【OP】
B15031
:1
:2
:3
TV-TOP
:1
:2
:3
TV-TOP
:4
:5
:6
TV-TOP-L
:7
:8
:9
TV-TOP-R2
:1
:2
:3
TV-TOPーL
:10
:11
:12
TV-TOP-R2
:4
:5
:6
:47
X35
:5
XTB1
TV-TOPーR1
:1
:2
:3
:4
TV-BACK
:A9
:A10
:A11
TV-BACK
:A1
:A2
:A3
Tray Interlock Detection L
Ejected Pallet Detection
Pick-up Error Component
Detection Down (12mm)
Pick-up Error Component
Detection Down (20mm)
Pick-up Error Component
Detection Down (24mm)
Pick-up Error Component
Detection Down (30mm)
Pick-up Error Component
Detection Down (35mm)
Main Machine/TV Bundled Connector
EV1(Lower)Inter Lock Signsl
BL
BK
W
BW
BL
BK
BW
BL
BW
Tray Interlock Detection R
BL
BW
BL
BW
BL
BW
BL
BK
BW
BL
BK
BW
BL
BK
BW
BL
BK
BL
BK
W
BW
BW
BL
BK
BW
BL
BK
BW
BL
BK
OR
BW
BL
BK
BW
EV1(Upper)Inter Lock Signsl
Feeder Pick-up Error
Component Detection
Feeder Disangaged
Latch Detection
TV Main Power
Detection
Main Emergency Stop
Detection
EV Unit Clamp Cylinder L
( Cylinder Side)
EV Unit Clamp Cylinder R
( Cylinder Side)

5OM-1754
5-211303-001-(1015WB---1006)
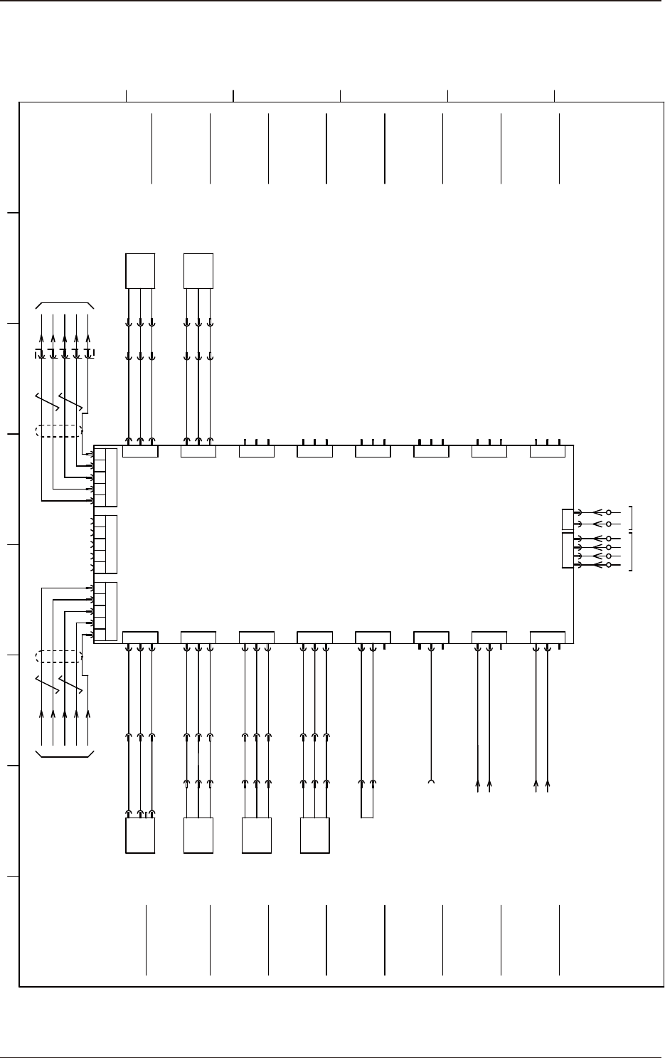
G5S FULL TRAY Traverse ILB IN2
G5S FULL TRAY Traverse ILB IN2
1 2 3 4 5 6 7 8
A
B
C
D
E
F
1
2
3
3
2
1
3
2
1
3
2
1
1
2
3
1
2
3
1
2
3
3
2
1
1
2
3
3
2
1
3
2
1
3
2
1
1
2
3
1
2
3
1
2
3
3
2
1
CN37
CN36
CN35
CN34
CN33
CN32
CN31
CN30
CN45
CN44
CN43
CN42
CN41
CN40
CN39
CN38
ILB_TV2
U151
/RX
RX
/TX
TX
SG
4
3 61
2
6
4 23
1
SG
TX
/TX
RX
/RX
X15102X15101
Shielded
:30
:26
:27
:28
:29
Shielded
:1
:2
:3
:6
:4
[B-/13/2C] [B-/08/3A]
X35
:4
:1
:2
:3
:6
X15201(CN1)
U152(ILB EL1)
X15002(CN2)
U150(ILB TV1)
/RX
RX
/TX
TX
SG
4
3 61
2
CN2(DN)
CN3(T)
CN1(UP)
X15134
10
X15135
:71
:70
:72
X35
X35
211
2
3
4
10 10
10
24G 24G
24G
X1
X2
X15136
10
X15137
10
K001:14
K001:13
[B-/04/7D]
K002:14
K002:13
[B-/04/7F]
X15132
X15133
B15132
:3
:2
:1
B15132
+
OUT
-
10
24G
10
24G
B15133
:3
:2
:1
B15133
+
OUT
-
X15139
10
24G
B15139
B15139
:1
:2
:3
-
OUT
+
X15138
10
24G
B15138
-
OUT
+
B15138
:1
:2
:3
X15130
10
24G
10
24G
X15131
B15130
-
OUT
L
+
OUT
:3
:2
:1
B15131
B15131
24G
24G
+
-
:8
:7
:6
TV-TOP-R1
:6
:5
:4
TV-TOP-L
:4
:3
:1
B15130
:1
:2
:3
TV-TOP-L
:9
:8
:7
TV-TOP
TV-BACK
:B1
:B2
:B3
TV-BACK
:A5
:A6
:A7
24G
BL
BK
BW
BL
BK
BW
BL
BK
BW
BL
BK
BW
BL
BK
BW
Elevator Unit
Approach Detection L
Elevator Unit
Approach Detection R
Sensor For Tray Transfer Teaching
Sensor For Tray
Existence Detection
Elevator Connecting Check(G5S)
Elevator Connecting Check(G5)
Lower Elevator Safety
Relay Detection
Upper Elevator Safety
Relay Detection
TV/EV Connecting Bundled Connector
Elevator Unit Clamp
Cylinder L [UnClamp Side]
Elevator Unit Clamp
Cylinder R [UnClamp Side]