CX-1_MS.pdf - 第37页
Rev.2.00 MS 参数 参 数 参 数 参 数 4-2 激光 高度取 得从各 贴装头 的 Z 轴原点位 置到激 光传感 器的高 度的尺 寸 。

Rev.2.00
MS 参数
参数参数
参数
4-1
4 偏差设定
偏差设定偏差设定
偏差设定
4
44
4-
--
-1.
1.1.
1. 激光偏差
激光偏差激光偏差
激光偏差
4-1.1. 激光偏差
4-1-1-1.
4-1-1-1.4-1-1-1.
4-1-1-1.功能
功能功能
功能
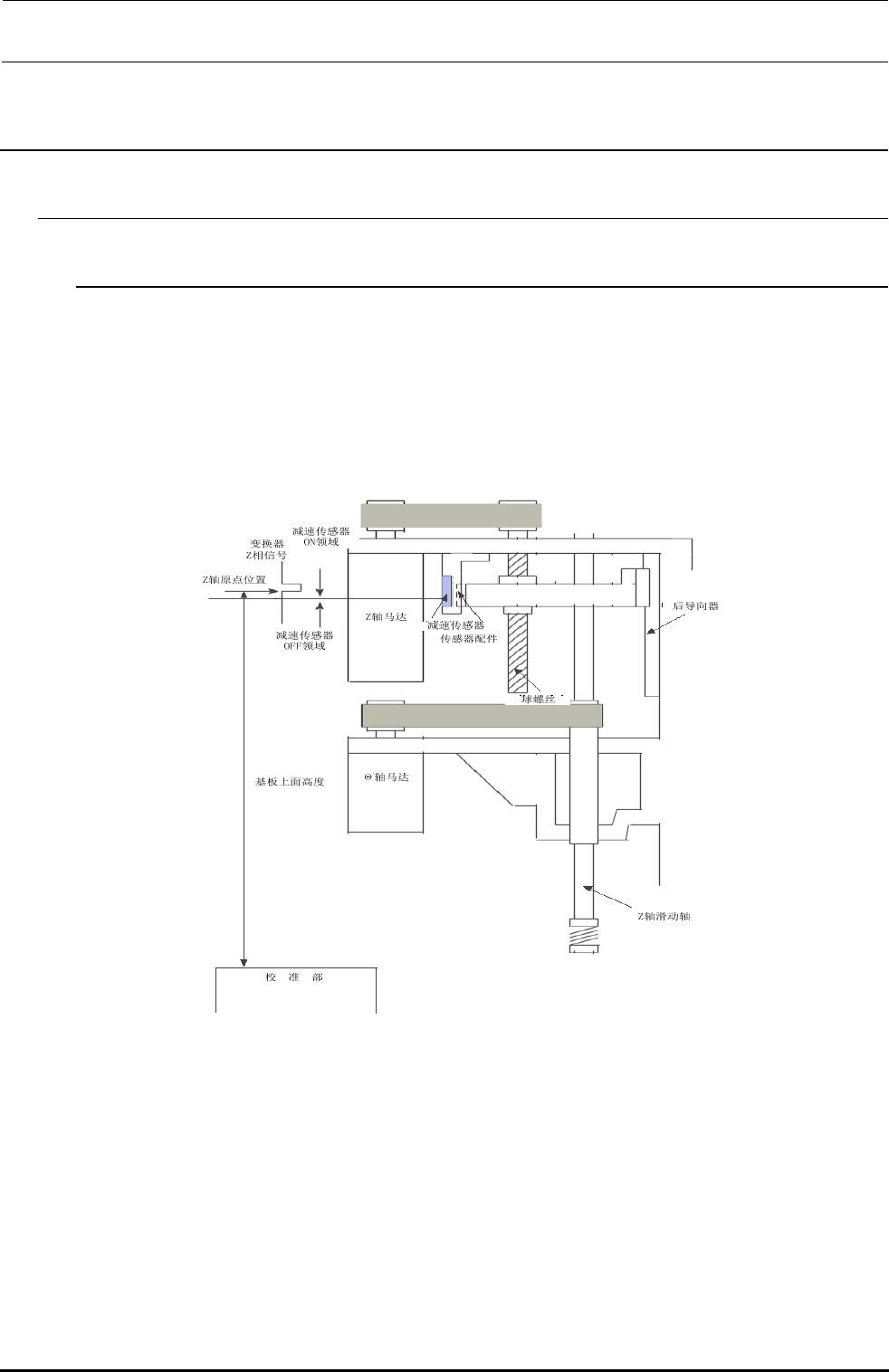
激光偏差取得机板上面高度、激光高度、吸嘴转动中心以及角度偏差。
机板的上面高度取得从校准部上面到各贴装头的 Z 轴原点位置的尺寸。
另外,Z 轴的原点位置未 Z 轴减速传感器 ON 之后到最初被检测的 Z 轴马达变换器的 Z 相的位置。

Rev.2.00
MS 参数
参数参数
参数
4-2
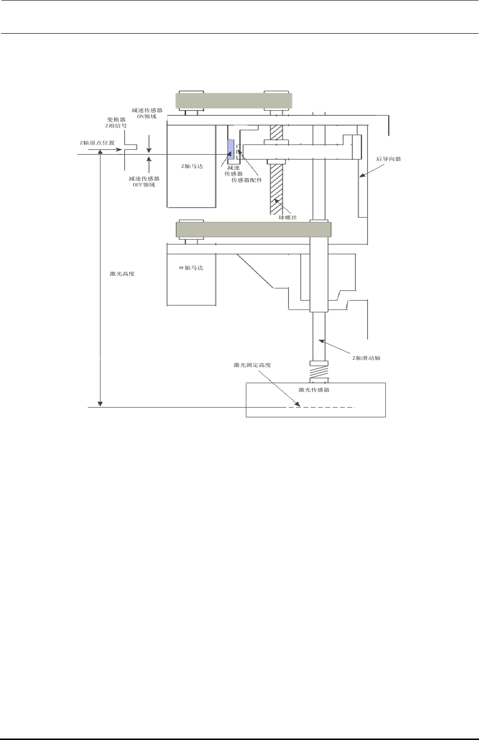
激光高度取得从各贴装头的 Z 轴原点位置到激光传感器的高度的尺寸。

Rev.2.00
MS 参数
参数参数
参数
4-3
取得吸嘴旋转中心、各贴装头的轴旋转中心位置离激光传感器的偏离位置。
MNLA
贴装头
吸嘴旋转中心
(
L2
)
吸嘴旋转中心
(
L1
)
吸嘴旋转中心
(
L4
)
吸嘴旋转中心
(
L3
)
吸嘴旋转中心
角度偏差
角度偏差角度偏差
角度偏差因为要在轴转动方向调整所有的吸嘴,因此从轴的临时原点(把被轴削的平面转到前侧的位置)
来取得角度。
取得角度偏差之后,可以让各贴装头转动的偏斜朝向同一方向,可以提高同时吸附的精度。
<取得角度偏差前的原点复位后情况> <取得角度偏差后的原点复位情况>
4-1-1-2.
4-1-1-2.4-1-1-2.
4-1-1-2.使用夹具
使用夹具使用夹具
使用夹具
・
・・
・508
508508
508 吸嘴
吸嘴吸嘴
吸嘴
(
((
(40001346
4000134640001346
40001346)
))
)
・
・・
・40038984
40038984 40038984
40038984 夹具吸嘴
夹具吸嘴夹具吸嘴
夹具吸嘴 B
B B
B (
((
(679
679679
679)
))
)
仅适用于安装可选 R 贴装头的机器