T-Solution2_User_Guide(Chi_Ver11.3)_部分1.pdf - 第127页
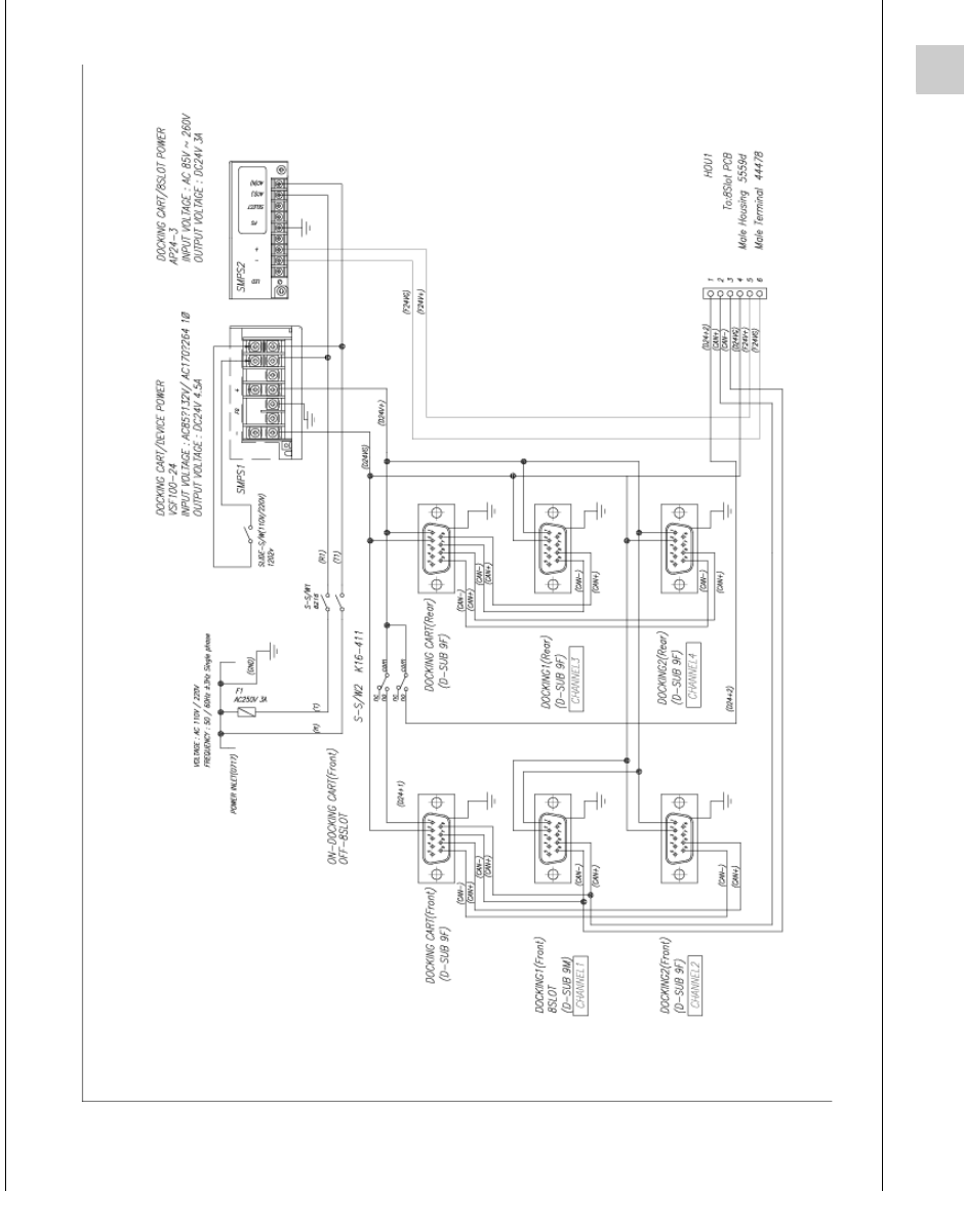
2-75 附加装置 2.5.4.2 . 控制方块图

2-74
{TzYG|˅Gn{TzYG|˅Gn
33 DOCKING CART CABLE 2 SM1-ITJ-012 O
34 DEVICE NET CABLE 4 SM1-ITJ-013 O
35 POWER CABLE 1 KKP-4819KA O
36 AIR HOSE 1 SM1-ITJ-011 O
37 PCB COVER 1 SM1-ITJ-010
序号 说明 数量 零件号 维修零件 备注

2-75
附加装置
2.5.4.2.
控制方块图