T-Solution2_User_Guide(Chi_Ver11.3)_部分1.pdf - 第92页
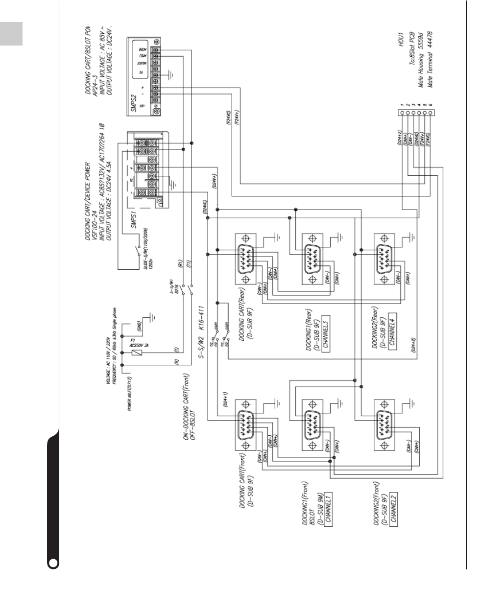
{TzYG|˅Gn {TzYG|˅Gn 2-40 2.3.4.8 . 控制方块图

2-39
附加装置
5 USB HUB BK SM1-FWS-033 1
6 HSB HUB IR-4100 1 O
7BOLT M4x10L 9
8 WASHER M5 16
9 LCD ARM BSW-17 1 O
10 MONITOR 178B 1 O
11 BOLT M5x35L 6
12 CAP NUT M5 6
13 BOLT M4x12L 8
14 BOLT M4x12L 2
15 BOLT M5x10L 6
16 BOLT M5x6L 16
序号 说明 零件号 数量 维修零件 备注

{TzYG|˅Gn{TzYG|˅Gn
2-40
2.3.4.8.
控制方块图

2-41
附加装置
2.4.
FLMS-SM(Feeder Location Management System-SM)
2.4.1.
系统概要
2.4.1.1.
概要
FLMS是 Feeder Location Management System的缩略语,是一种用来在IT供料器被安
装到对接台车用供料器底座之前事先把供料器信息登记到T-Solution2的数据库的装
置。
把IT Setup Tool与PC 结合后制成单一装置,因此提高了使用的便利性。
利用本公司的FLMS把 IT供料器信息事先登记到数据库,把料盘的信息匹配
(Matching)到先前登记的IT供料器的信息上,让T-IT 识别IT供料器与安装在IT供料
器的元件信息,或者针对安装了料盘的IT 供料器解除IT 供料器信息与料盘信息之
间的连接。
现有的Feeder Workstation可以连接到2台对接台车,但是FLMS可以连接到最多8台
对接台车。而且,使用者可以查询安装在对接台车上的供料器信息与元件卷轴信息
后轻易掌握元件位置。
2.4.1.2.
产品规格
项目(Item)
规格 备注
适用设备 SM 系列设备
-
可使用的对接台车数量 最多可以同时连接 8台
-
气缸驱动及供料器气压供应 压缩空气(5MPa±10%) 需要另行供应
输入电源 220V或 110V,60Hz 默认值220V