T-Solution2_User_Guide(Chi_Ver11.3)_部分1.pdf - 第94页
2-42 {TzYG|˅Gn {TzYG|˅Gn 2.4.1.3. 系统配置 FLMS 的系统配置如下。

2-41
附加装置
2.4.
FLMS-SM(Feeder Location Management System-SM)
2.4.1.
系统概要
2.4.1.1.
概要
FLMS是 Feeder Location Management System的缩略语,是一种用来在IT供料器被安
装到对接台车用供料器底座之前事先把供料器信息登记到T-Solution2的数据库的装
置。
把IT Setup Tool与PC 结合后制成单一装置,因此提高了使用的便利性。
利用本公司的FLMS把 IT供料器信息事先登记到数据库,把料盘的信息匹配
(Matching)到先前登记的IT供料器的信息上,让T-IT 识别IT供料器与安装在IT供料
器的元件信息,或者针对安装了料盘的IT 供料器解除IT 供料器信息与料盘信息之
间的连接。
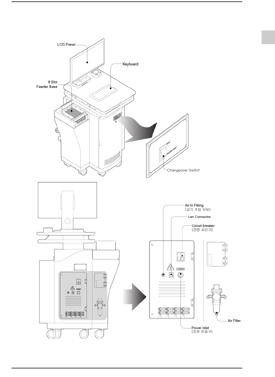
现有的Feeder Workstation可以连接到2台对接台车,但是FLMS可以连接到最多8台
对接台车。而且,使用者可以查询安装在对接台车上的供料器信息与元件卷轴信息
后轻易掌握元件位置。
2.4.1.2.
产品规格
项目(Item)
规格 备注
适用设备 SM 系列设备
-
可使用的对接台车数量 最多可以同时连接 8台
-
气缸驱动及供料器气压供应 压缩空气(5MPa±10%) 需要另行供应
输入电源 220V或 110V,60Hz 默认值220V

2-42
{TzYG|˅Gn{TzYG|˅Gn
2.4.1.3.
系统配置
FLMS的系统配置如下。

2-43
附加装置
2.4.1.4.
装置名称
FLMS的外观结构如下。