IPC-TM-650 EN 2022 试验方法1.pdf - 第425页
Figure 8 Brass or Aluminum Base P late for Clamping the Base Ca rds and Co nnecting Launcher Bodie s to the Base Card IPC-TM-650 Page 16 of 25

ASTM B 193
QQ-S-571
Page 1 of 3

Figure
8 Brass or Aluminum Base Plate for Clamping the Base Cards and Connecting Launcher Bodies to the Base Card
IPC-TM-650
Page 16 of 25

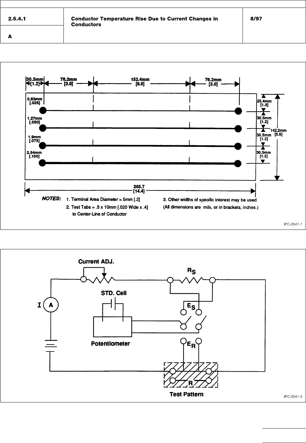
Figure 1 Test Pattern
Figure 2 Test Circuit
IPC-TM-650
Number
Subject Date
Revision
Page 3 of 3