文档中心
/
IPC-TM-650 EN 2022 试验方法1.pdf
IPC-TM-650 EN 2022 试验方法1.pdf - 第745页
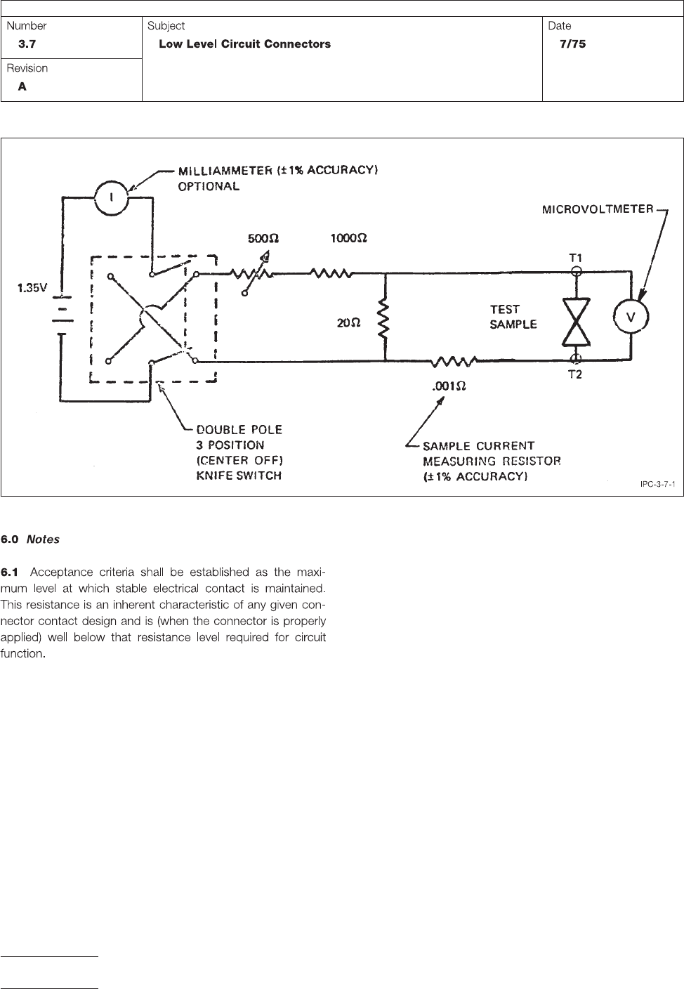
Figure 1 IPC-TM-650 Page 2 of 2
目录
100%
显示:宽度
宽度
1 / 824
回到旧版
旧版
?
Page
1
of
2
Figure
1
IPC-TM-650
Page
2
of
2
该页面需要启用 JavaScript 才能进行交互式预览。