CP43维护手册.pdf.pdf - 第100页

Chapter 9 XY T able As shown in the configuration of the automatic table height changer (figure 9-2), the Z axis motor r otates to move the rack and pinion system, moving the LM guides left and right. On the LM guides th…

100%1 / 167
9 – 1
Version 7.0
Chapter 9 XY Table
9. XY Table
In addition to movements caused by the servo motors in the X and Y axes, the
XY table also moves vertically (via the Z axis motor) to adjust itself to the
height of the part being placed. The X and Y motors can move in increments of
0.01 mm. The Z motor moves in increments of 0.002 mm. The D axis moves in
increments of 0.0053 mm.
Fig. 9-1 Location of the X, Y and Z Servo motors
CP IV-3 Maintenance
Chapter 9 XY Table
As shown in the configuration of the automatic table height changer
(figure 9-2), the Z axis motor rotates to move the rack and pinion system,
moving the LM guides left and right. On the LM guides there are four fixed Z
cams. As the LM guides move, the cam followers slide over the Z cam and this
makes the back-up plate move up and down.
Fig. 9-2 Automatic Table Height Changer Configuration
9 – 2
Version 7.0
CP IV-3 Maintenance
10 – 1
Version 7.0
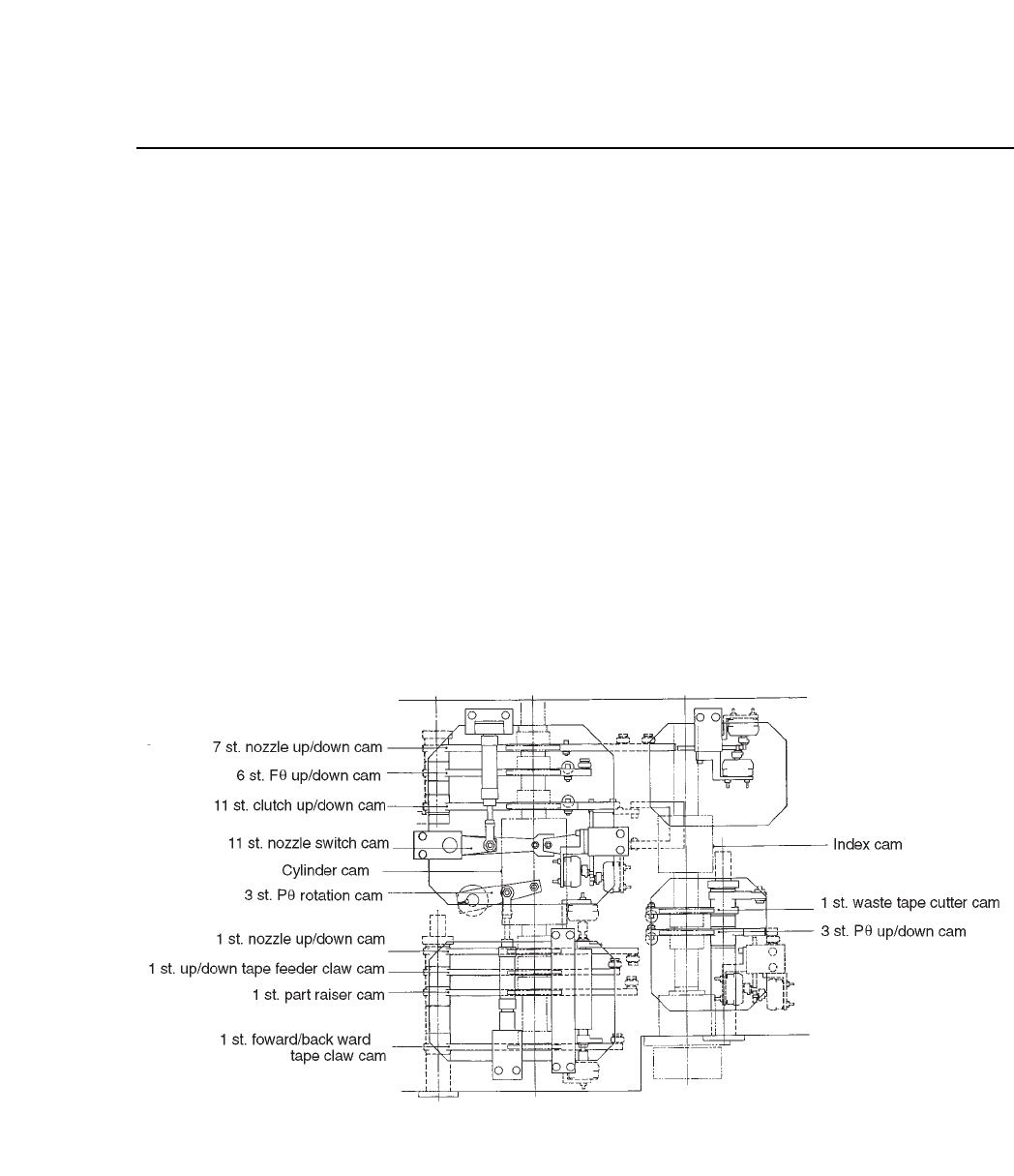
Chapter 10 Cam Box
10.Cam Box
The cam box, located on the upper part of the CP IV-3, consists of two
camshafts, nine cams, one index cam, one cylinder cam and a main motor
which drives the system. This mechanism drives the placing head and feeder
at stations 1, 3, 6, 7 and 11.
10.1Schematic Diagram and Parts of the Cam
Refer to the schematic of the inside of the cam box (figure 10-1) below.
This diagram is an overhead view oriented from the rear of the machine.
There is a seal attached to the cam lever. However, there is no seal
attached to the index cam or the cylinder cam. The labels, except for
parenthetical comments, are as listed on the machine itself.
Fig. 10-1 Cam Schematic Diagram
CP IV-3 Maintenance