MIL- STD-883F 2004 TEST METHOD STANDARD MICROCIRCUITS.pdf - 第431页
MIL-STD-883F METHOD 2032.2 18 June 2004 25 C lass H Cla ss K 3.1. 6 h. More t han a 50 percent reduct ion 3.1.6 h. Same as clas s H. of the or iginal s eparat ion, between any two di ffer ent res ist ors, or a res ist or…

MIL-STD-883F
METHOD 2032.2
18 June 2004
24
Class H Class K
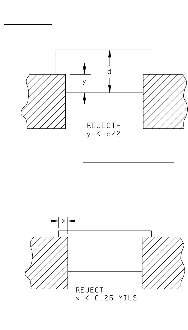
3.1.6 f. Contact overlap between the metallization and 3.1.6 f. Same as Class H.
the resistor in which the width dimension "y"
is less than 50 percent
of the original resistor
width (see figure 2032-16h).
FIGURE 2032-16h. Class H metal/resistor overlap criterion
.
g. Contact overlap between the metallization g. Same as class H.
and the resistor in which the length
dimension "x" is less than 0.25 mil
(see figure 2032-17h).
FIGURE 2032-17h. Class H contact overlap criterion
.

MIL-STD-883F
METHOD 2032.2
18 June 2004
25
Class H Class K
3.1.6 h. More than a 50 percent reduction 3.1.6 h. Same as class H.
of the original separation,
between any two different resistors,
or a resistor and metallization
not associated with it
(see figure 2032-18h).
FIGURE 2032-18h. Class H resistor separation criteria
.
i. Any resistor that crosses a substrate i. Same as class H.
irregularity (such as a void or scratch)
(see figure 2032-19h).
NOTE: This criterion is applicable to
conductive substrates only.
FIGURE 2032-19h. Class H substrate irregularity criterion
.

MIL-STD-883F
METHOD 2032.2
18 June 2004
26
Class H Class K
3.1.6 j. Any increase in resistor width of a block 3.1.6 j. Same as class H.
resistor greater than 25 percent of the
original resistor width (see figure 2032-20h).
FIGURE 2032-20h. Class H resistor width increase criterion
.
k. Protruding resistor material within the same k. Same as class H.
resistor structure that reduces the original
separation to less than 50 percent (see
figure 2032-21h).
NOTE: This criteria applies to protrusion of
resistor material resulting from a photo-
lithographic defect.
FIGURE 2032-21h. Class H protusion of resistor material criterion
.