TCM-X110_X210_X300(D) 2_Operation(Supervisor).pdf - 第181页
3 . 6 3 . 6 3 . 6 3 . 6 3 . 6 “ 自 动 教 示 设 定 自 动 教 示 设 定 自 动 教 示 设 定 自 动 教 示 设 定 自 动 教 示 设 定 ” T a b T a b T a b T a b T a b 通 过 在 自 动 运 行 过 程 中 实 行 教 示 , 可 进 行 稳 定 的 元 件 吸 取 以 及 元 件 贴 装 。 ( a ) 自 动 运 行 的 教 示 机 能 , 管 理 装 …

* 2* 2
* 2* 2
* 2
试 运 行试 运 行
试 运 行试 运 行
试 运 行
选择要实施的 试运行方式。
排列有以下多个按钮。
[[
[[
[
不检 测元件的 形状不检 测元件的形 状
不检 测元件的 形状不检 测元件的形 状
不检测元件的 形状
]]
]]
]
按钮按 钮
按钮按 钮
按钮
[[
[[
[
不检测有无元 件不检测 有无 元件
不检测有无元 件不检测 有无 元件
不检测有无元件
]]
]]
]
按钮按钮
按钮按钮
按钮
[[
[[
[
不检 测元件 是否立起不 检测元 件是否 立起
不检 测元件 是否立起不 检测元 件是否 立起
不检测元件 是否立起
]]
]]
]
按钮按钮
按钮按钮
按钮
[[
[[
[
不检 测元 件的厚 度不检测元 件的厚度
不检 测元 件的厚 度不检测元 件的厚度
不检测元 件的厚 度
]]
]]
]
按钮按 钮
按钮按 钮
按钮
[[
[[
[
不做贴 装高 度的信 息 反馈不 做贴 装高 度的信 息 反馈
不做贴 装高 度的信 息 反馈不 做贴 装高 度的信 息 反馈
不做贴 装高 度的 信息 反馈
]]
]]
]
按钮按钮
按钮按钮
按钮
[[
[[
[
不检 测线路 板的定位不检测 线路 板的定位
不检 测线路 板的定位不检测 线路 板的定位
不检测线路 板的 定位
]]
]]
]
按钮按钮
按钮按钮
按钮
[[
[[
[
不做线 路板移 送 异常 的检 测不 做线路 板 移送异 常 的检 测
不做线 路板移 送 异常 的检 测不 做线路 板 移送异 常 的检 测
不做线 路板移 送 异常 的检 测
]]
]]
]
按钮按 钮
按钮按 钮
按钮
[[
[[
[
线路 板认识 模拟通信线 路板认 识模拟通 信
线路 板认识 模拟通信线 路板认 识模拟通 信
线路板认识 模拟通信
]]
]]
]
按钮按钮
按钮按钮
按钮
[[
[[
[
元件 认识模拟 通信元件 认识模拟通 信
元件 认识模拟 通信元件 认识模拟通 信
元件认识模拟 通信
]]
]]
]
按钮按 钮
按钮按 钮
按钮
[[
[[
[
不显示线路板认识的不显示线路板认识的
不显示线路板认识的不显示线路板认识的
不显示线路板认识的
G / L ]G / L ]
G / L ]G / L ]
G / L ]
按钮按钮
按钮按钮
按钮
[[
[[
[
不做吸取不做吸取
不做吸取不做吸取
不做吸取
//
//
/
贴装的动作贴装的动作
贴装的动作贴装的动作
贴装的动作
]]
]]
]
按钮按钮
按钮按钮
按钮
[[
[[
[
真空真空
真空真空
真空
//
//
/
送气马达停止送气马达停止
送气马达停止送气马达停止
送气马达停止
]]
]]
]
按钮按钮
按钮按钮
按钮
[[
[[
[
不做 元件 供给 完了 的检查不 做元 件供 给完了的 检查
不做 元件 供给 完了 的检查不 做元 件供 给完了的 检查
不做元件 供给完了 的检查
]]
]]
]
按钮按钮
按钮按钮
按 钮
[ E P[ E P
[ E P[ E P
[ E P
数据处理无效数据处理无效
数据处理无效数据处理无效
数据处理无效
]]
]]
]
按钮按钮
按钮按钮
按钮
[[
[[
[
装置 异常时 无条件 停止装置异 常时无条件 停止
装置 异常时 无条件 停止装置异 常时无条件 停止
装置异常时 无条 件停止
]]
]]
]
按钮按 钮
按钮按 钮
按钮
[[
[[
[
不检 测不 良分隔线路 板不 检测不 良分 隔线 路板
不检 测不 良分隔线路 板不 检测不 良分 隔线 路板
不检测不 良分隔 线路 板
]]
]]
]
按钮按钮
按钮按钮
按钮
[[
[[
[
不做线 路板识 别 的放 大补 正不 做线路 板 识别的 放 大补 正
不做线 路板识 别 的放 大补 正不 做线路 板 识别的 放 大补 正
不做线 路板识 别 的放 大补 正
]]
]]
]
按钮按钮
按钮按钮
按钮
单击相应试运作的按钮,选框被选中,按钮呈乳白色,该项机
能被选定。
要取消已选定的机能时,只需再次单击该项按钮,解除选框的
选中即可,此时按钮的颜色变回原来的灰色。
可对机能项做多项选择。
* 3* 3
* 3* 3
* 3
[[
[[
[
设定设定
设定设定
设定
]]
]]
]
按钮按钮
按钮按钮
按钮
设定选定试运 行的线路板和方法。
3 . 53 . 5
3 . 53 . 5
3 . 5 “
试运行试运行
试运行试运行
试运行 ”
T a bT a b
T a bT a b
T a b
0308-001 5-41

3 . 63 . 6
3 . 63 . 6
3 . 6 “
自动教示设定自动教示设定
自动教示设定自动教示设定
自动教示设定 ”
T a bT a b
T a bT a b
T a b
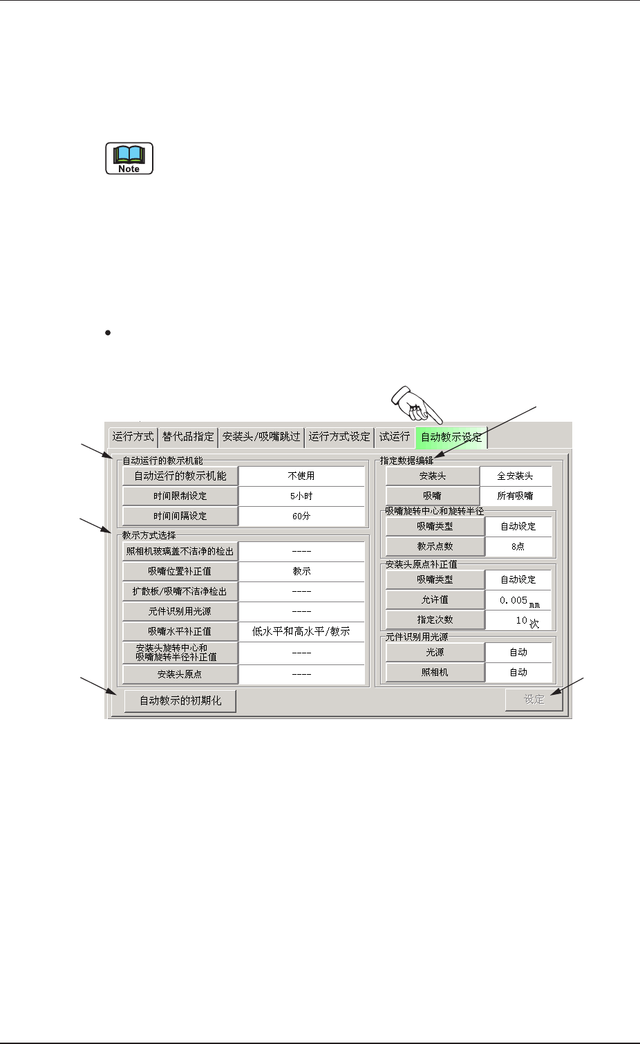
通过在自动运行过程中实行教示,可进行稳定的元件吸取以及元件
贴装。
(a) 自动运行的教示机能,管理装置电源 O N 后的贴装时间,
经过指定时间,完成 1 线路板的元件贴装后,不使料车
回到原点,而在中间原点位置( 虚拟原点位置) 停止装
置,实行自动教示。
(b) 自动教示中,不能进行线路板搬送或线路板搬运动作。
(c) 结 束自 动教示 后,放 入下 一个 线路 板,再 开始生 产运
行 。
页 面 显 示页 面 显 示
页 面 显 示页 面 显 示
页 面 显 示
在 “ 运行方式 ” 子菜单界面中,按下[ 自动教示设定] T a b 时,将显
示如下选项卡。
F i g . 2 E 2 5F i g . 2 E 2 5
F i g . 2 E 2 5F i g . 2 E 2 5
F i g . 2 E 2 5 “
自动教示设定自动教示设定
自动教示设定自动教示设定
自动教示设定 ”
选项卡选项卡
选项卡选项卡
选项卡
3 . 63 . 6
3 . 63 . 6
3 . 6 “
自动教示设定自动教示设定
自动教示设定自动教示设定
自动教示设定 ”
T a bT a b
T a bT a b
T a b
0308-001 5-42
* 3* 3
* 3* 3
* 3
* 1* 1
* 1* 1
* 1
* 2* 2
* 2* 2
* 2
* 4* 4
* 4* 4
* 4
* 5* 5
* 5* 5
* 5

页 面 构 成页 面 构 成
页 面 构 成页 面 构 成
页 面 构 成
* 1* 1
* 1* 1
* 1
自 动 运 行 的 教 示 机 能自 动 运 行 的 教 示 机 能
自 动 运 行 的 教 示 机 能自 动 运 行 的 教 示 机 能
自 动 运 行 的 教 示 机 能
排列有以下按钮。
[[
[[
[
自动 运行的 教示机能自 动运行 的教示 机能
自动 运行的 教示机能自 动运行 的教示 机能
自动运行的 教示机能
]]
]]
]
按钮按钮
按钮按钮
按钮
显示 “ 自动运行的教示机能 ” 编辑界面。
选择自动运行的教示机能为 “ 使用 ”/ “ 不使用 ”。
[[
[[
[
时间限制设定时 间限制设 定
时间限制设定时 间限制设 定
时间限制设定
]]
]]
]
按钮按钮
按钮按钮
按钮
显示 “ 自动运行的教示机能 ” 编辑界面。
设定实行自 动教示的时间限制。
[[
[[
[
时间间隔设定时 间间隔设 定
时间间隔设定时 间间隔设 定
时间间隔设定
]]
]]
]
按钮按钮
按钮按钮
按钮
显示 “ 自动运行的教示机能 ” 编辑界面。
设定实行自 动教示的时间间隔。
* 2* 2
* 2* 2
* 2
教 示 方 式 选 择教 示 方 式 选 择
教 示 方 式 选 择教 示 方 式 选 择
教 示 方 式 选 择
排列有以下按钮。
[[
[[
[
照相机 玻璃 盖不洁 净的检 出照 相机 玻璃 盖不洁 净的检 出
照相机 玻璃 盖不洁 净的检 出照 相机 玻璃 盖不洁 净的检 出
照相机 玻璃 盖不 洁 净的 检 出
]]
]]
]
按 钮按 钮
按 钮按 钮
按 钮
显示 “ 教示方式选择 ” 编辑界面。
选择是否教示 “ 照相机玻璃盖不洁净的检出 ” 。
[[
[[
[
吸嘴位置补正值吸嘴位置补正值
吸嘴位置补正值吸嘴位置补正值
吸嘴位置补正值
]]
]]
]
按钮按钮
按钮按钮
按钮
显示 “ 教示方式选择 ” 编辑界面。
选择是否教示 “ 吸嘴位置补正值 ” 。
[[
[[
[
扩散板扩散板
扩散板扩散板
扩散板
//
//
/
吸嘴不洁净检 出吸嘴不洁净 检出
吸嘴不洁净检 出吸嘴不洁净 检出
吸嘴不洁净检出
]]
]]
]
按钮按钮
按钮按钮
按钮
显示 “ 教示方式选择 ” 编辑界面。
选择是否教示 “ 扩散板 / 吸嘴不洁净检出 ” 。
[[
[[
[
元件识别用光源元件识别用光源
元件识别用光源元件识别用光源
元件识别用光源
]]
]]
]
按钮按钮
按钮按钮
按钮
显示 “ 教示方式选择 ” 编辑界面。
选择是否教示或确认 “ 元件认识用光源 ” 。
3 . 63 . 6
3 . 63 . 6
3 . 6 “
自动教示设定自动教示设定
自动教示设定自动教示设定
自动教示设定 ”
T a bT a b
T a bT a b
T a b
0308-001 5-43