TCM-X110_X210_X300(D) 2_Operation(Supervisor).pdf - 第27页
孔 基 准 孔 基 准 孔 基 准 孔 基 准 孔 基 准 T C M - X 1 1 0 T C M - X 1 1 0 T C M - X 1 1 0 T C M - X 1 1 0 T C M - X 1 1 0 ( ( ( ( ( 装置 前 侧 装 置前 侧 装置 前 侧 装 置前 侧 装置 前 侧 ) ) ) ) ) 单位 : mm T C M - X 2 1 0 / T C M - X 3 0 0 T C M - X 2 1…

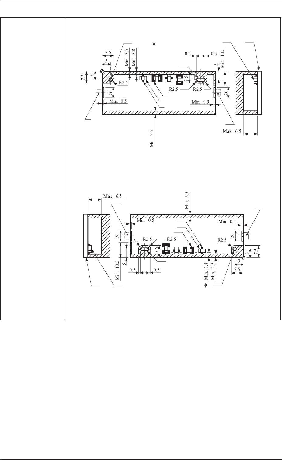
7. 可贴 装范 围
注注
注注
注 :(a) 斜线部分为不可贴装范围 。
(b) 记号中心为基准点。
(c) 显示为吸取吸嘴不露出元 件外形外的状态 。
详细情况请与本公司营业部或销售代理店商谈。
外 形 基 准外 形 基 准
外 形 基 准外 形 基 准
外 形 基 准
T CM - X 1 1 0TC M - X 1 1 0
T CM - X 1 1 0TC M - X 1 1 0
T C M- X 1 1 0
( (
( (
(
装置前侧装置前侧
装置前侧装置前侧
装置前侧
))
))
)
单位 : mm
T CM - X 2 10 / TC M - X3 0 0T CM - X 2 10 / T CM - X3 0 0
T CM - X 2 10 / TC M - X3 0 0T CM - X 2 10 / T CM - X3 0 0
T C M- X 2 10 / T CM - X3 0 0
((
((
(
装置前侧装置 前侧
装置前侧装置 前侧
装置前 侧
))
))
)
单位 : mm
2 .2 .
2 .2 .
2 .
装 置装 置
装 置装 置
装 置
规 格规 格
规 格规 格
规 格
0308-001 1-9
定 位 基 准 面定 位 基 准 面
定 位 基 准 面定 位 基 准 面
定 位 基 准 面
芯 片 元 件芯 片 元 件
芯 片 元 件芯 片 元 件
芯 片 元 件
线 路 板线 路 板
线 路 板线 路 板
线 路 板
定 位 基 准 面定 位 基 准 面
定 位 基 准 面定 位 基 准 面
定 位 基 准 面
芯 片 元 件
粘 贴 剂
送 料 棘 爪送 料 棘 爪
送 料 棘 爪送 料 棘 爪
送 料 棘 爪
( 线路板流动方向从右向左时)
送 料 棘 爪送 料 棘 爪
送 料 棘 爪送 料 棘 爪
送 料 棘 爪
(线路板流动方向从左向右时)
焊 接 点
线
路
板
表
面
送 料 棘 爪送 料 棘 爪
送 料 棘 爪送 料 棘 爪
送 料 棘 爪
(线路板流动方向从左向右时)
送 料 棘 爪送 料 棘 爪
送 料 棘 爪送 料 棘 爪
送 料 棘 爪
(线路板流动方向从右向左时)
粘 贴 剂粘 贴 剂
粘 贴 剂粘 贴 剂
粘 贴 剂
焊 接 点焊 接 点
焊 接 点焊 接 点
焊 接 点
4
定 位 基 准 面定 位 基 准 面
定 位 基 准 面定 位 基 准 面
定 位 基 准 面
定 位 基 准 面定 位 基 准 面
定 位 基 准 面定 位 基 准 面
定 位 基 准 面
芯 片 元 件芯 片 元 件
芯 片 元 件芯 片 元 件
芯 片 元 件
线 路 板线 路 板
线 路 板线 路 板
线 路 板
线
路
板
表
面
芯 片 元 件芯 片 元 件
芯 片 元 件芯 片 元 件
芯 片 元 件

孔 基 准孔 基 准
孔 基 准孔 基 准
孔 基 准
T CM - X 1 1 0TC M - X 1 1 0
T CM - X 1 1 0TC M - X 1 1 0
T C M- X 1 1 0
((
((
(
装置前侧装置前侧
装置前侧装置前侧
装置前侧
))
))
)
单位 : mm
TC M -X 2 10 /T C M- X 30 0TC M -X 2 10 / TC M- X 30 0
TC M -X 2 10 /T C M- X 30 0TC M -X 2 10 / TC M- X 30 0
T CM -X 2 1 0/ TC M- X 3 00
((
((
(
装置前侧装置前侧
装置前侧装置前侧
装置前侧
))
))
)
单位 : mm
2 .2 .
2 .2 .
2 .
装 置装 置
装 置装 置
装 置
规 格规 格
规 格规 格
规 格
0308-001 1-10
基 准 孔基 准 孔
基 准 孔基 准 孔
基 准 孔
44
44
4
芯 片 元 件芯 片 元 件
芯 片 元 件芯 片 元 件
芯 片 元 件
线 路 板线 路 板
线 路 板线 路 板
线 路 板
基 准 孔基 准 孔
基 准 孔基 准 孔
基 准 孔
焊 接 点焊 接 点
焊 接 点焊 接 点焊 接 点
芯 片 元 件芯 片 元 件
芯 片 元 件芯 片 元 件
芯 片 元 件
粘 贴 剂粘 贴 剂
粘 贴 剂粘 贴 剂
粘 贴 剂
送 料 棘 爪送 料 棘 爪
送 料 棘 爪送 料 棘 爪
送 料 棘 爪
(线路板流动方向从右向左时)
送 料 棘 爪送 料 棘 爪
送 料 棘 爪送 料 棘 爪
送 料 棘 爪
(线路板流动方向从左向右时)
线
路
板
表
面
送 料 棘 爪送 料 棘 爪
送 料 棘 爪送 料 棘 爪
送 料 棘 爪
(线路板流动方向从左向右时)
送 料 棘 爪送 料 棘 爪
送 料 棘 爪送 料 棘 爪
送 料 棘 爪
(线路板流动方向从右向左时)
粘 贴 剂粘 贴 剂
粘 贴 剂粘 贴 剂
粘 贴 剂
芯 片 元 件芯 片 元 件
芯 片 元 件芯 片 元 件
芯 片 元 件
焊 接 点焊 接 点
焊 接 点焊 接 点
焊 接 点
线 路 板线 路 板
线 路 板线 路 板线 路 板
芯 片 元 件芯 片 元 件
芯 片 元 件芯 片 元 件
芯 片 元 件
基 准 孔基 准 孔
基 准 孔基 准 孔
基 准 孔
基 准 孔基 准 孔
基 准 孔基 准 孔
基 准 孔
44
44
4
基
板
表
面

8. 适 用元件 (1) 适 用元件
大 小 : TCM-X110/TCM-X210 : 0.6 0.3 ~ 20 20mm
(26 26mm:选项)
TCM-X300 : 0.6 0.3 ~ 26 26mm
厚 度 : Max. 6.5mm
导脚间 距 : 0. 5m m 间距以上
注注
注注
注 :根据机械的特性及 形状,可能出现无 法使用的元件,详
细情况请与本公司营业部或销售代理店商谈。
对 象 参 考 元 件对 象 参 考 元 件
对 象 参 考 元 件对 象 参 考 元 件
对 象 参 考 元 件
方 形元 件
电阻、积层电容器 、线圈 、
芯片陶瓷过滤器、其它类似形 状元 件
带导脚 元件
微型晶体管、微动 力晶体 管、
过滤器、L E D 灯、二极管、线圈
异 形元 件
钽电容器、半固定 电位器、
铝电解电容器、微 调电容 器、
其它类似形 状元 件
圆 筒元 件
电阻、电容器、二极管、 其它类似形状元件
I C 元件
微型扁平 I C 、带导脚塑料芯片搬运器、其它类似形状元件
BGA/CSP 元件(选项)
大 小 : TCM-X110/TCM-X210 : Max.20 20mm
(26 26mm:选项)
TCM-X300 : Max.26 26mm
球 体直 径 : Min. 0.3mm
球 体间 距 : Min.0.5mm
球 体间 隔 : Min.0.2mm
(2) 组 件规 格
J I S 规格及相当于此类规格的产品
纸质卷 绕元件 (宽度 8mm )
压纹卷 绕元件 (TCM-X110:宽度 8~32mm)
(TCM-X210:宽度 8~32mm)
(TCM-X300:宽度 8~44mm)
注注
注注
注
::
::
: (a) 4 4m m 宽料带的料带传送间距为 12 、1 6 、2 4 、3 2m m 。
(b) 传送间距超过 1 6 m m 的送料器为选项。
散装用元件 (1005C、1608C 等)
带盘外径 : 382mm 以下
2 .2 .
2 .2 .
2 .
装 置装 置
装 置装 置
装 置
规 格规 格
规 格规 格
规 格
0308-001 1-11