NB168-配件手册.pdf - 第140页
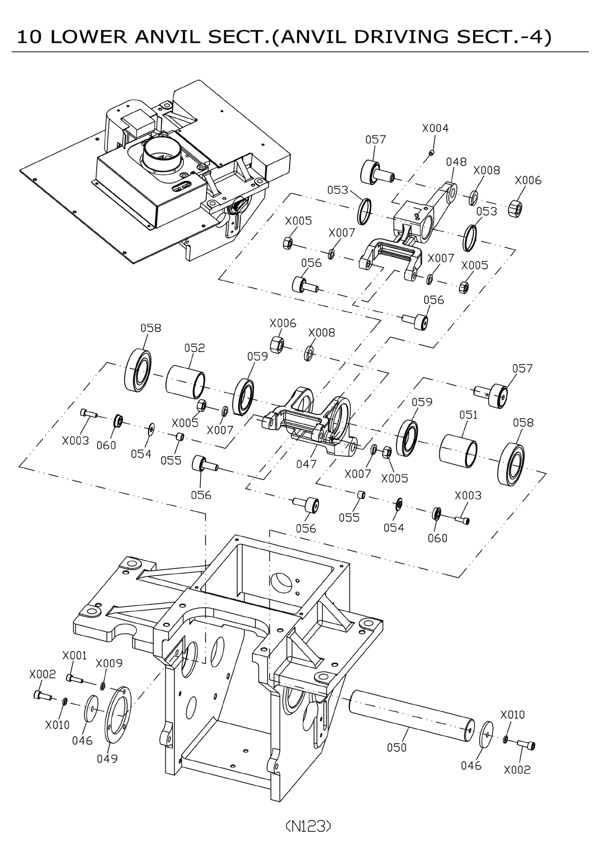
序号 料号 部品名称 数量 规格 备注 046 NB16810067AA PLATE 2 047 NB16810068AA LEVER 1 048 NB16810069AA LEVER 1 049 NB16810070AA PLATE 1 050 NB16810071AA SHAFT 1 051 NB16810072AA COLLAR 1 052 NB16810073AA COLLAR 1 053 NB16810074AA SPACER…

10
LOWER
ANVIL
SECT.
(ANVIL
DRIVING
SECT.-4)
X004
057
053
4
053
7
056
/
/
056
么
7
058
057
051
058
/
么
7
4
056
X003
X002
X010
050
049
046
X002
X010
046
X°07
X005
X006
X008
048
X008
X006
/
X003
060
/
054
055
047
/
j
X007
Xoo5
/
/
059
059
R
-
X005
X007
X001
X009
054
055
056
060
(N123)

序号 料号 部品名称 数量 规格 备注
046 NB16810067AA PLATE 2
047 NB16810068AA LEVER 1
048 NB16810069AA LEVER 1
049 NB16810070AA PLATE 1
050 NB16810071AA SHAFT 1
051 NB16810072AA COLLAR 1
052 NB16810073AA COLLAR 1
053 NB16810074AA SPACER 2
054 NB168D1517AA WASHER 2
055 NB16810075AA COLLAR 2
056 NB168CFN8RAA CAM FOLLOWER 4 CFN8R-A
057 NB168CFN12RAA CAM FOLLOWER 2 CFN12R-A
058 NB1686006ZZAA BEARING 2 6006ZZ
059 NB1686906ZZAA BEARING 2 6906ZZ
060 NB168F696ZZAA BEARING 2 F696ZZIMC3PS2S
X001 NB168SH0516 SOKET HEAD CAP SCREW 3 M5-L16
X002 NB168SH0616 SOKET HEAD CAP SCREW 2 M6-L16
X003 NB168SH0625 SOKET HEAD CAP SCREW 2 M6-L25
X004 NB168SS0506 SUNK SCREW 2 M5-L6
X005 NB168HEX08 HEXAGON NUT 4 M8
X006 NB168HEX12 HEXAGON NUT 2 M12
X007 NB168SW08 SPRING WASHER 4 8-12.5-H2
10 LOWER ANVIL SECT.(ANVIL DRIVING SECT.-4)
X007 NB168SW08 SPRING WASHER 4 8-12.5-H2
X008 NB168SW12 SPRING WASHER 2 12-18-H3
X009 NB168SW05 SPRING WASHER 3 5-8-H1.3
X010 NB168SW06 SPRING WASHER 2 6-9.5-H1.6
N124

UPPER
ANVIL
Aool
Xoom
X003
oom
oil
014
015
009
0-m
001
016
003
006
J
o
Xoom
016
005
01A
V
©
G
X003
018
X0
2
oom
004
(NE
2
xo
s
016