NB168-配件手册.pdf - 第266页
序号 料号 部品名称 数量 规格 备注 056 NB1681275060AA CAM 1 057 NB1681275039AA LEVER 1 058 NB1681275042AA SLIDER 1 059 NB1681275043AA LEVER 1 060 NB1681275040AA LEVER 1 061 NB1681275031AA PIN 2 062 NB1681275009AA ROLLER 2 063 NB1681275…

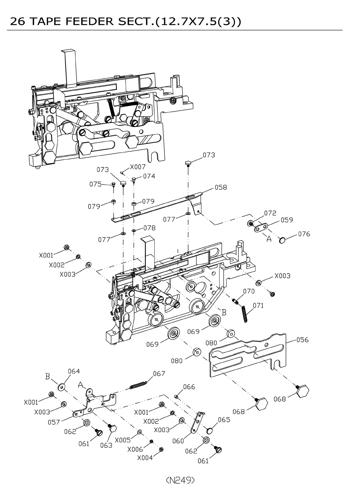
26
TAPE
FEEDER
SECT.(12.7X7.5(3))
073
X007
073
074
075
058
079
079
077
078
076
A
077
X001
X002
0
X003
X003
o
•
o
070
071
0
B
069
>056
080
069
080
064
067
A
、
066
068
X001
068
X001
065
X002
057
X003
062
X005
060
061
063
X006
062
X004
061
072
059
CN249)

序号 料号 部品名称 数量 规格 备注
056 NB1681275060AA CAM 1
057 NB1681275039AA LEVER 1
058 NB1681275042AA SLIDER 1
059 NB1681275043AA LEVER 1
060 NB1681275040AA LEVER 1
061 NB1681275031AA PIN 2
062 NB1681275009AA ROLLER 2
063 NB1681275057AA PIN 1
064 NB1681275030AA COLLAR 1
065 NB1681275065AA PIN 1
066 NB1681275041AA PIN 1
067 NB1681275050AA SPRING 1
068 NB1681275058AA PIN 2
069 NB1681275059AA SPACER 2
070 NB1681275051AA PIN 1
071 NB1681275052AA SPRING 1
072 NB1681275010AA PIN 1
073 NB1681275053AA PIN 2
074 NB1681275061AA PIN 1
075 NB1681275045AA PIN 1
076 NB1681275044AA PIN 1
077 NB1681275054AA SPACER 2
26 TAPE FEEDER SECT.(12.7X7.5(3))
077 NB1681275054AA SPACER 2
078 NB1681275062AA SPACER 1
079 NB1681275046AA ROLLER 2
080 NB1681260ZZAA BEARING 2 L-1260ZZ
X001 NB168HEX04 HEXAGON NUT 5 M4
X002 NB168SW04 SPRING WASHER 4 4-7-H1.0
X003 NB168FG0409 FLAT WASHER 6 4-9-H1.0
X004 NB168HEX03 HEXAGON NUT 1 M3
X005 NB168FG0307 FLAT WASHER 1 3-7-H0.5
X006 NB168SW03 SPRING WASHER 1 3-5-H1.0
X007 NB168SS0202 SUNK SCREW 1 M2-L2
X008 NB168PH0306 ROUND HEAD SCREW 1 M3-L6
N250

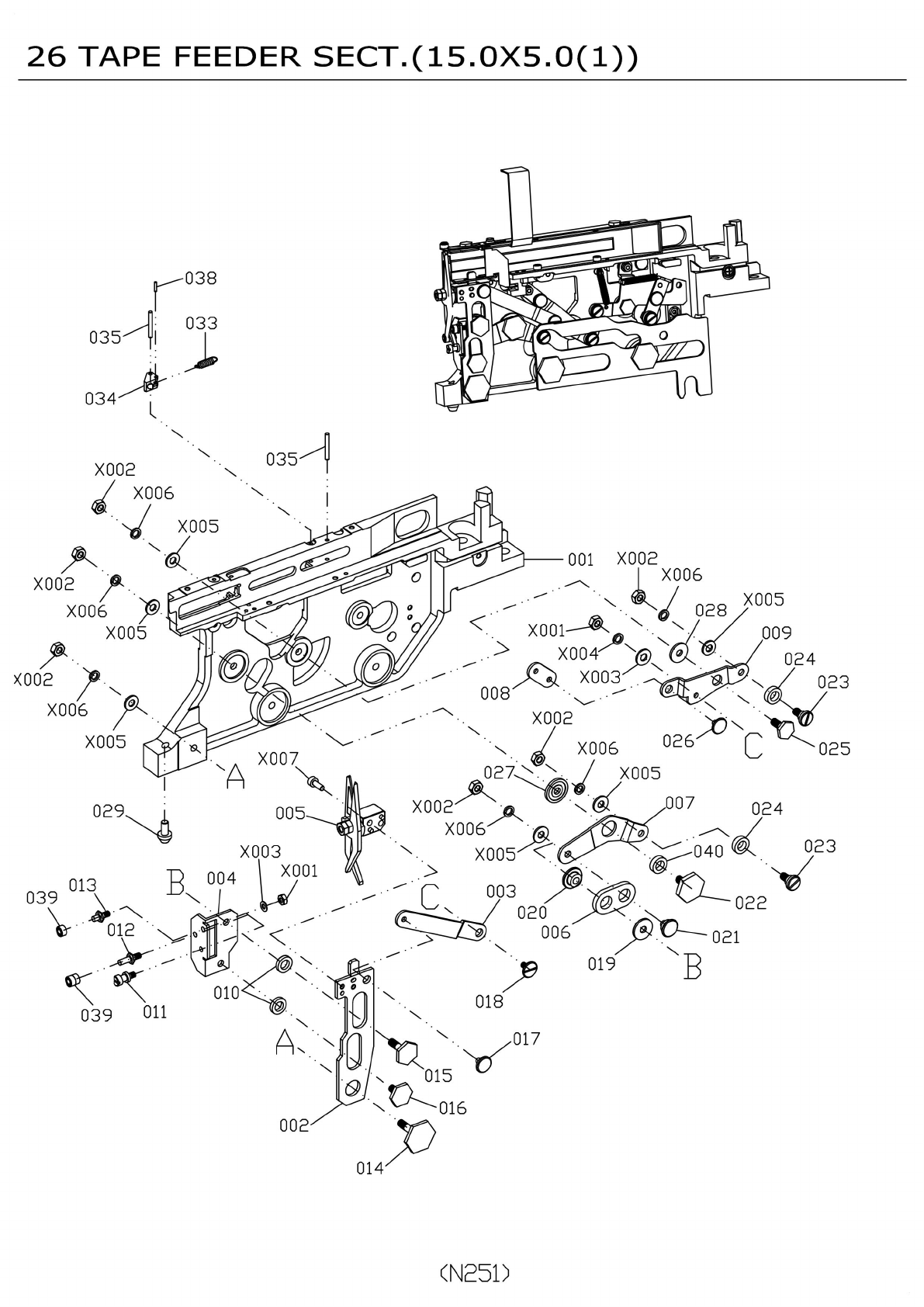
26
TAPE
FEEDER
SECT.
(15.0X5.
0(1))
038
033
035
X002
X006
X005
001
o
X002
X005
028
X006
X005
009
o
X004
024
X003
X002
023
008
X006
X002
X005
X006
025
027
X005
007
X002
024
029
005
X006
040
X005
B
004
003
022
012
021
B
019
010
018
Oil
039
A
、
017
015
016
002
014
023
/
020
006
X00]—
…
013
039
'
>
一工
。
26万
、
A
X002
X006
X003
X001
(N25D