NB168-配件手册.pdf - 第228页
序号 料号 部品名称 数量 规格 备注 NB168NU2001 PARTS POSITIONING NUIT 001 NB16820051AA HOOK 1 002 NB16820052AB STOPPER PLATE 1 003 NB16820053AB STOPPER PLATE 1 005 NB16820055AA BLOCK 1 006 NB16820056AA BLOCK 1 007 NB16820057AA PLATE 1 …

20 PARTS PROCESS SECT.(PARTS POSITIONING SECT.-1)
X006
—
XOU
XO1O
020
005
015
<
X015
023
014
O
X001
X002
X01
029
X015
031
e^-X011
XOllf
.
028
027
X002
OIK
xoig
X011
026
012
;X011
030
X004
|
032
X007
/
033
X017
A
।
001
0
X009
X010
/•I
X018
I
015
o
X004
X011
014
006
007
021
o
030
/
033
1
J
X012
019
尸
<008
X013
025
023
54
018
•>
008
A001
002
X005
>
IX
01
多
g7*
I
X0
鱼
「
016
5
产
w
003
(N21D

序号 料号 部品名称 数量 规格 备注
NB168NU2001 PARTS POSITIONING NUIT
001 NB16820051AA HOOK 1
002 NB16820052AB STOPPER PLATE 1
003 NB16820053AB STOPPER PLATE 1
005 NB16820055AA BLOCK 1
006 NB16820056AA BLOCK 1
007 NB16820057AA PLATE 1
008 NB16820058AA PLATE 1
011 NB16820124AA HOLDER(SLIDE) 1
012 NB16820123AA HOLDER(SLIDE) 1
014 NB16820064AA PISTON 2
015 NB16820065AA PISTON 2
A001 NB168P0413AA PIN 2
016 NB1684SRS9AA LINEAR WAY 1 4SRS9XMUU+175LM
018 NB168POS5TAA ROD END 1 P0S5T
019 NB168POS5TLAA ROD END 1 P0S5TL
020 NB168M5H6AA FITTING 2 M-5H-6
021 NB168M5HL6AA FITTING 2 M-5HL-6
023 NB16820066AA SPRING 2
024 NB168P0622AA PIN 2
025 NB16820068AB ROD 1
026 NB16820126AA LEVER 1
027 NB16820125AA LEVER 1
028 NB16820131AA GUIDE 1
029 NB16820129AA PLATE 1
030 NB16820127AA PIN 2
031 NB16820128AA COLLAR 2
032 NB1681275052AA SPRING 2
033 NB16820133AA PIN 2
X001 NB168SH0325 SOKET HEAD CAP SCREW 2 M3-L25
X002 NB168SH0308 SOKET HEAD CAP SCREW 17 M3-L8
X004 NB168SH0312 SOKET HEAD CAP SCREW 4 M3-L12
X005 NB168SH0406 SOKET HEAD CAP SCREW 4 M4-L6
X006 NB168SH0514 SOKET HEAD CAP SCREW 1 M5-L14
X007 NB168SH0425 SOKET HEAD CAP SCREW 2 M4-L25
X008 NB168SH0518 SOKET HEAD CAP SCREW 3 M5-L18
X009 NB168SH0625 SOKET HEAD CAP SCREW 3 M6-L25
X010 NB168SH0316 SOKET HEAD CAP SCREW 8 M3-L16
X011 NB168HEX03 HEXAGON NUT 8 M3
X012 NB168HEX05L HEXAGON NUT 1 M5L
X013 NB168HEX05 HEXAGON NUT 1 M5
X017 NB168FG0409 FLAT WASHER 2 4-9-H1.0
X018 NB168FG0617 FLAT WASHER 3 6-17-H3
X019 NB168SS0305 SUNK SCREW 4 M3-L5
20 PARTS PROCESS SECT.(PARTS POSITIONING SECT.-1)
N212

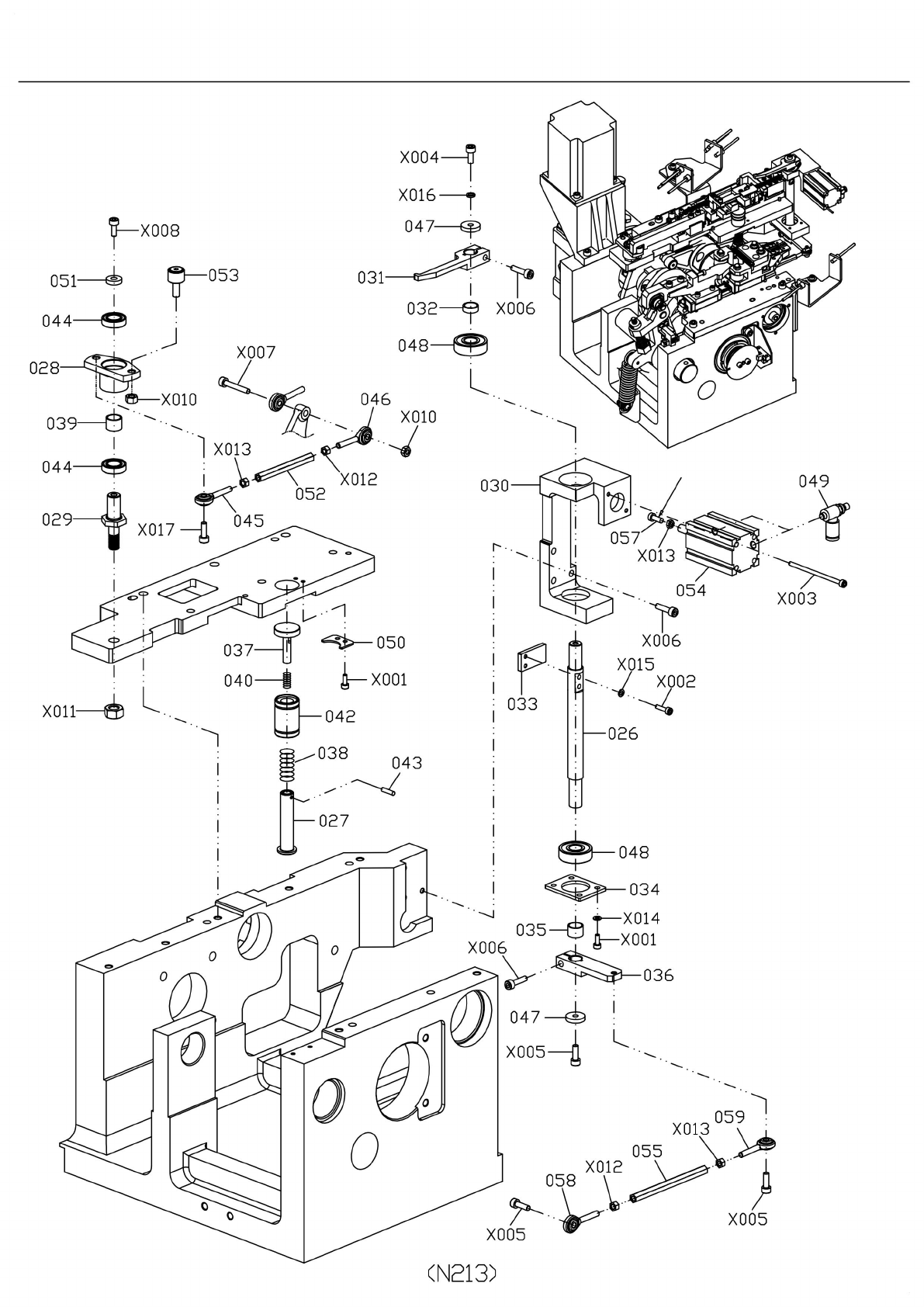
20 PARTS PROCESS SECT.(PARTS POSITIONING SECT.-2)
xoo
008
053
X007
028
X013
049
030
029
045
X017
0
X003
X001
:
033
XOH
026
027
048
0
036
047
0
X005
a
X005
X005
034
X014
X001
037
040
X016
047
~
率
035
X006
057
X013
•、
054
下
X006
X015
X002
X012
052
044
——
早
j
出
+
0
059
'
X013
055
X012
058
、
X010
039
―
由
、
I
044
—
0
0
0
031
032
—
X006
048
0—
038
043
050
046
X010
(N213)