NB168-配件手册.pdf - 第258页
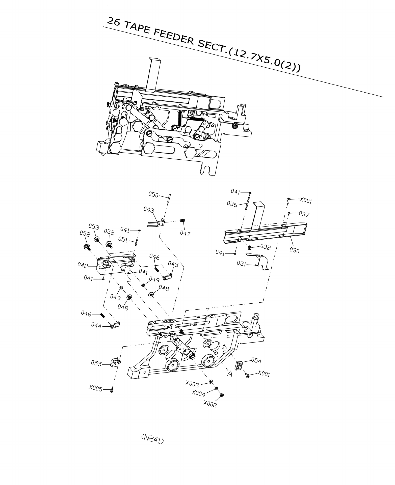
序号 料号 部品名称 数量 规格 备注 030 NB1681275038G TAPE GUIDE 1 031 NB1681275034AA LEVER 1 032 NB1681275024AA SPRING 1 036 NB1681275035AA PIN 1 037 NB1681275066AA PIN 2 041 NB168JR1/5WAA RETAINING RING E-TYPE 6 042 NB1681275033AA SLI…


序号 料号 部品名称 数量 规格 备注
030 NB1681275038G TAPE GUIDE 1
031 NB1681275034AA LEVER 1
032 NB1681275024AA SPRING 1
036 NB1681275035AA PIN 1
037 NB1681275066AA PIN 2
041 NB168JR1/5WAA RETAINING RING E-TYPE 6
042 NB1681275033AA SLIDER 1
043 NB1681275022AA CLAW 1
044 NB1681275002AA CLAW 1
045 NB1681275019AA CLAW 1
046 NB1681275021AA SPRING 2
047 NB1681275023AA SPRING 1
048 NB1681275018AA SPACER 2
049 NB1681275037AA ROLLER 2
050 NB1681275047AA PIN 1
051 NB1681275020AA PIN 2
052 NB1681275017AA PIN 2
053 NB1681275010AA PIN 1
054 NB1681275055AA STOPPER 1
055 NB168PMR25AA SENSOR UNIT 1 PM-R25
X001 NB168SH0306 SOKET HEAD CAP SCREW 4 M3-L6
X002 NB168HEX03 HEXAGON NUT 1 M3
26 TAPE FEEDER SECT.(12.7X5.0(2))
X002 NB168HEX03 HEXAGON NUT 1 M3
X003 NB168FG0307 FLAT WASHER 1 3-7-H0.5
X004 NB168SW03 SPRING WASHER 1 3-4-H1.0
X005 NB168SH0206 SOKET HEAD CAP SCREW 1 M2-L6
N242

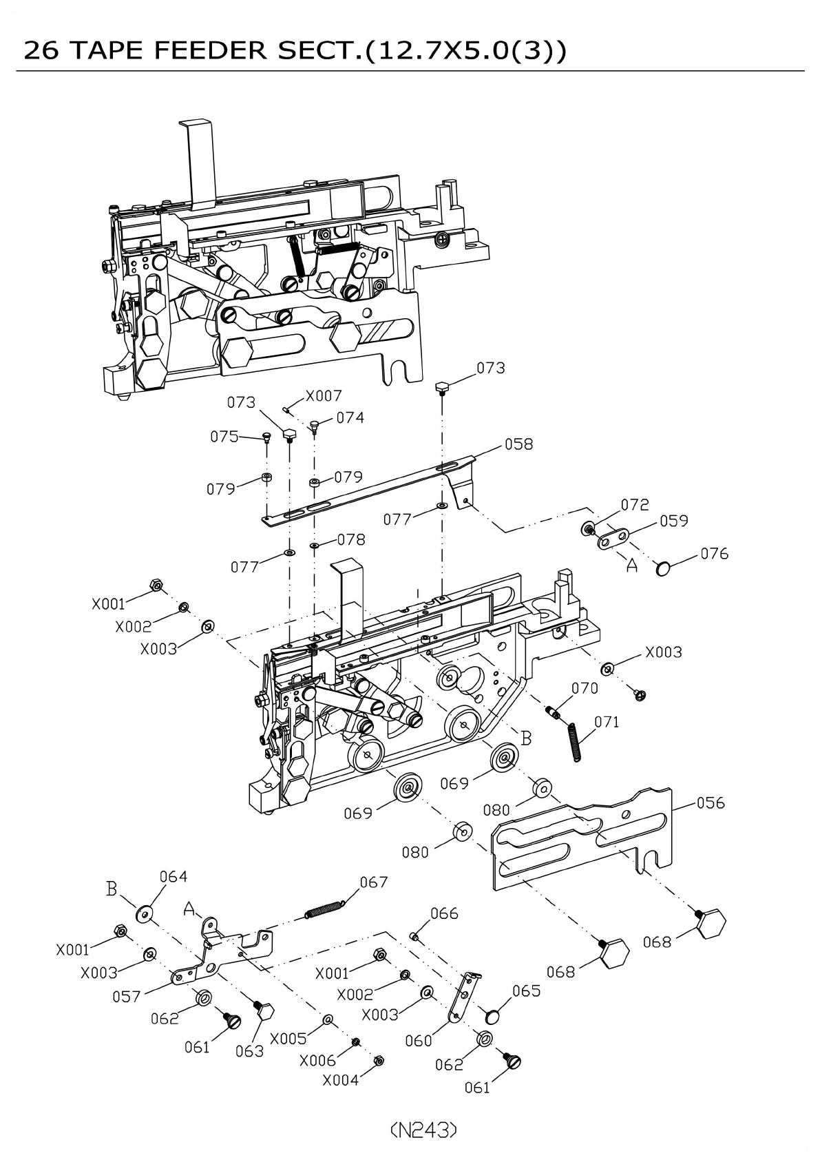
26
TAPE
FEEDER
SECT.(12.7X5.0(3))
073
X007
073
074
075
058
079
079
077
078
076
0
A
077
X001
X002
V
X003
X003
070
071
0
B
069
>056
080
069
0
080
064
067
A、
066
068
X001
068
X001
065
X002
057
X003
062
X005
060
061
063
X006
062
X004
061
072
059
(N243〉