NB168-配件手册.pdf - 第288页
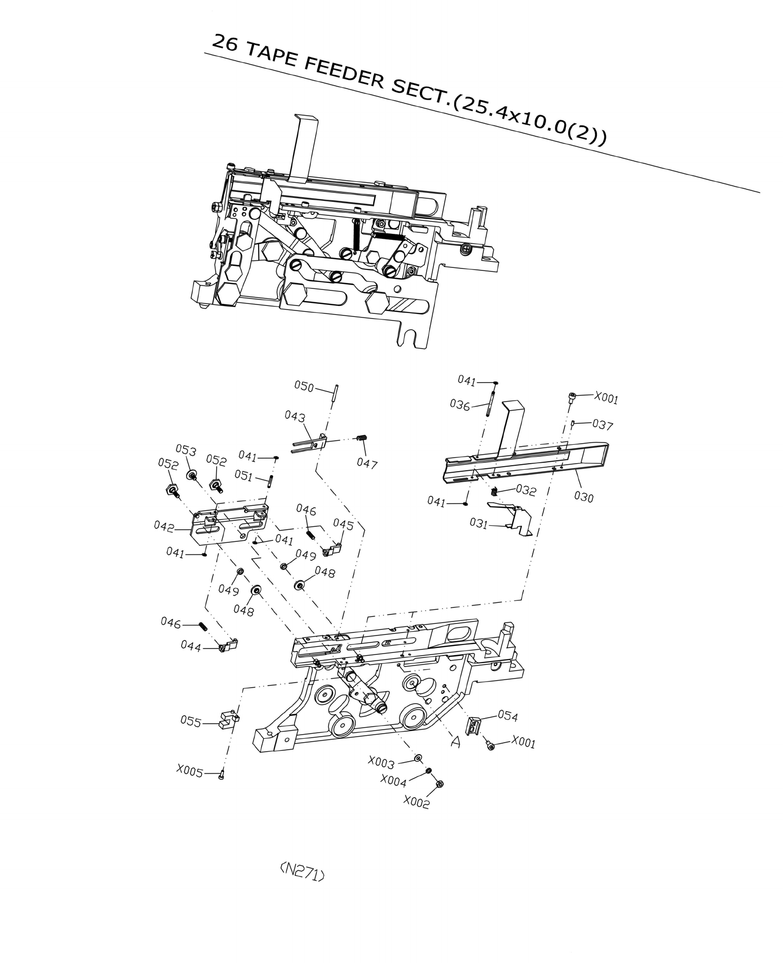
序号 料号 部品名称 数量 规格 备注 030 NB1682541038AA TAPE GUIDE 1 031 NB1682541034AA LEVER 1 032 NB1681275024AA SPRING 1 036 NB1681275035AA PIN 1 037 NB1681275066AA PIN 2 041 NB168JR1/5WAA RETAINING RING E-TYPE 6 042 NB1682541033AA SL…


序号 料号 部品名称 数量 规格 备注
030 NB1682541038AA TAPE GUIDE 1
031 NB1682541034AA LEVER 1
032 NB1681275024AA SPRING 1
036 NB1681275035AA PIN 1
037 NB1681275066AA PIN 2
041 NB168JR1/5WAA RETAINING RING E-TYPE 6
042 NB1682541033AA SLIDER 1
043 NB1681275068 CLAW 1
044 NB1681275002AA CLAW 1
045 NB1681275019AA CLAW 1
046 NB1681275021AA SPRING 2
047 NB1681275023AA SPRING 1
048 NB1681275018AA SPACER 2
049 NB1681275037AA ROLLER 2
050 NB1681275047AA PIN 1
051 NB1681275020AA PIN 2
052 NB1681275017AA PIN 2
053 NB1681275010AA PIN 1
054 NB1681275055AA STOPPER 1
055 NB168PMR25AA SENSOR UNIT 1 PM-R25
X001 NB168SH0306 SOKET HEAD CAP SCREW 4 M3-L6
X002 NB168HEX03 HEXAGON NUT 1 M3
26 TAPE FEEDER SECT.(25.4X10.0(2))
X002 NB168HEX03 HEXAGON NUT 1 M3
X003 NB168FG0307 FLAT WASHER 1 3-7-H0.5
X004 NB168SW03 SPRING WASHER 1 3-4-H1.0
X005 NB168SH0206 SOKET HEAD CAP SCREW 1 M2-L6
N272

力
y
/
*00/
0
》
竿
—
Ct?
&
XOOA—^
/
/
VA
行
总\
06,
"幻
°8。
—
103
. .
—
d—W^
S7
脸
气\?「
为
K
「6
。
6
产户
、
x
磔一
\'.
6
切
05d
Xo°i
凌
*0。6/
。
6。/^
陶
)
映
存
-0^
一
0^3
为
/
M
-0%
?
0"
一
i
(
^
059
%
常
A
'屋
\
'储
\
\
/65
068^^
0
的