NB168-配件手册.pdf - 第261页
26 TAPE FEEDER SECT. (12.7X7. 5(1)) 038 033 035 X002 X006 X005 001 o X002 X005 028 X006 X005 009 o X004 024 X003 X002 023 008 X006 X002 X005 X006 025 027 X005 007 X002 024 029 005 X006 040 X005 B 004 003 022 012 021 B 01…

序号 料号 部品名称 数量 规格 备注
056 NB1681275060AA CAM 1
057 NB1681275039AA LEVER 1
058 NB1681275042AA SLIDER 1
059 NB1681275043AA LEVER 1
060 NB1681275040AA LEVER 1
061 NB1681275031AA PIN 2
062 NB1681275009AA ROLLER 2
063 NB1681275057AA PIN 1
064 NB1681275030AA COLLAR 1
065 NB1681275065AA PIN 1
066 NB1681275041AA PIN 1
067 NB1681275050AA SPRING 1
068 NB1681275058AA PIN 2
069 NB1681275059AA SPACER 2
070 NB1681275051AA PIN 1
071 NB1681275052AA SPRING 1
072 NB1681275010AA PIN 1
073 NB1681275053AA PIN 2
074 NB1681275061AA PIN 1
075 NB1681275045AA PIN 1
076 NB1681275044AA PIN 1
077 NB1681275054AA SPACER 2
26 TAPE FEEDER SECT.(12.7X5.0(3))
077 NB1681275054AA SPACER 2
078 NB1681275062AA SPACER 1
079 NB1681275046AA ROLLER 2
080 NB1681260ZZAA BEARING 2 L-1260ZZ
X001 NB168HEX04 HEXAGON NUT 5 M4
X002 NB168SW04 SPRING WASHER 4 4-7-H1.0
X003 NB168FG0409 FLAT WASHER 6 4-9-H1.0
X004 NB168HEX03 HEXAGON NUT 1 M3
X005 NB168FG0307 FLAT WASHER 1 3-7-H0.5
X006 NB168SW03 SPRING WASHER 1 3-5-H1.0
X007 NB168SS0202 SUNK SCREW 1 M2-L2
X008 NB168PH0306 ROUND HEAD SCREW 1 M3-L6
N244

26
TAPE
FEEDER
SECT.
(12.7X7.
5(1))
038
033
035
X002
X006
X005
001
o
X002
X005
028
X006
X005
009
o
X004
024
X003
X002
023
008
X006
X002
X005
X006
025
027
X005
007
X002
024
029
005
X006
040
X005
B
004
003
022
012
021
B
019
010
018
Oil
039
A
、
017
015
016
002
014
023
/
020
006
X00]—
…
013
039
'
>
一工
。
26万
X002
X006
、
A
X003
X001
(N245)

序号 料号 部品名称 数量 规格 备注
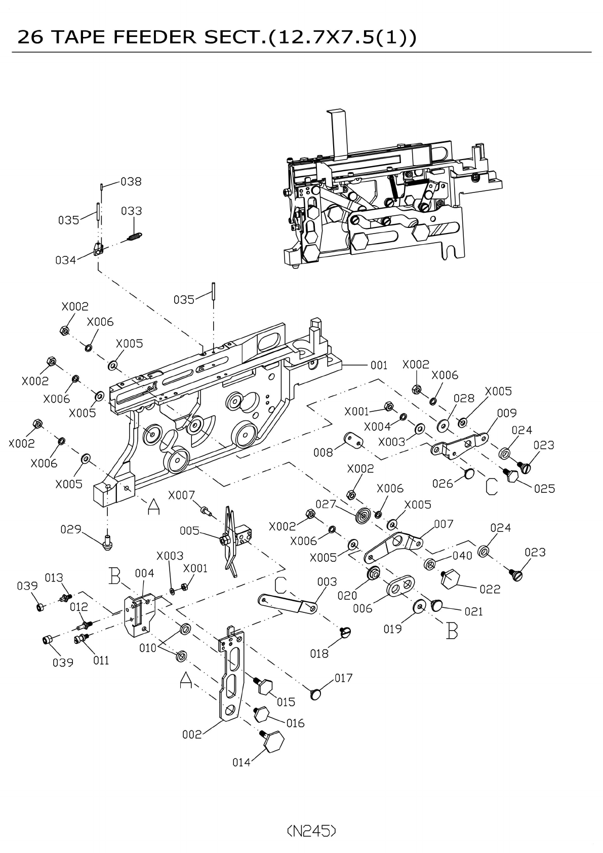
NB16812775AA TAPE FEEDER UNIT 1
001 NB1681277501AA MAIN FRAME 1
002 NB1681277505AA LEVER 1
003 NB1681275006AA LEVER 1
004 NB1681277525AA SLIDER 1
005 NB168SU001AA SCISSORS UNIT 1
006 NB1681275008AA LEVER 1
007 NB1681275007AA LEVER 1
008 NB1681275004AA LEVER 1
009 NB1681275003AA LEVER 1
010 NB1681275013AA ROLLER 2
011 NB1681275036AA PIN 1
012 NB1681275016AA PIN 1
013 NB1681275015AA PIN 1
014 NB1681275027AA PIN 1
015 NB1681275011AA PIN 1
016 NB1681275014AA PIN 1
017 NB1681275063AA RIVERING NAIL 1
018 NB1681275010AA PIN 1
019 NB1681275012AA COLLAR 1
020 NB1681275032AA COLLAR 1
021 NB1681275064AA PIN 1
26 TAPE FEEDER SECT.(12.7X7.5(1))
021 NB1681275064AA PIN 1
022 NB1681275026AA PIN 1
023 NB1681275031AA PIN 2
024 NB1681275009AA ROLLER 2
025 NB1681275057AA PIN 1
026 NB1681275065AA PIN 1
027 NB1681275029AA COLLAR 1
028 NB1681275030AA COLLAR 1
029 NB1681275056AA PIN 1
033 NB1681275049AA SPRING 1
034 NB1681275048AA CLAW 1
035 NB1681275047AA PIN 2
038 NB1681275067AA PIN 1
039 NB168683ZZAA BEARING 3 683ZZ
040 NB168106ZZAA BEARING 1 MR106ZZS
X001 NB168HEX03 HEXAGON NUT 4 M3
X002 NB168HEX04 HEXAGON NUT 6 M4
X003 NB168FG0307 FLAT WASHER 2 3-7-H0.5
X004 NB168SW03 SPRING WASHER 1 3-4-H1.0
X005 NB168FG0409 FLAT WASHER 6 4-9-H1.0
X006 NB168SW04 SPRING WASHER 6 4-7-H1.0
X007 NB168SH0308 SOKET HEAD CAP SCREW 2 M3-L8
N246