NB168-配件手册.pdf - 第250页
序号 料号 部品名称 数量 规格 备注 001 NB16823001AA CHUCK 1 002 NB16823002AA CHUCK 1 23 INS ERT SE CT.(CH UCK SE CT 3.5 MM) N234

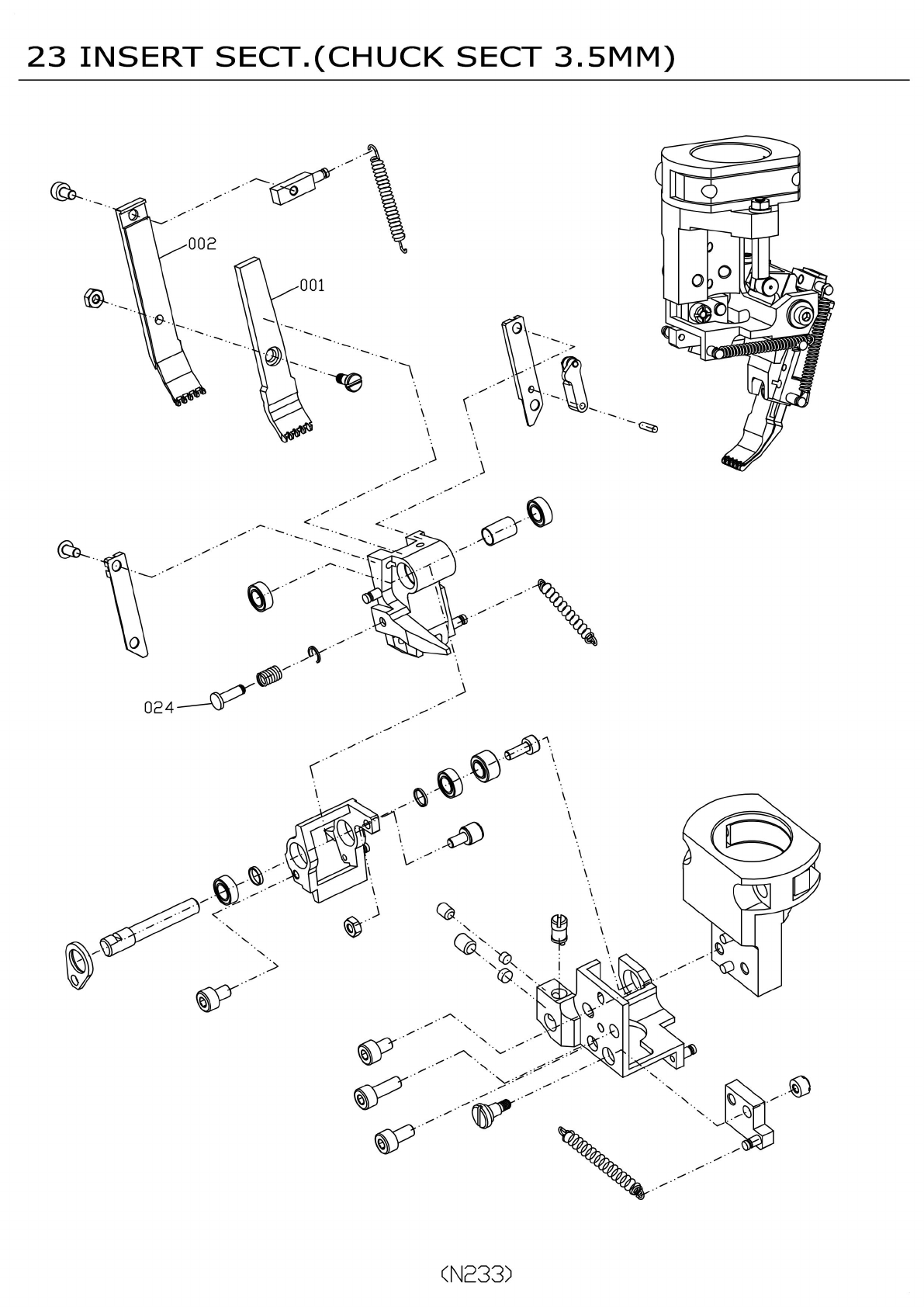
23
INSERT
SECT.(CHUCK
SECT
3.5MM)
(N233)

序号 料号 部品名称 数量 规格 备注
001 NB16823001AA CHUCK 1
002 NB16823002AA CHUCK 1
23 INSERT SECT.(CHUCK SECT 3.5MM)
N234

24
INSERT
SECT.(TRANSFER
CHUCK
SECT.3.5MM)
x
。。
4r
福
,就
oir
1
^/003
:
/002
1
010
i
006
/
k008
——
XOO5
i
c
代
J
X003
X002
01
/^1
牌
(N235)