NB168-配件手册.pdf - 第281页
在线预览 NB168-配件手册.pdf PDF 文档。

序号 料号 部品名称 数量 规格 备注
NB16815010AA TAPE FEEDER UNIT 1
001 NB1681501001AA MAIN FRAME 1
002 NB1681277505AA LEVER 1
003 NB1681501006AA LEVER 1
004 NB1681277525AA SLIDER 1
005 NB168SU001AA SCISSORS UNIT 1
006 NB1681275008AA LEVER 1
007 NB1681275007AA LEVER 1
008 NB1681275004AA LEVER 1
009 NB1681501005AA LEVER 1
010 NB1681275013AA ROLLER 2
011 NB1681275036AA PIN 1
012 NB1681275016AA PIN 1
013 NB1681275015AA PIN 1
014 NB1681275027AA PIN 1
015 NB1681275011AA PIN 1
016 NB1681275014AA PIN 1
017 NB1681275063AA RIVERING NAIL 1
018 NB1681275010AA PIN 1
019 NB1681275012AA COLLAR 1
020 NB1681275032AA COLLAR 1
021 NB1681275064AA PIN 1
26 TAPE FEEDER SECT.(15.0X10.0(1))
021 NB1681275064AA PIN 1
022 NB1681275026AA PIN 1
023 NB1681275031AA PIN 2
024 NB1681275009AA ROLLER 2
025 NB1681275057AA PIN 1
026 NB1681275065AA PIN 1
027 NB1681275029AA COLLAR 1
028 NB1681275030AA COLLAR 1
029 NB1681275056AA PIN 1
033 NB1681275049AA SPRING 1
034 NB1681275048AA CLAW 1
035 NB1681275047AA PIN 2
038 NB1681275067AA PIN 1
039 NB168683ZZAA BEARING 3 683ZZ
040 NB168106ZZAA BEARING 1 MR106ZZS
X001 NB168HEX03 HEXAGON NUT 4 M3
X002 NB168HEX04 HEXAGON NUT 6 M4
X003 NB168FG0307 FLAT WASHER 2 3-7-H0.5
X004 NB168SW03 SPRING WASHER 1 3-4-H1.0
X005 NB168FG0409 FLAT WASHER 6 4-9-H1.0
X006 NB168SW04 SPRING WASHER 6 4-7-H1.0
X007 NB168SH0308 SOKET HEAD CAP SCREW 2 M3-L8
N264


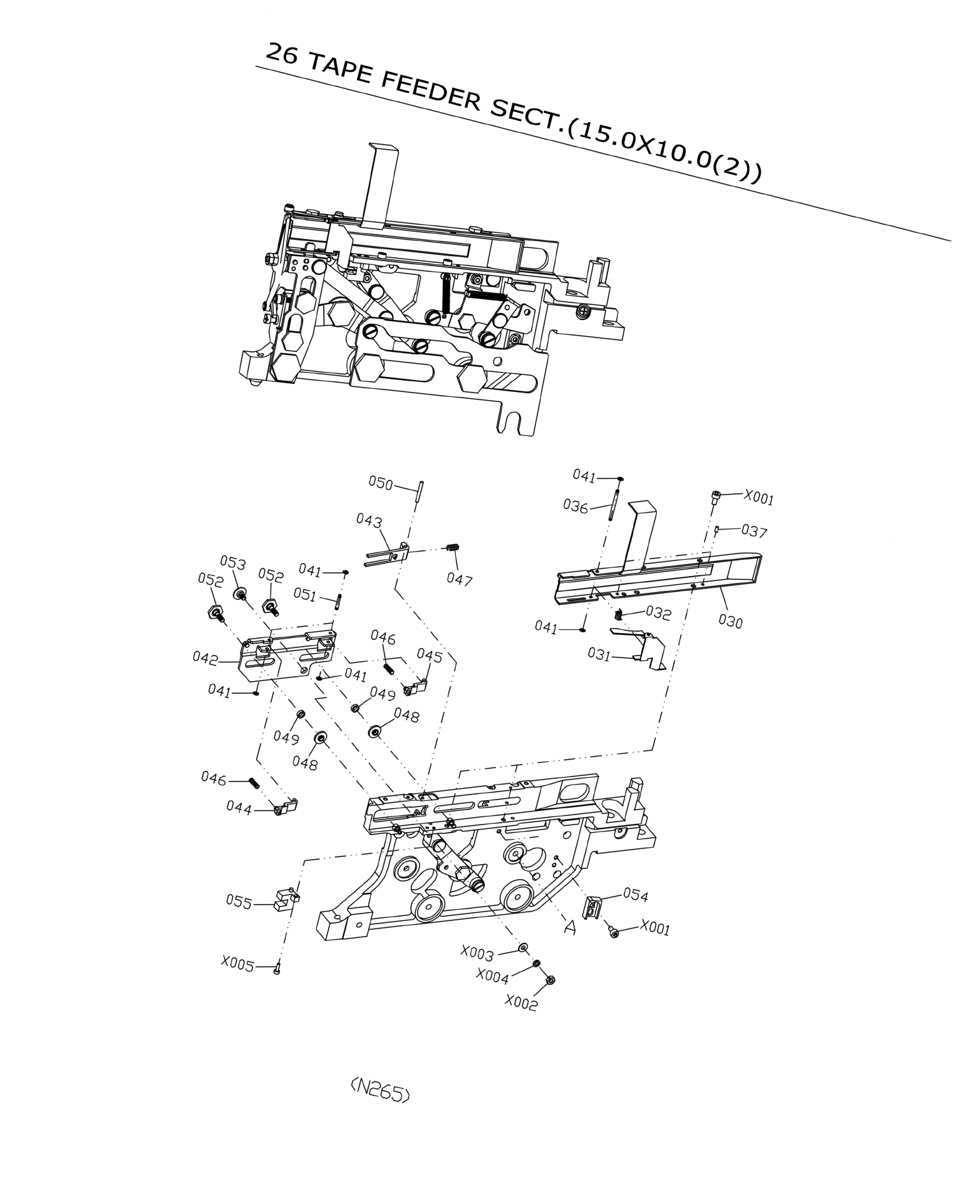
序号 料号 部品名称 数量 规格 备注
030 NB1681275038AA TAPE GUIDE 1
031 NB1682541034AA LEVER 1
032 NB1681275024AA SPRING 1
036 NB1681275035AA PIN 1
037 NB1681275066AA PIN 2
041 NB168JR1/5WAA RETAINING RING E-TYPE 6
042 NB1681501033AA SLIDER 1
043 NB1681275068 CLAW 1
044 NB1681275002AA CLAW 1
045 NB1681275019AA CLAW 1
046 NB1681275021AA SPRING 2
047 NB1681275023AA SPRING 1
048 NB1681275018AA SPACER 2
049 NB1681275037AA ROLLER 2
050 NB1681275047AA PIN 1
051 NB1681275020AA PIN 2
052 NB1681275017AA PIN 2
053 NB1681275010AA PIN 1
054 NB1681275055AA STOPPER 1
055 NB168PMR25AA SENSOR UNIT 1 PM-R25
X001 NB168SH0306 SOKET HEAD CAP SCREW 4 M3-L6
X002 NB168HEX03 HEXAGON NUT 1 M3
26 TAPE FEEDER SECT.(15.0X10.0(2))
X002 NB168HEX03 HEXAGON NUT 1 M3
X003 NB168FG0307 FLAT WASHER 1 3-7-H0.5
X004 NB168SW03 SPRING WASHER 1 3-4-H1.0
X005 NB168SH0206 SOKET HEAD CAP SCREW 1 M2-L6
N266