NB168-配件手册.pdf - 第221页
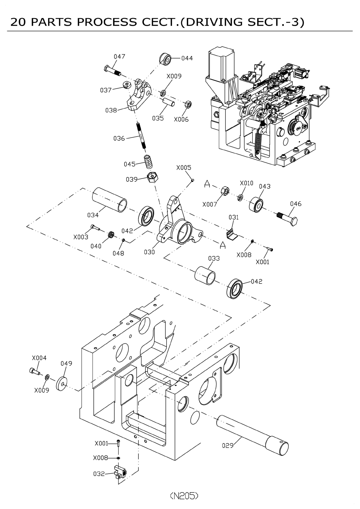
20 PARTS PROCESS CECT.(DRIVING SECT.-3) /47 .命 一 044 / X009 。: >3 • 035 X006 036—^ 045—^ X005 039- @ 〉 :/蔡 048 030 、 、、 、、 、 、( mu:' W X008 — ® 1 032- J A 、— X,】。 043 J N. J W X°°8 xr 、 、 〉 . • • • > / / (N205…

序号 料号 部品名称 数量 规格 备注
008 NB16882GIUAA MOTOR 1 MSMF082L1U2M
009 NB16820006AA CAM(V CUTTER O/C) 1
010 NB16820007AA CAM 1
011 NB16820008AA CAM 1
012 NB16820009AA CAM 1
013 NB16820010AA CAM(POSITIONING O/C) 1
014 NB16820011AA BRACKET 1
015 NB16820012AA KEY 2
016 NB16820013AA KEY 1
017 NB16820014AA SHAFT 1
018 NB16820015AA DOG FOR SENSOR 1
019 NB16820016AA BRACKET 1
021 NB168W50E07AA REDUCTION GEAR 1 SW50E07LF-ST2
022 NB168FU05SCAA LOCK-NUT 1 FU05SC(M25X1.5)
023 NB1686007ZZAA BALL BEARING 1 6007ZZ
024 NB168SX671AA SENSOR 1 EE-SX671
025 NB1680GS1619AA COUPLING 1 GS-39X34.5-16X19
026 NB16807157AA FITTING 1 KS-1/4
028 NB168FU07SSAA NUT 1 FU07SS (M35X1.5)
029 NB168P0406AA PIN 6 ¢4-6
X001 NB168SH0308 SOKET HEAD CAP SCREW 6 M3-L8
X002 NB168SH0310 SOKET HEAD CAP SCREW 2 M3-L10
20 PARTS PROCESS CECT.(DRIVING SECT.-2)
X002 NB168SH0310 SOKET HEAD CAP SCREW 2 M3-L10
X003 NB168SH0408 SOKET HEAD CAP SCREW 2 M4-L8
X004 NB168SH0516 SOKET HEAD CAP SCREW 4 M5-L16
X005 NB168SH0610 SOKET HEAD CAP SCREW 2 M6-L10
X006 NB168SH0630 SOKET HEAD CAP SCREW 10 M6-L30
X007 NB168SS0808 SUNK SCREW 5 M8-L8
X008 NB168SW03 SPRING WASHER 6 3-4-H1.0
X009 NB168FG0307 FLAT WASHER 2 3-7-H0.5
X010 NB168FG0409 FLAT WASHER 2 4-9-H1.0
X011 NB168SW05 SPRING WASHER 4 5-8-H1.3
X012 NB168FG0510 FLAT WASHER 4 5-10-H2
X013 NB168SW06 SPRING WASHER 14 6-9.5-H1.6
X014 NB168SH0635 SOKET HEAD CAP SCREW 4 M6-L35
N204

20
PARTS
PROCESS
CECT.(DRIVING
SECT.-3)
/47
.命
一
044
/
X009
。:
>3
•
035
X006
036—^
045—^
X005
039-
@
〉
:/蔡
048
030
、
、、
、、
、
、(
mu:'
W
X008
—
®
1
032-
J
A
、—
X,】。
043
J
N.
J
W
X°°8
xr
、
、
〉
.
•
•
•
>
/
/
(N205)

序号 料号 部品名称 数量 规格 备注
029 NB16820018AA SHAFT 1
030 NB16820019AA LEVER 1
031 NB16820020AA DETECTION PLATE 1
032 NB168SX672AAA SENSOR 1 EE-SX672A
033 NB16820021AA COLLAR 1
034 NB16820022AA COLLAR 1
035 NB16820023AA PIN 1
036 NB16820024AA BOLT 1
037 NB16820025AA LOCK-NUT 1
038 NB16820109AA LEVER 1
039 NB16820110AA SPRING WASHER 1
040 NB168624VZZAA BEARING 1 4-13VZZ
042 NB1686905ZZAA BEARING 2 6905ZZ
043 NB16810UURAA ROLLER FOLLOWER 1 NART10UUR
044 NB1688ZZUURAA ROLLER FOLLOWER 1 NAST8ZZUUR
045 NB168WL1645AA SPRING 1 SSWL16-45
046 NB16820026AA PIN 1 87RFN10-42
047 NB16820027AA PIN 1 87RFN8-34
048 NB168D0206AA WASHER 1
049 NB168D0530AA WASHER 1
X001 NB168SH0310 SOKET HEAD CAP SCREW 4 M3-L10
X003 NB168SH0416 SOKET HEAD CAP SCREW 1 M4-L16
20 PARTS PROCESS CECT.(DRIVING SECT.-3)
X003 NB168SH0416 SOKET HEAD CAP SCREW 1 M4-L16
X004 NB168SH0816 SOKET HEAD CAP SCREW 1 M8-L16
X005 NB168SS0405 SUNK SCREW 1 M4-L5
X006 NB168HEX08 HEXAGON NUT 1 M8
X007 NB168HEX10 HEXAGON NUT 1 M10
X008 NB168FG0307 FLAT WASHER 4 3-7-H0.5
X009 NB168SW08 SPRING WASHER 1 8-12.5-H2
X010 NB168SW10 SPRING WASHER 1 10-15.5-H2.5
N206