节卡机器人-用户手册硬件部分.pdf - 第19页
JA 14 3.3 1. JAKA M ini Cob o 机器人技术规 格: 机器人型号 JAKA MiniCobo 产品特性 有效负载 1.0kg 重量(含电缆) 8.7kg 工作半径 576.3 mm 重复定位精度 ±0.1 mm 自由度 6 编程 图像化编程、拖 拽编程 示教器类型 移动终端( P AD/ 手机 ) APP 协作操作 根据 GB 1 1291.1-20 1 1 进行协同操作 动作范围及速度 机械臂 动作范围 最大…

JA
13
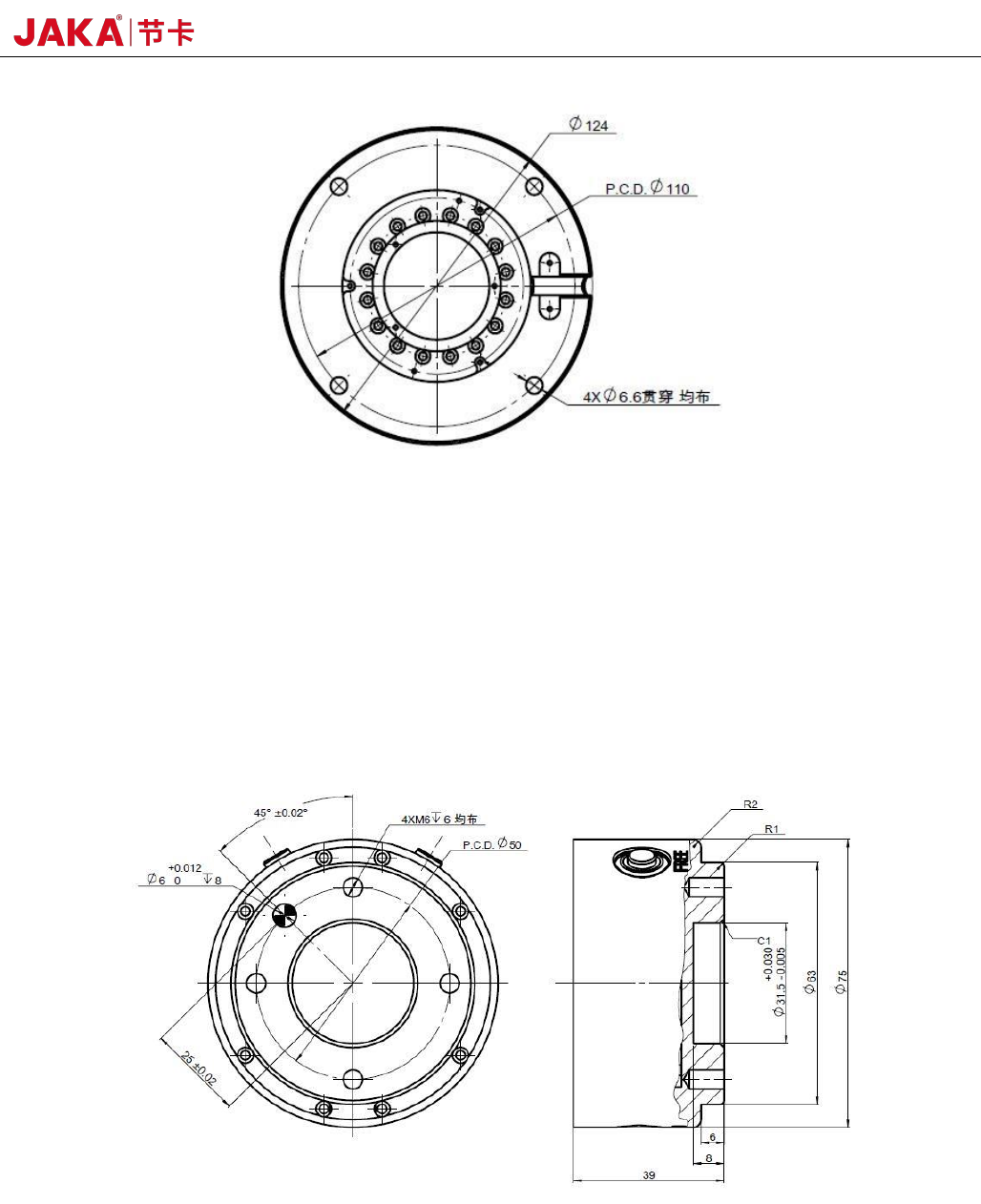
图 3-6 JAKA MiniCobo 基座安装尺寸图
3.2.4 末端工具安装
JAKA MiniCobo 机器人末端法兰有四个 M6 螺纹孔,可用于将工具连接到机器人。安装时推荐紧固螺钉锁
紧,扭矩为 15.3Nm。若需要高精度紧固工具时还可使用∅6mm 销钉孔。图 3-7 显示了钻孔位置和螺钉安装位
置,所有测量值均以 mm 为单位。
图 3-7 末端法兰安装尺寸图

JA
14
3.3
1.JAKA MiniCobo 机器人技术规格:
机器人型号 JAKA MiniCobo
产品特性
有效负载
1.0kg
重量(含电缆)
8.7kg
工作半径
576.3mm
重复定位精度
±0.1mm
自由度
6
编程
图像化编程、拖拽编程
示教器类型
移动终端(PAD/手机)APP
协作操作
根据 GB 11291.1-2011 进行协同操作
动作范围及速度
机械臂
动作范围 最大速度
关节 1
±360° 180°/s
关节 2
±120° 180°/s
关节 3
±125° 180°/s
关节 4
±360° 180°/s
关节 5
±120° 180°/s
关节 6
±360° 180°/s
工具端最大速度
/ 1.5m/s
物理性能及其他
经典功耗
150W
温度范围
0-50°C
IP 等级
IP40
机器人安装
任意角度安装
工具 I/O 端口
数字输入 2
数字输出 2
模拟输入 1
工具 I/O 电源
24V
底座直径
124mm
材质
铝合金、PC
工具 I/O 尺寸
M8
机器人连接电缆长度
6m
2.控制器技术规格:
控制器
IP 等级
IP20
控制器 I/O 端口
7 路输入输出复用
控制器 I/O 电源
24VDC
通信方式
TCP/IP, Modbus TCP, Modbus RTU
电源
24VDC
控制器尺寸
180×46.6×128mm(W*H*D)
重量
1.1kg
材质
喷塑碳钢板、铝合金

JA
15
3.220V AC-DC 电源适配器
品牌型号
GST280A24-C6P,MW
安规型号
GST280A64
直流电压
24V
额定电流
11.67A
电流范围
0~11.67A
额定功率(最大)
280.08W
纹波与噪声(最大)
200mVp-p
电压精度
±3%
线性调整率
±1%
负载调整率
±3%