NXT-III 机械手册.pdf - 第75页

2. 机器构成和功能说明 MEC-NXT3-002S0 52 NXT III 机械手册 2.2.18 不良元件排出单元 不良元件排出单元搭载在料站托 架上,排出根据影像处理结果判断为不能贴装的元件。 NO. 名称 NO. 名称 1 元件排出搬运轨道 -M 3 搬运轨道传送带 2 元件排出搬运轨道 -L 4 夹紧扳手 01MEC-1367 2 3 4 1 3 4

100%1 / 568
MEC-NXT3-002S0 2. 机器构成和功能说明
NXT III 机械手册 51
2.2.17 料盘单元 -M
料盘单元 -M 是料盘元件的供应装置,搭载在 M6-3 模组的料站托架上使用。1 台托架上可以
搭载 2 台料盘单元 -M,第 1 配置在料槽 No.35 上、第 2 台配置在料槽 No.10 上。
NO. 名称 NO. 名称
1 正面门 4 通信接插
2 挂钩 5 往复臂搬运轨道
3 夹紧手柄
2
3
4
5
1
01MEC-1366
2. 机器构成和功能说明 MEC-NXT3-002S0
52 NXT III 机械手册
2.2.18 不良元件排出单元
不良元件排出单元搭载在料站托架上,排出根据影像处理结果判断为不能贴装的元件。
NO. 名称 NO. 名称
1 元件排出搬运轨道 -M 3 搬运轨道传送带
2 元件排出搬运轨道 -L 4 夹紧扳手
01MEC-1367
2
3
4
1
3
4
MEC-NXT3-002S0 2. 机器构成和功能说明
NXT III 机械手册 53
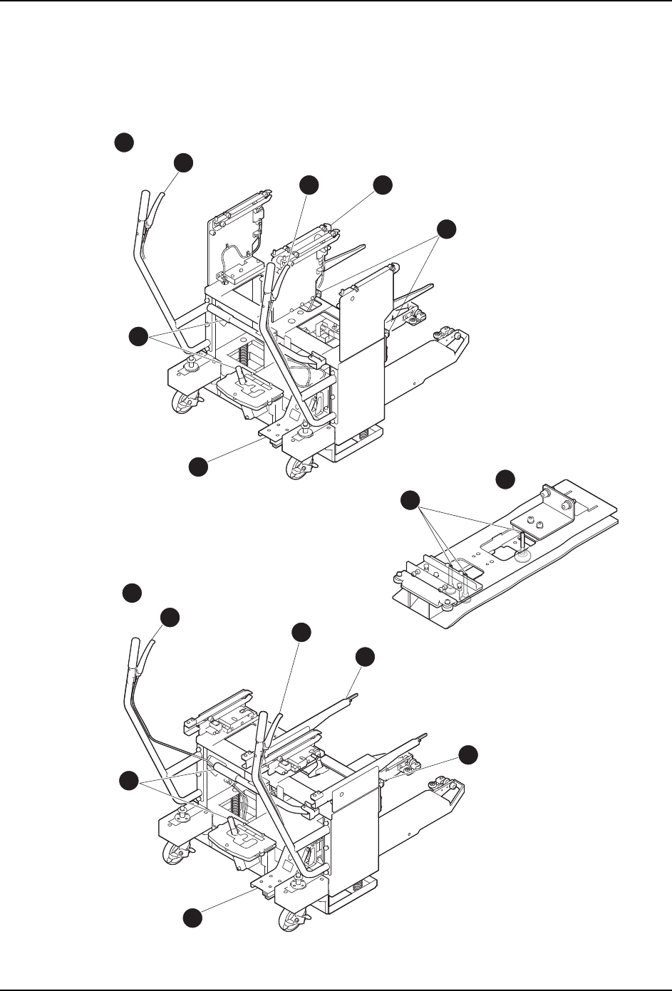
2.2.19 PCU-2( 托架更换推车 ) 构成部件
PCU-2 是为了从模组拆下料站托架或者安装到模组上时使用的推车。使用 PCU-2 的时候,
基座上安装专用的 PCU 导轨。PCU-2 PCU 导轨有电路板搬运高度为 900mm、920mm、950mm
的3种
01MEC-1368
2
3
4
7
5
6
1
9
10
8
4
7
5
6
9
8