JUKI_KE-3010A_MAINTE_CH.pdf - 第15页
维修调整要领书 1-6 1-2 -2 . Y 轴磁尺装贴位置 < M 、 L 基板规格 > 请紧靠座架切削底面装贴磁尺。 Y 轴磁尺的起贴位置,是从座架切削端面至磁尺端面的尺寸为 3mm 的位置。 规格值: 磁尺的贴装位置(在贴装头移动方向的平行方向距离偏差) ±0.1mm 图 1-2-2- 1 Y 磁尺的起贴位置( M 、 L 基板规格) ①:要对齐座架 YL 、 R 切削面底面与 Y 磁尺底面进行装贴。 ②: YR 、 YL 的 Y…

维修调整要领书
1-5
1-2-1.
X
轴磁尺的装贴位置
1) 请将 X 轴磁尺装贴冶具(40094362)贴 紧 LM 导轨的前面和 X 轴框架的底面,在此状态下一面碰
到 X 轴磁尺装贴冶具,一面装贴磁尺。
规格值:
磁尺的装贴位置(与 Head 移动方向平行的方向上的距离偏移)±0.1mm
图
1-2-1-3 X_MSC
安装冶具装配示例
X 轴框架
X_LM 导轨
X 轴磁尺装贴冶具
磁尺
15±0.1
Z 相记号中心
Z 相记号中心
FRONT
FRONT
L 侧
L 侧
切削面
切削面
图 1-2-1-2 KE-3010A(M、L 基板规格)
图 1-2-1-1 KE-3020VA,20VRA(M、L 基板规格)

维修调整要领书
1-6
1-2-2.
Y
轴磁尺装贴位置
< M、L 基板规格 >
请紧靠座架切削底面装贴磁尺。
Y 轴磁尺的起贴位置,是从座架切削端面至磁尺端面的尺寸为 3mm 的位置。
规格值:
磁尺的贴装位置(在贴装头移动方向的平行方向距离偏差)±0.1mm
图
1-2-2-1 Y
磁尺的起贴位置(
M
、
L
基板规格)
①:要对齐座架 YL、R 切削面底面与 Y 磁尺底面进行装贴。
②:YR、YL 的 Y 磁尺装贴位置是通用的。
※装贴 YR、YL 的 Y 磁尺时,要注意制造号码的朝向。
YR 侧
YL
YR
Z 相记号中心
FRONT
REAR
座架切削端面

维修调整要领书
1-7
1-2-3.
磁尺的空隙调整
1) 把 MSC 间隙规(货号 40008106)中的 t0.25mm 夹到磁尺与传感器头的空隙,然后拧紧螺丝。
2) 确认在 XY 轴的全行程中,MSC 间隙规中的 t0.35mm 插不进磁尺与传感器 Head 的空隙,MSC
间隙规中的 t0.15mm 可以插进。
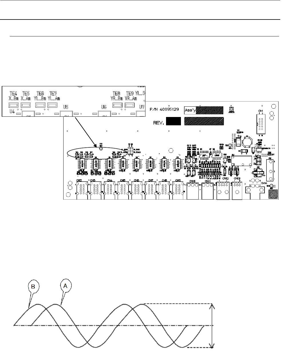
3) 使用下图的 MAGNETIC SCALE 基板(货号 40095130)的测试插孔。
注)
卸下护罩、传感头,拆卸时应关掉电源之后再进行。
图
1-2-3-1
4) 将示波器的测量头分别接到 GND 端子「GND(TE3)」和「XA(TE5)」、「YLA(TE7)」、
「YRA(TE9)」上,测定电压波形,各轴逐一进行。观察此时出现在示波器中的 A 相和 B 相的
波形振幅,确认整个区域 P-P 值为 2.0V±0.5V。
图
1-2-3-2
5) 如果 P-P 值不是 2.0V±0.5V,则松开固定传感器的螺钉(X 轴为下图的 SL6040892TN,Y 轴为
SM6030502TN、SL6041092TN)。
各自的振幅
1.5~2.5Vpp
(在推荐安装状态下)