SLM110S_TRM(Ver7.1_CS16.26).pdf - 第123页
Page HANWHA TECHWIN 111 SLM110S Feeder Board Interface (1/4) NO. Lev . P A RT NO. P ART NAME Q'TY Old No. Supply Supply L T Reference 1 J90834107A AXIO_1_FD_CA N_CABLE_ASSY AXIO_1 _FD_CAN_C 1 2 J90834108A FD_AX_SEN_…

Page
HANWHA TECHWIN
110
SLM110S
Feeder Board Interface (1/4)
^4`
^5`
^6`
^7`
^8`
^9`
^:`

Page
HANWHA TECHWIN
111
SLM110S
Feeder Board Interface (1/4)
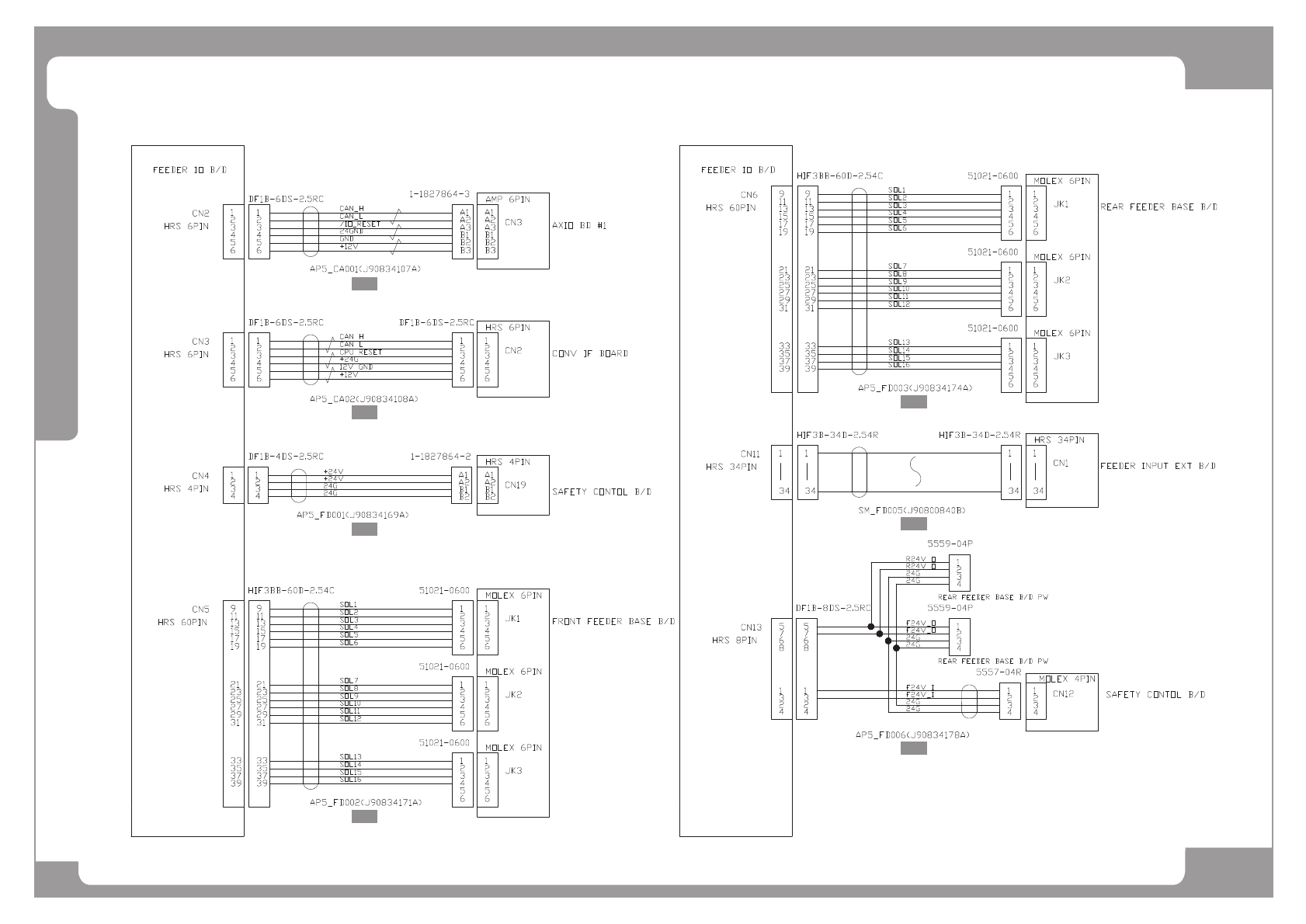
NO. Lev. PART NO. PART NAME Q'TY Old No. Supply Supply LT Reference
1 J90834107A AXIO_1_FD_CAN_CABLE_ASSY AXIO_1_FD_CAN_C 1
2 J90834108A FD_AX_SEN_BD_CAN_CABLE_ASSY AP5_CA002 1
3 J90834169A FDR_IO_PWR_CABLE_ASSY AP5_FD001 1
4 J90834171A F_FDR_SOL_OUTPUT_CABLE_ASSY AP5_FD002 1
5 J90834174A R_FDR_SOL_OUTPUT_CABLE_ASSY AP5_FD003 1
6 J90800840B FDR INPUT EXT CABLE ASSY SM_FD005 1
7 J90834178A FDR_BASE_PWR_CABEL_ASSY AP5_FD006 1

Page
HANWHA TECHWIN
112
SLM110S
Feeder Board Interface (2/4)
^4`
^5`
^6`